GM Service Manual Online
For 1990-2009 cars only
Makes
🢒
Pontiac
🢒
2002
🢒
Grand Am
🢒 Charging System
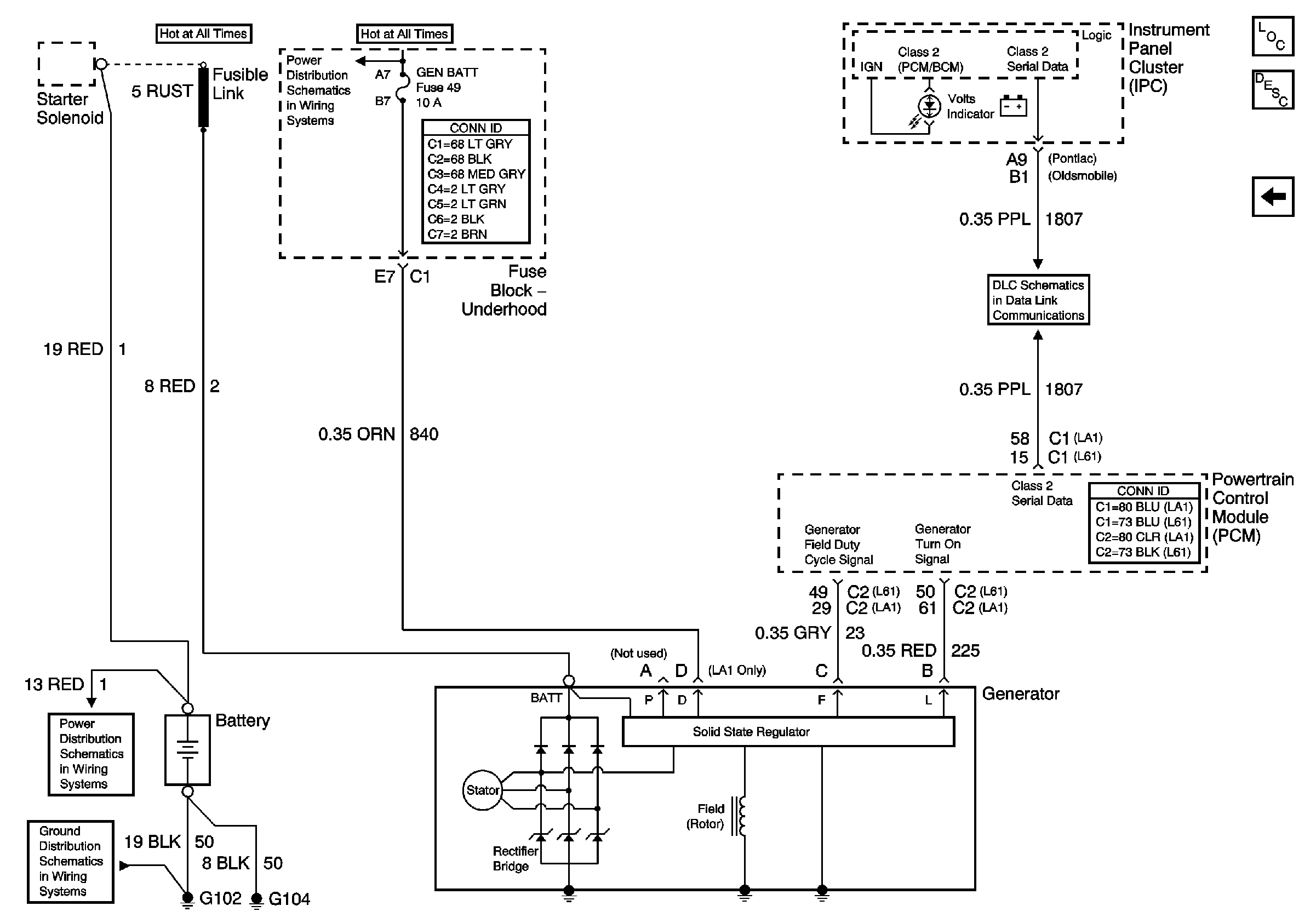
Charging System
Charging System
Master Electrical Component List
Charging System Description and Operation
Starting System - LA1 - w/ PCM Controlled Start
RH HDLP, LH HDLP, GEN BATT, LH BEC BATT2, STOP LPS, HAZARD LPS, IPC/HVAC BATT, BFC BATT Fuses
B+ Bus Bar
G102 and G104
Data Link Connector (DLC) Schematics