| Figure 1: |
B+ Bus Bar
|
| Figure 2: |
IGN SW-BATT2, WIPER, AIR BAG, TURN LPS, IGN MOD,
B/U LP/BTSI, PCM IGN, F/P INJR, A/C BFC, AUTO TRANS, ABS/EVO/IGN Fuses
|
| Figure 3: |
IGN SW-BATT1, ERLS, HTR-A/C and CRANK Fuses
|
| Figure 4: |
PCM ACC and IPC/BFC ACC Fuses
|
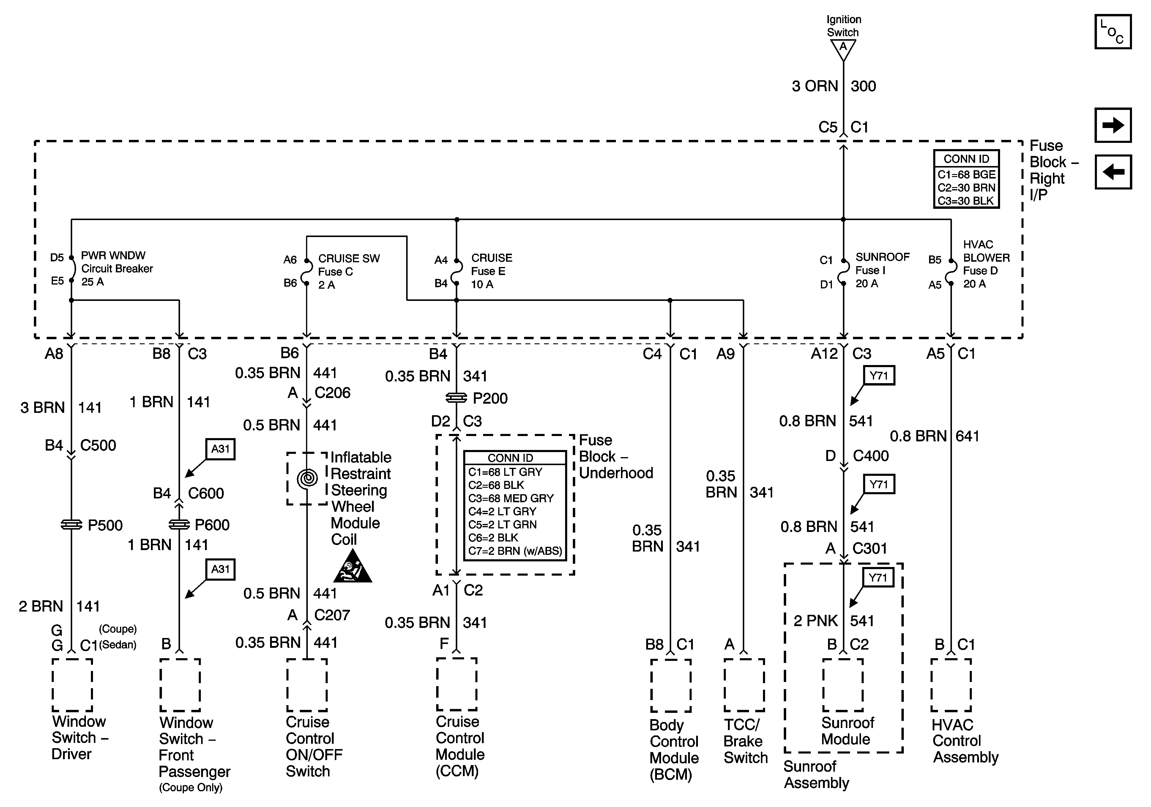
| Figure 5: |
PWR WINDW Circuit Breaker, CRUISE SW, CRUISE,
SUNROOF, and HVAC BLOWER Fuses
|
| Figure 6: |
L/H BEC BATT1. AUX PWR/CIGAR, PARK LPS, PCM BATT
Fuses
|
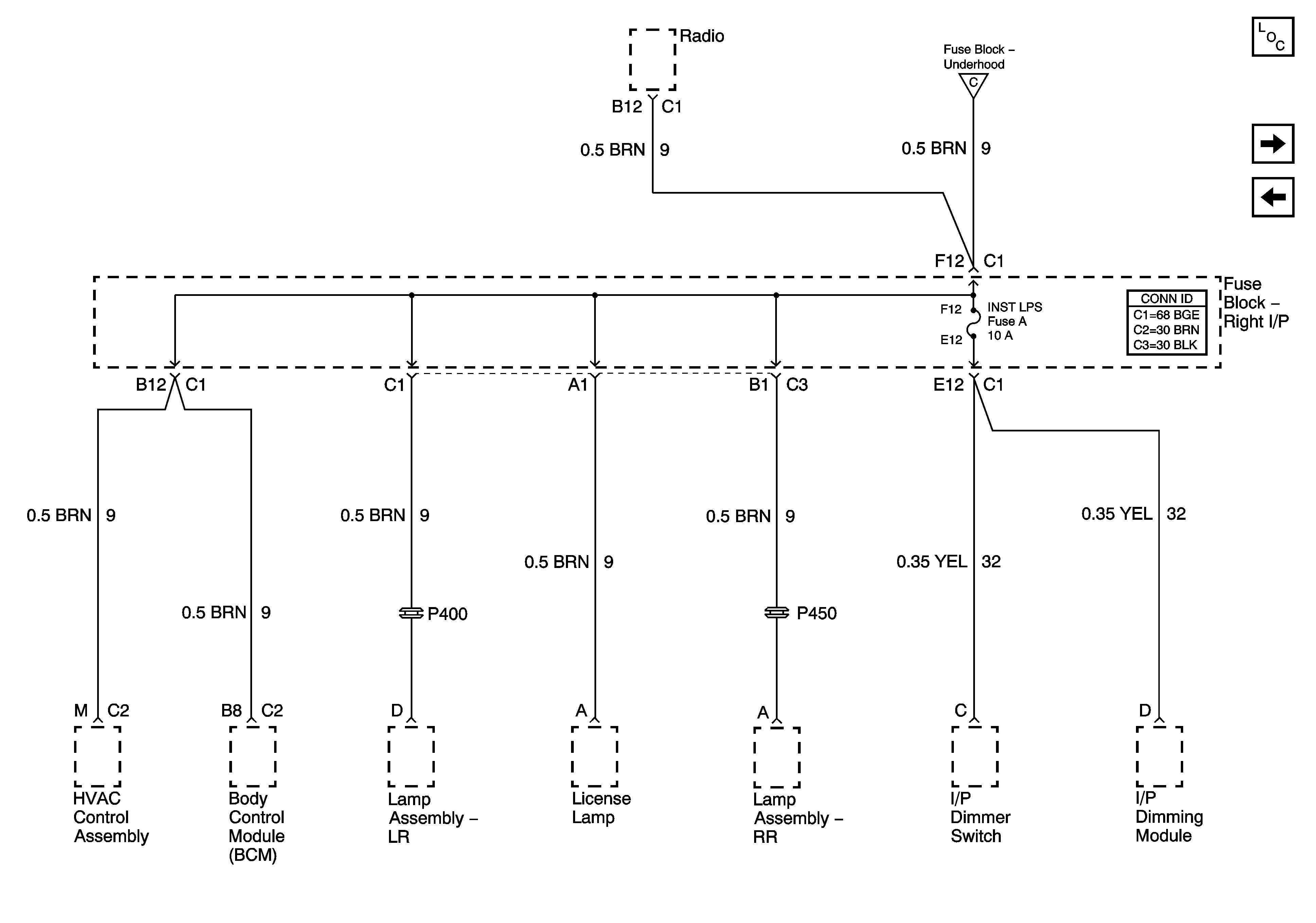
| Figure 7: |
INST LPS Fuse
|
| Figure 8: |
RH HDLP, LH HDLP, GEN BATT, L/H BEC BATT2, STOP
LPS. HAZARD LPS, IPC//HVAC BATT, BFC BATT Fuses
|
| Figure 9: |
RH BEC BATT, ABS, COOL FAN #2 GROUND (V6), INT
LPS, RADIO, BATT, and FOG LPS Fuses
|