GM Service Manual Online
For 1990-2009 cars only

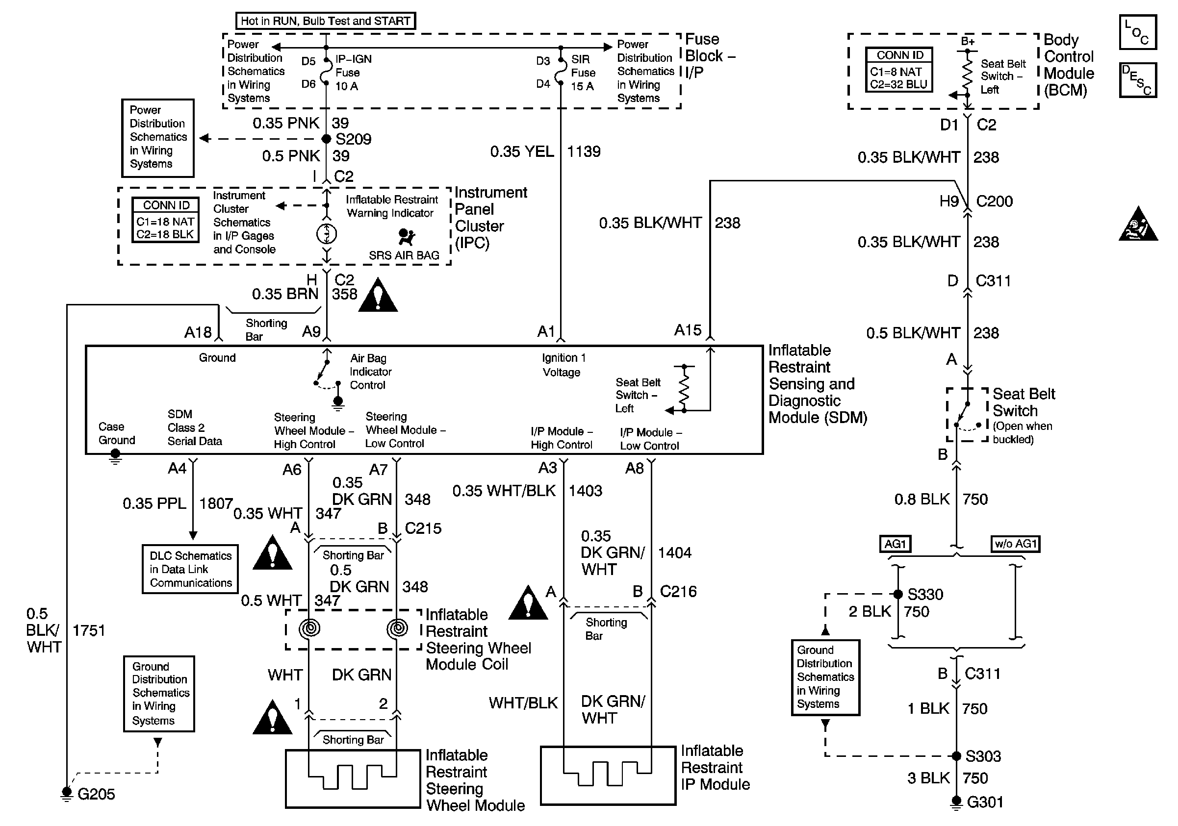
Object Number: 795057  Size: FS
Master Electrical Component List
SIR System Description and Operation
SIR Schematic Icons
IP-IGN, CRUISE, ECM Fuses
IGN MAIN 1, BTSI, DRL, CANISTER VENT, PWR DROP, TURN, SIR Fuses
IP-IGN, CRUISE, ECM Fuses
Indicators
SIR Schematic Icons
Data Link Communications
SIR Schematic Icons
G205
SIR Schematic Icons
SIR Schematic Icons
G301