GM Service Manual Online
For 1990-2009 cars only
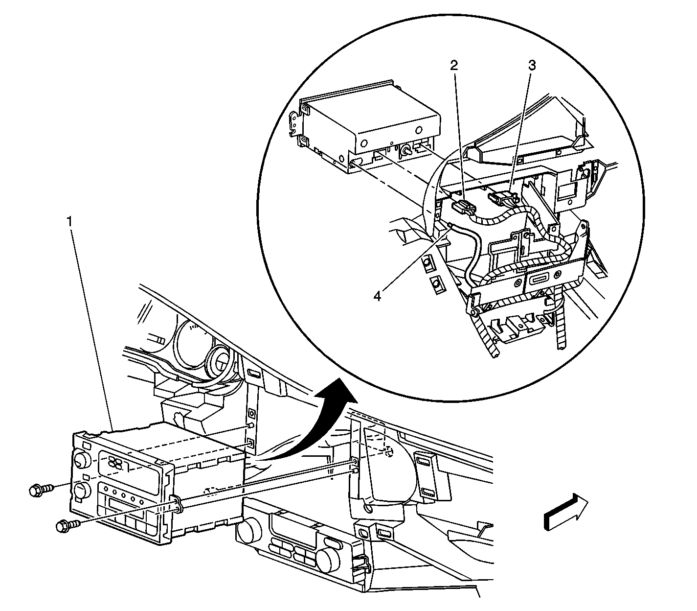
Figure 1:

Center of I/P


Object Number: 591839  Size: LF
(1)Radio
(2)Radio Harness, C3
(3)Radio Harness, C1 and C2
(4)Radio Antenna Coax Cable
Figure 2:

Below Rear Window Deck (w/U85)


Object Number: 374767  Size: LF
(1)Audio Amplifier, C2
(2)Audio Amplifier, C1
(3)Audio Amplifier
Figure 3:

Front of Steering Wheel


Object Number: 374747  Size: LF
(1)Inflatable Restraint Steering Wheel Module Connector
(2)Steering Wheel Controls Connector
(3)Inflatable Restraint Steering Wheel Module
(4)Horn Connector Spring Loaded Contact
(5)Inflatable Restraint Steering Wheel Module Coil
Figure 4:

Left Front Door (Right Similar) (w/o U85)


Object Number: 591843  Size: LF
(1)Speaker - LF Door
(2)Speaker - LF Door, Connector
(3)Speaker Housing
(4)Speaker - LF Door Tweeter, Inline Connector
Figure 5:

Left Front Door (Right Similar) (W/U85)


Object Number: 374838  Size: LF
(1)Speaker - LF Door, Connector
(2)Speaker - LF Door
(3)Speaker - LF Door Tweeter, Connector
Figure 6:

Right Front Door (Left Similar)


Object Number: 787402  Size: LF
(1)Speaker - RF Door Tweeter
(2)Speaker - RF Door Tweeter, Connector
Figure 7:

Right Top Side of Rear Package Shelf (Left Similar)


Object Number: 591826  Size: LF
(1)Speaker - RR Subwoofer
(2)Speaker - RR
(3)Speaker - RR, Connector
(4)Speaker - RR Subwoofer, Connector