GM Service Manual Online
For 1990-2009 cars only
Makes
🢒
Pontiac
🢒
2004
🢒
Grand Prix
🢒 Turn Signal, Hazard and Stop Lamps
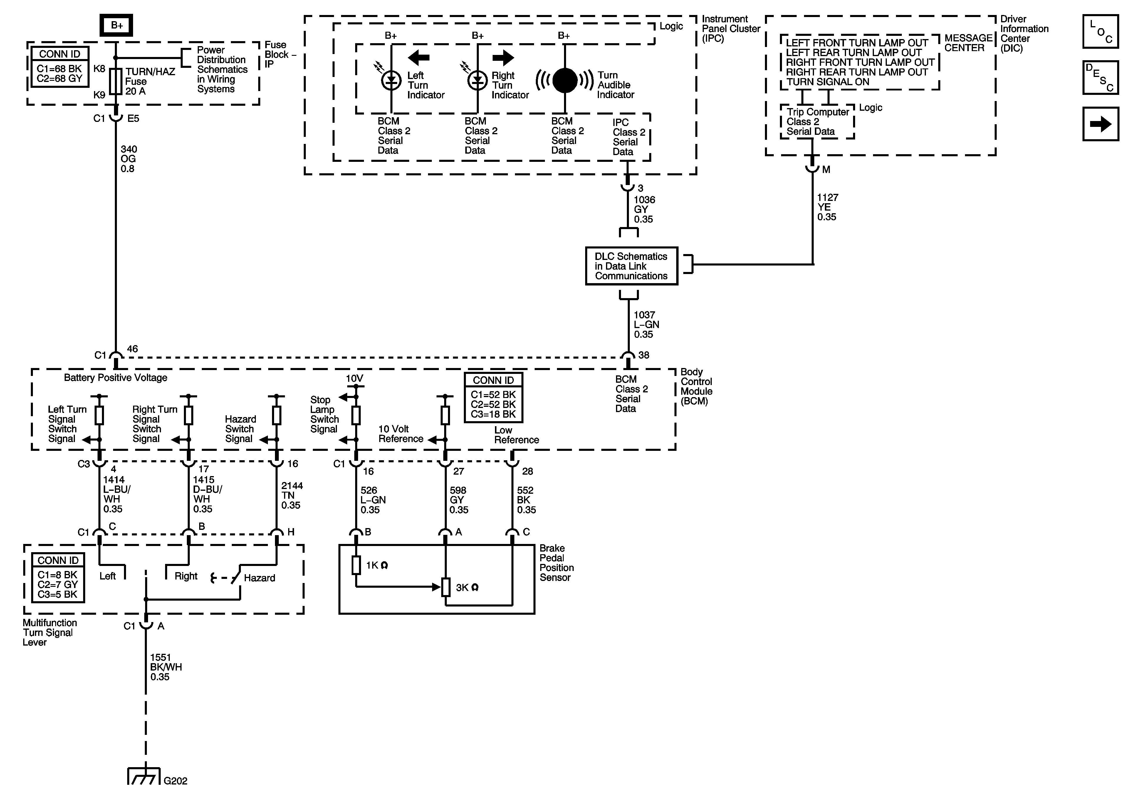
Turn Signal, Hazard and Stop Lamps
Turn Signal, Hazard and Stop Lamps Inputs
Master Electrical Component List
Exterior Lighting Systems Description and Operation
Turn Signal, Hazard and Stop Lamps Outputs
BATT MAIN 2, HTD SEAT, PWR MIRS, TURN/HAZ, DR LK/TRUNK, SUNROOF Fuses, PWR SEAT, PWR WDO Circuit Breakers, and RAP Relay
BATT MAIN 2, HTD SEAT, PWR MIRS, TURN/HAZ, DR LK/TRUNK, SUNROOF Fuses, PWR SEAT, PWR WDO Circuit Breakers, and RAP Relay
Data Link Connector (DLC) Schematics
G202