GM Service Manual Online
For 1990-2009 cars only
Figure 1:

Fuse Block - Underhood Bussing (L26, L32)


Object Number: 1647597  Size: FS
Master Electrical Component List
Control Module References
Fuse Block - Underhood Bussing
Figure 2:

Fuse Block - Underhood Bussing (LS4)


Object Number: 1647612  Size: FS
Master Electrical Component List
Control Module References
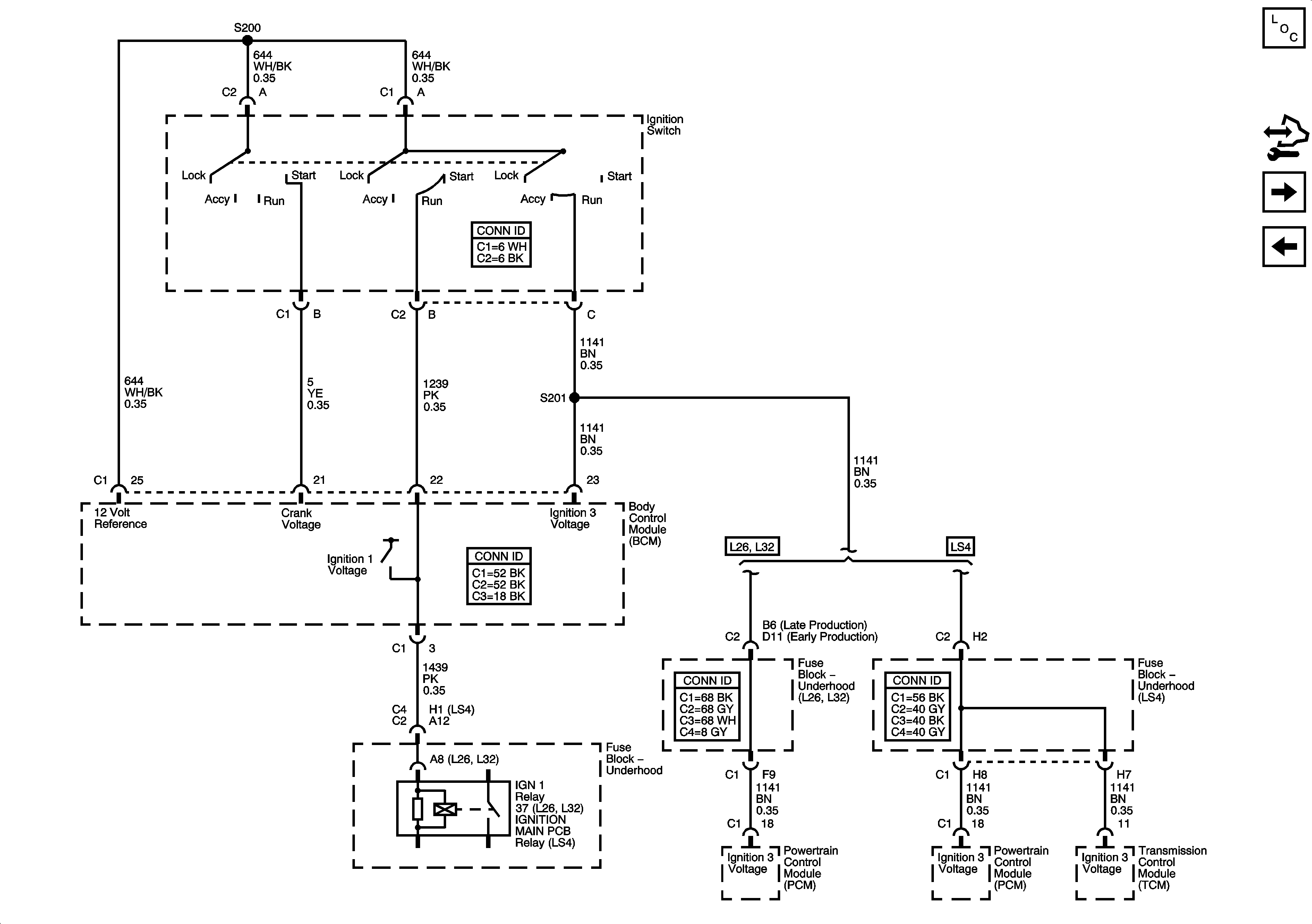
Ignition Switch
Fuse Block Underhood Bussing
Figure 3:

Ignition Switch


Object Number: 1647599  Size: FS
Master Electrical Component List
Control Module References
BATT MAIN 1, PK LAMPS, DISPLAS, CHMSL/BKUP, INT LIGHT, RFA MOD, RADIO/AMP, ONSTAR/ALDL, HVAC, CANISTER Fuses AND PKLP RELAY
Fuse Block - Underhood Bussing
Figure 4:

BATT MAIN 1, BATT 1, PK LAMPS, DISPLAYS, CHMSL/BKUP, INT LIGHT, RFA/MOD, RADIO/AMP, ONSTAR/ALDL, HVAC, CANISTER Fuses, and PK LP Relay


Object Number: 1647600  Size: FS
Master Electrical Component List
Control Module References
BATT MAIN 2, HDT SEAT, PWR MIRS, TURN/HAZ, DR LK/TRUN, SUNROOF Fuses, PWR SEAT, PWR WDO Circuit Breakers, and RAP Relay
Ignition Switch
Fuse Block Underhood Bussing
Fuse Block - Underhood Bussing
Figure 5:

BATT MAIN 2, BATT 2, HTD SEAT, PWR MIRS, TURN/HAZ, DR LK/TRUNK, SUNROOF Fuses, PWR SEAT, PWR WDO Circuit Breakers, and RAP Relay


Object Number: 1647602  Size: FS
Master Electrical Component List
Control Module References
BATT MAIN 3, BATT MAIN 4, ABS MTR, ABS SOL, PCM/ETC, AIR PUMP, WASHER RVC, and AUX PWR Fuses
BATT MAIN 1, PK LAMPS, DISPLAS, CHMSL/BKUP, INT LIGHT, RFA MOD, RADIO/AMP, ONSTAR/ALDL, HVAC, CANISTER Fuses AND PKLP RELAY
Fuse Block Underhood Bussing
Fuse Block Underhood Bussing
Fuse Block - Underhood Bussing
Fuse Block - Underhood Bussing
Figure 6:

BATT MAIN 3, BATT MAIN 4, ABS MTR, ABS SOL, PCM/ETC, AIR PUMP, WASHER/RVC, and AUX PWR Fuses (L26, L32)


Object Number: 1647603  Size: FS
Master Electrical Component List
Control Module References
BATT 3, BATT 4, ABS MTR, ABS SOL, ECM/TCM/WSW/RVC, and AUX PWR Fuses
BATT MAIN 2, HDT SEAT, PWR MIRS, TURN/HAZ, DR LK/TRUN, SUNROOF Fuses, PWR SEAT, PWR WDO Circuit Breakers, and RAP Relay
Fuse Block Underhood Bussing
Fuse Block Underhood Bussing
Figure 7:

BATT 3, BATT 4, ABS MTR, ABS SOL, ECM/TCM, WSW/RVC, and AUX PWR Fuses (LS4)


Object Number: 1647615  Size: FS
Master Electrical Component List
Control Module References
ABS, TRANS SOL, PCM, SIR, DISPLAY, CRUISE SW Fuses, and CRANK Relay
BATT MAIN 3, BATT MAIN 4, ABS MTR, ABS SOL, PCM/ETC, AIR PUMP, WASHER RVC, and AUX PWR Fuses
Fuse Block - Underhood Bussing
Fuse Block - Underhood Bussing
Figure 8:

ABS, TRANS SOL, PCM, SIR, DISPLAY, CRUISE SW Fuses, and CRANK Relay (L26, L32)


Object Number: 1647606  Size: FS
Master Electrical Component List
Control Module References
ABS, TRANS, ECM IGN, AIRBAG/DISPLAY, COMPASS, HVAC Fuses and STRTR Relay
BATT 3, BATT 4, ABS MTR, ABS SOL, ECM/TCM/WSW/RVC, and AUX PWR Fuses
Fuse Block Underhood Bussing
Fuse Block Underhood Bussing
Power and Grounding Schematic Icons
Power and Grounding Schematic Icons
Figure 9:

ABS, TRANS, ECM IGM, AIR BAG/DISPLAY, COMPASS, HVAC Fuses, and STRTR Relay (LS4)


Object Number: 1647616  Size: FS
Master Electrical Component List
Control Module References
ETC, ELEC IGN, FUEL INJ, O2 SSR, and EMISSION Fuses
ABS, TRANS SOL, PCM, SIR, DISPLAY, CRUISE SW Fuses, and CRANK Relay
Fuse Block - Underhood Bussing
Power and Grounding Schematic Icons
Power and Grounding Schematic Icons
Figure 10:

ETC, ELEK IGN, FUEL INJ, 02 SSR, and EMISSION Fuses (L26, L32)


Object Number: 1647607  Size: FS
Master Electrical Component List
Control Module References
, INJ 2, EMISSION1, EMISSION2 Fuses, and COMPRSR Relay
ABS, TRANS, ECM IGN, AIRBAG/DISPLAY, COMPASS, HVAC Fuses and STRTR Relay
Fuse Block Underhood Bussing
Figure 11:

ETC/ECM, INJ 1 and INJ 2 Fuses (LS4)


Object Number: 1647617  Size: FS
Master Electrical Component List
Control Module References
EMISSIONS1, EMISSIONS2, A/C COMPRSR Fuses, and A/C CMPRSR Relay
ETC, ELEC IGN, FUEL INJ, O2 SSR, and EMISSION Fuses
Fuse Block - Underhood Bussing
Fuse Block - Underhood Bussing
Figure 12:

EMISSIONS1, EMISSIONS2, A/C CMPRSR Fuses and A/C CMPRSR Relay (LS4)


Object Number: 1647619  Size: FS
Master Electrical Component List
Control Module References
LF LOW BEAM RF LOW BEAM, LF HIGH BEAM, RF HIGH BEAM, and SPRING COIL 2 Fuses
, INJ 2, EMISSION1, EMISSION2 Fuses, and COMPRSR Relay
Fuse Block - Underhood Bussing
Fuse Block - Underhood Bussing
Figure 13:

LF LOW BEAM, RF LOW BEAM, LF HI BEAM, RF HI BEAM, LT LOW BEAM, RT LOW BEAM, LT HI BEAM, RT HI BEAM and SPRING COIL 2 Fuses


Object Number: 1647609  Size: FS
Master Electrical Component List
Control Module References
HORN, FOG LAMPS, FUEL PUMP Fuses, HORN PCB, FOG LAMP PCB and FUEL PUMP Relays
EMISSIONS1, EMISSIONS2, A/C COMPRSR Fuses, and A/C CMPRSR Relay
Fuse Block Underhood Bussing
Fuse Block Underhood Bussing
Fuse Block - Underhood Bussing
Fuse Block - Underhood Bussing
Interior Lamp Switch, I/P and Driver Door Lighting
Interior Lamp Switch, I/P and Driver Door Lighting
Power and Grounding Schematic Icons
Figure 14:

HORN, FOG LAMPS, FUEL PUMP Fuses, HORN PCB, FOG LAMP PCB and FUEL PUMP Relays (LS4)


Object Number: 1647621  Size: FS
Master Electrical Component List
Control Module References
LF LOW BEAM RF LOW BEAM, LF HIGH BEAM, RF HIGH BEAM, and SPRING COIL 2 Fuses
Fuse Block - Underhood Bussing
Fuse Block - Underhood Bussing