GM Service Manual Online
For 1990-2009 cars only
Figure 1:

Electric Passenger Only (DG2/DNB)


Object Number: 1931632  Size: FS
Figure 2:

Driver and Passenger Electric (DL6)


Object Number: 1931639  Size: FS
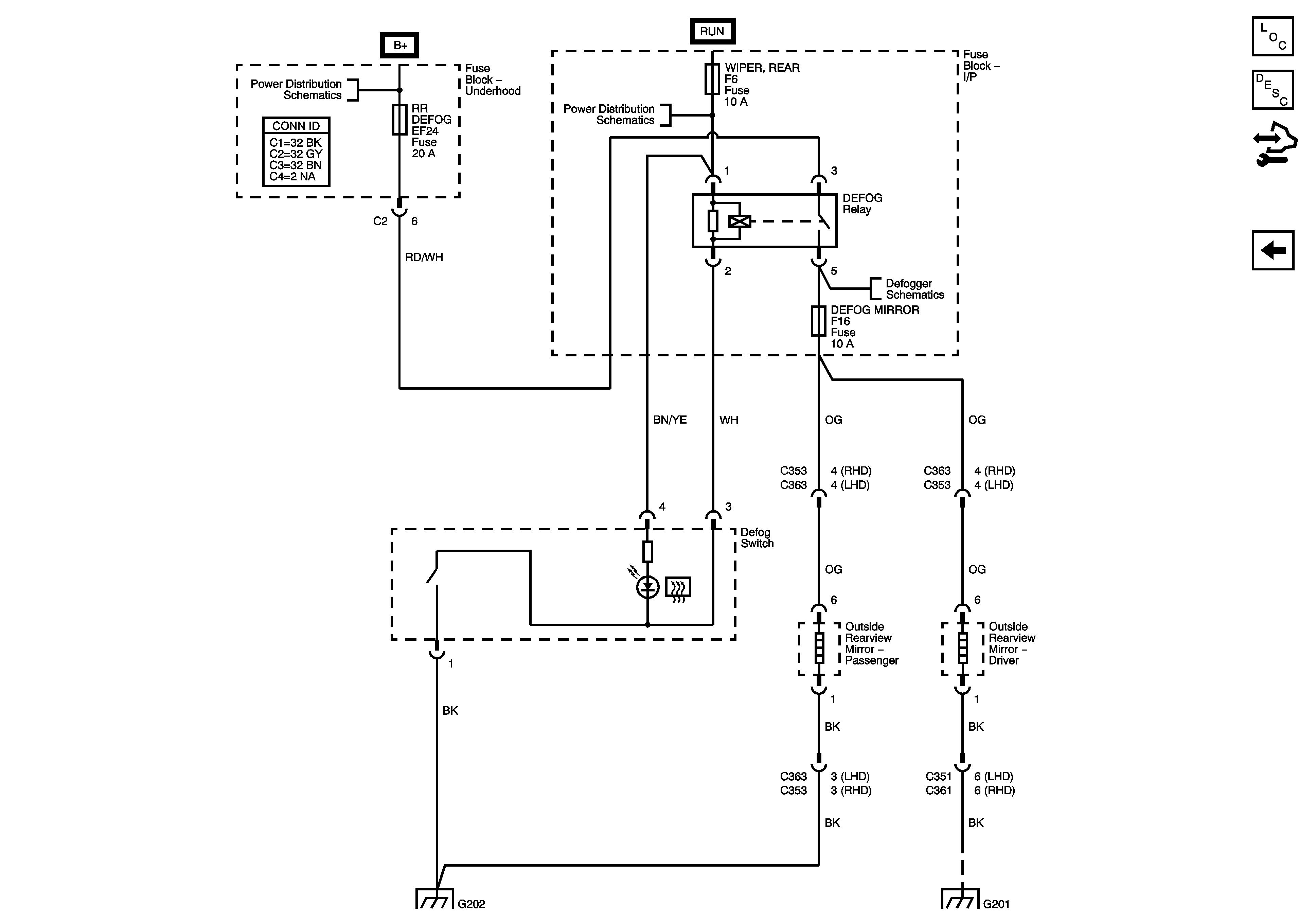
Figure 3:

Heated Mirrors


Object Number: 1931662  Size: FS