GM Service Manual Online
For 1990-2009 cars only
Makes
🢒
Pontiac
🢒
2008
🢒
Solstice
🢒
Safety and Security
🢒
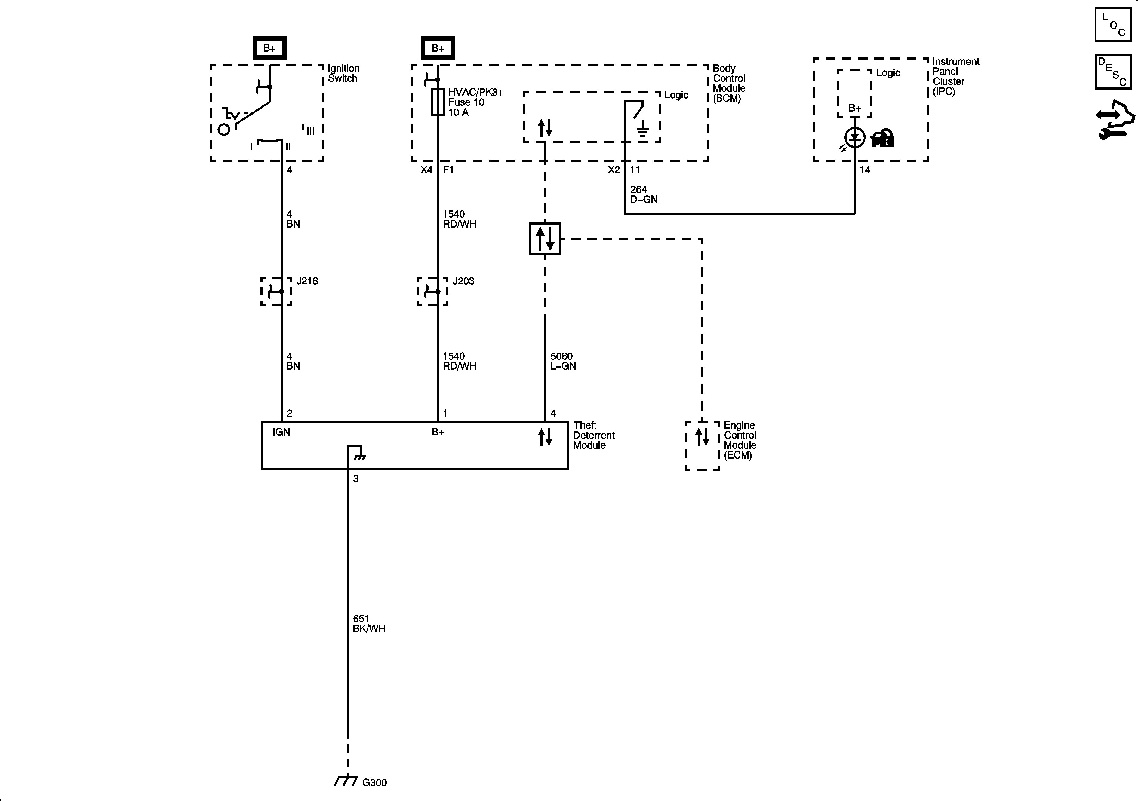
Immobilizer
🢒 Immobilizer Schematics
Master Electrical Component List
Immobilizer Description and Operation
Control Module References