GM Service Manual Online
For 1990-2009 cars only
Makes
🢒
Pontiac
🢒
2002
🢒
Sunfire
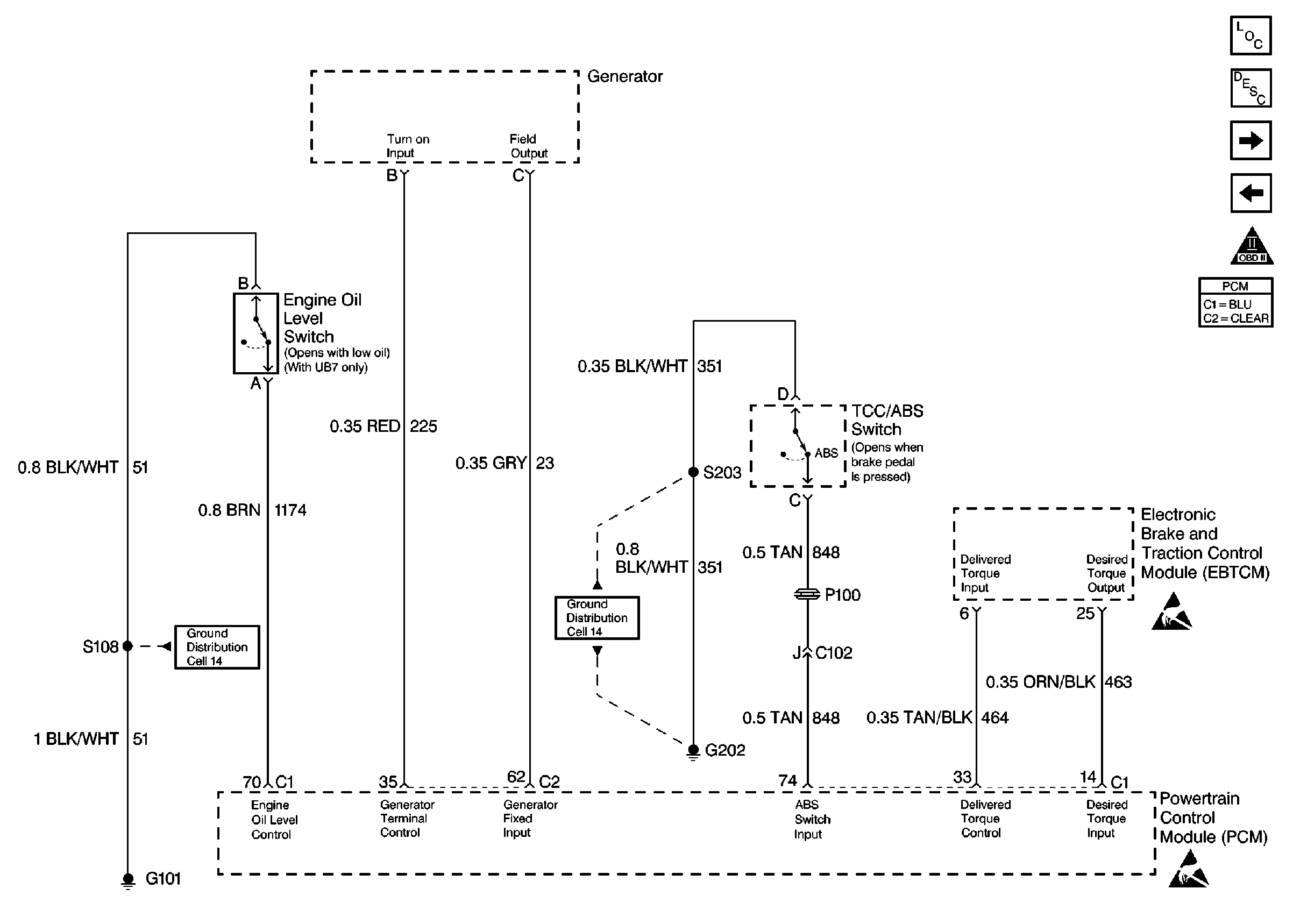
🢒 PCM Oil Level Switch, Generator, TCC/ABS Switch, and EBTCM Control - VIN 1 and K
PCM Oil Level Switch, Generator, TCC/ABS Switch, and EBTCM Control - VIN 1 and K
PCM Oil Level Switch, Generator, TCC/ABS Switch, and EBTCM Control -- VIN 1 and K
Engine Controls Components
Information Sensors
PCM A/C Pressure Switch and Compressor Control - VIN 1 and K
PCM Cruise Control Module and VSS Control - VIN 1 and K
OBD II Symbol Description Notice
Handling ESD Sensitive Parts Notice
Handling ESD Sensitive Parts Notice
Engine Controls Schematic References
Engine Controls Schematic References