GM Service Manual Online
For 1990-2009 cars only
Makes
🢒
Pontiac
🢒
2006
🢒
Torrent
🢒 Starting
Starting
Starting
Master Electrical Component List
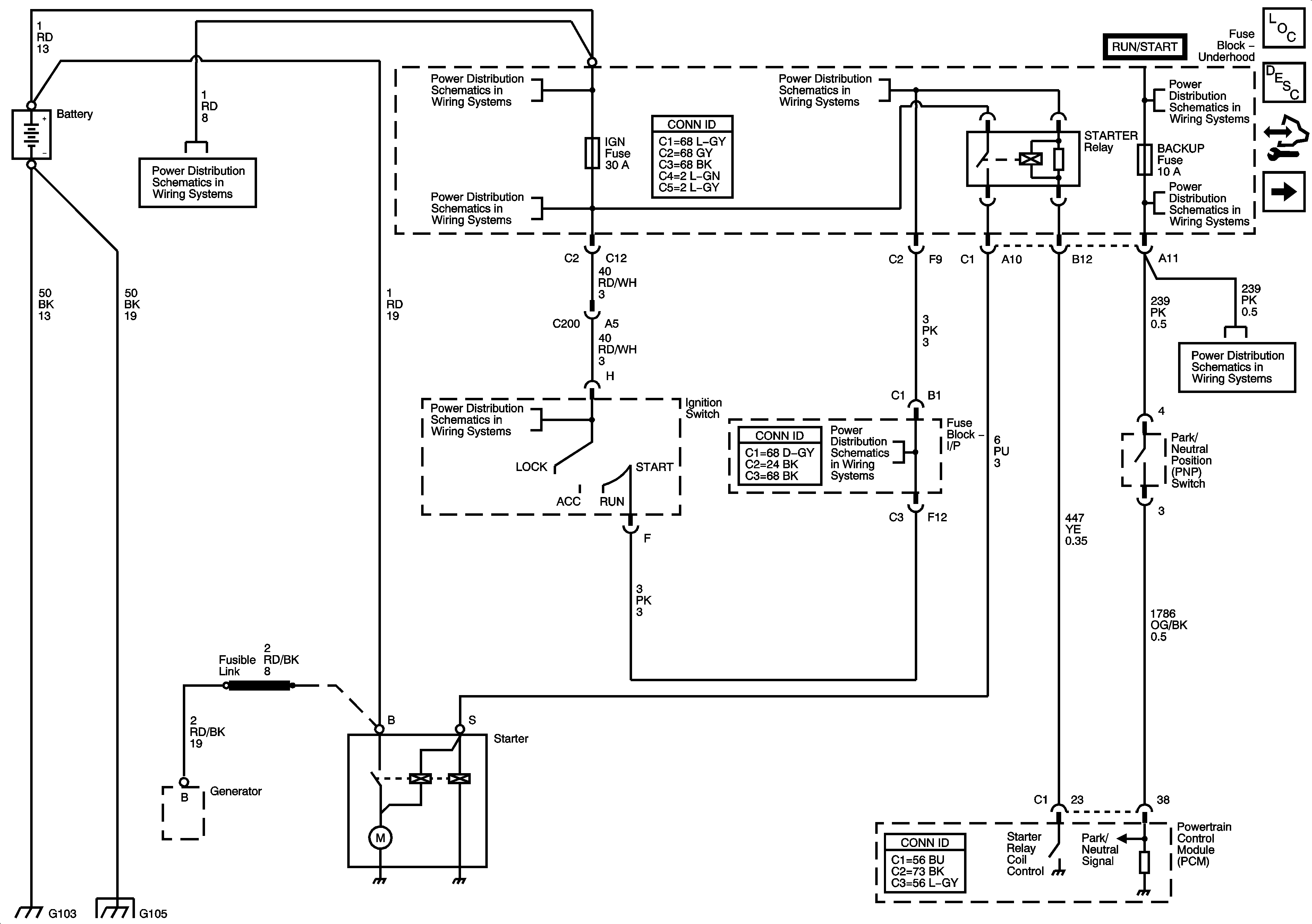
Starting System Description and Operation
Control Module References
Charging, Indicators
B+ Bus and EPS Fuse
B+ Bus and EPS Fuse
IGN FUSE, Ignition Switch and Ignition Circuits
IGN FUSE, Ignition Switch and Ignition Circuits
IGN FUSE, Ignition Switch and Ignition Circuits
BACKUP, PWR TRAIN, ENG IGN and 10A ABS Fuse
BACKUP, PWR TRAIN, ENG IGN and 10A ABS Fuse
IGN FUSE, Ignition Switch and Ignition Circuits
IGN FUSE, Ignition Switch and Ignition Circuits
G103, G105, G107 and G207