GM Service Manual Online
For 1990-2009 cars only
Figure 1:

Starting System


Object Number: 785547  Size: FS
Master Electrical Component List
Starting System Description and Operation
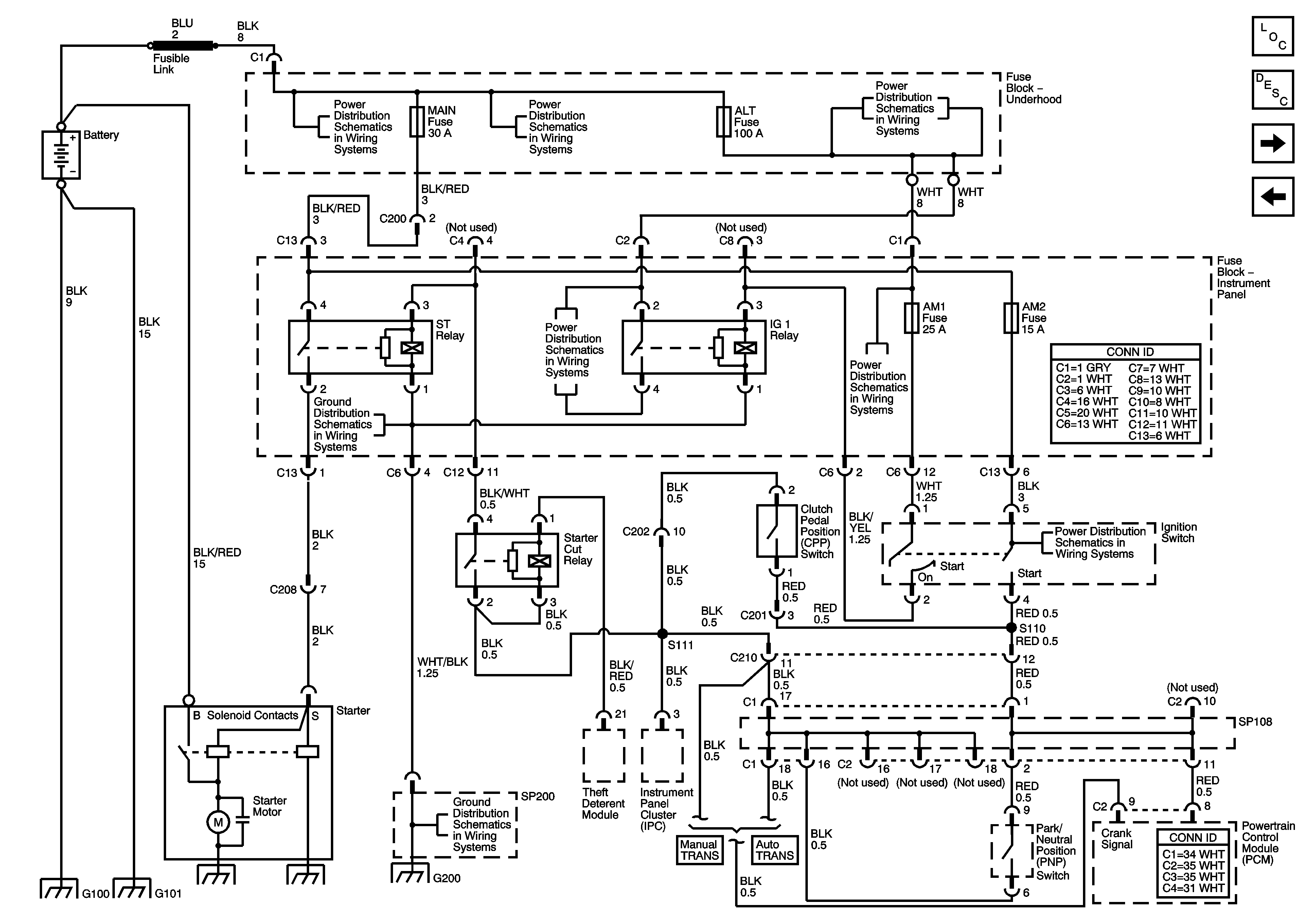
Starting System w/Theft Deterent
Horn, Dome, Main, Amp Fuses
Horn, Dome, Main, Amp Fuses
Alt, ABS 2, RDI Fan, ABS 1, Fog Fuses
Fuse Block-Instrument Panel
Wash, RR Wip, Wiper, ECU-IG, Gauge, Heater, Def Fuses
Power, AM 1, Door, Tail, P/Point, ECU-B, Stop, OBD, INV Fuses
Ignition Switch (1 of 2)
SP200 and G200
Figure 2:

Starting System with Theft Deterent


Object Number: 785626  Size: FS
Master Electrical Component List
Starting System Description and Operation
Charging System
Starting System
Horn, Dome, Main, Amp Fuses
Horn, Dome, Main, Amp Fuses
Alt, ABS 2, RDI Fan, ABS 1, Fog Fuses
Fuse Block-Instrument Panel
Wash, RR Wip, Wiper, ECU-IG, Gauge, Heater, Def Fuses
Power, AM 1, Door, Tail, P/Point, ECU-B, Stop, OBD, INV Fuses
SP200 and G200
Ignition Switch (1 of 2)
Figure 3:

Charging System


Object Number: 785548  Size: FS
Master Electrical Component List
Charging System Description and Operation
Starting System w/Theft Deterent
Air Pump, Headlamps, Alt S, EFI, Hazard Fuses
Horn, Dome, Main, Amp Fuses
Ignition Switch (1 of 2)
Ignition Switch (2 of 2)
Charge, Air Bag, Malfunction O/D Off, Cruise Indicators
DRL Control Module, Ambient Light Sensor
Horn, Dome, Main, Amp Fuses
Alt, ABS 2, RDI Fan, ABS 1, Fog Fuses
Wash, RR Wip, Wiper, ECU-IG, Gauge, Heater, Def Fuses
Junction Block-Instrument Panel Right
Junction Block-Instrument Panel Right