GM Service Manual Online
For 1990-2009 cars only
Makes
🢒
Pontiac
🢒
2004
🢒
Vibe - AWD
🢒
Accessories
🢒
Power Outlets
🢒 Cigar Lighter/Power Outlet Schematics
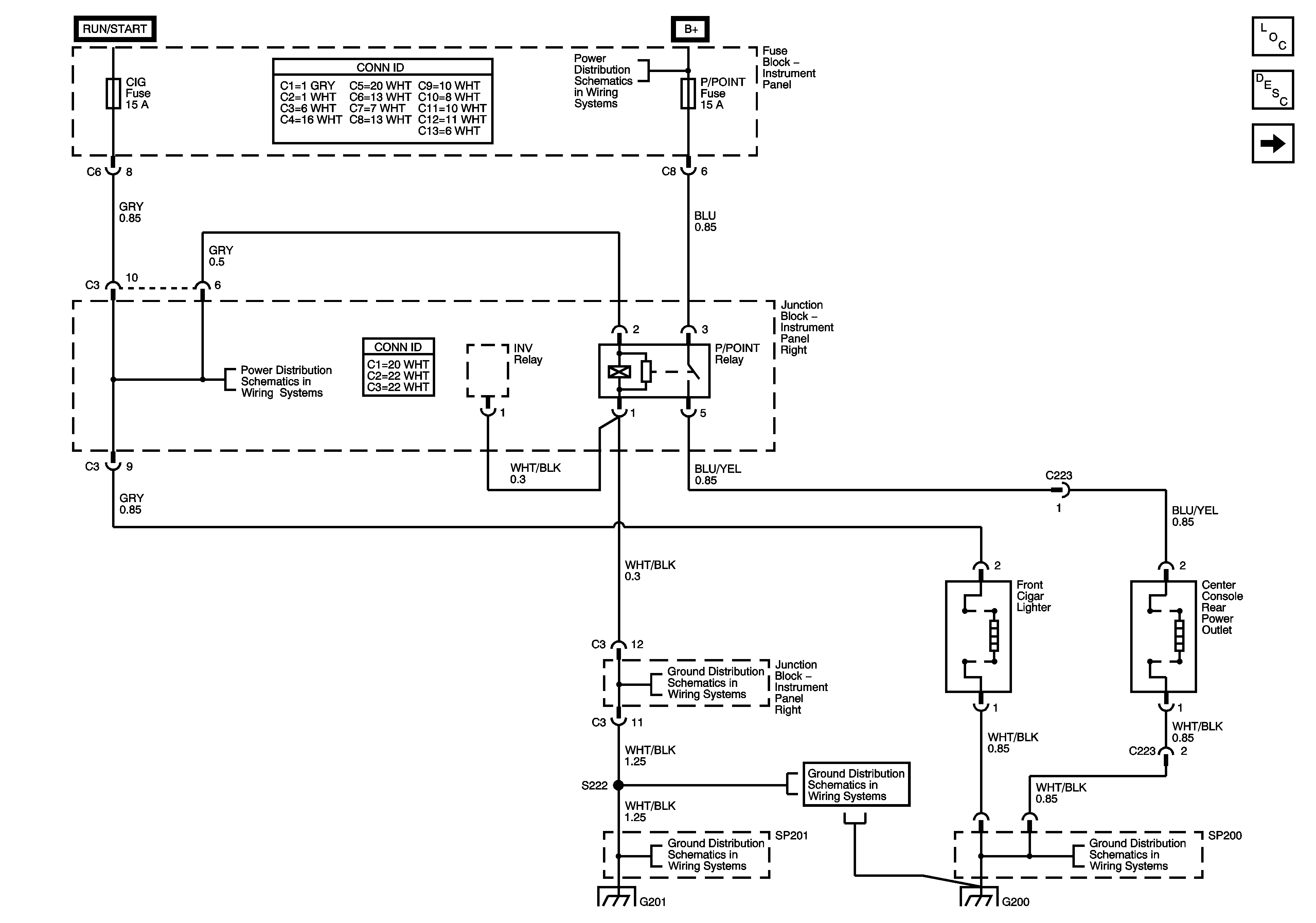
Figure
1:
Cigar Lighter
Master Electrical Component List
Power Outlets Description and Operation
115 Volt Power Outlet
Ignition Switch (1 of 2)
Power, AM 1, Door, Tail, P/Point, ECU-B, Stop, OBD, INV Fuses
Junction Block-Instrument Panel Right
SP201 and G201
SP201 and G201
SP200 and G200
Figure
2:
115 Volt Power Outlet
Master Electrical Component List
Cigar Lighter
Wash, RR Wip, Wiper, ECU-IG, Gauge, Heater, Def Fuses
Junction Block-Instrument Panel Right
Illumination Lamps
Junction Block-Instrument Panel Right
Junction Block-Instrument Panel Right
SP201 and G201
Junction Block-Instrument Panel Left
SP200 and G200