GM Service Manual Online
For 1990-2009 cars only
Makes
🢒
Pontiac
🢒
2004
🢒
Vibe - AWD
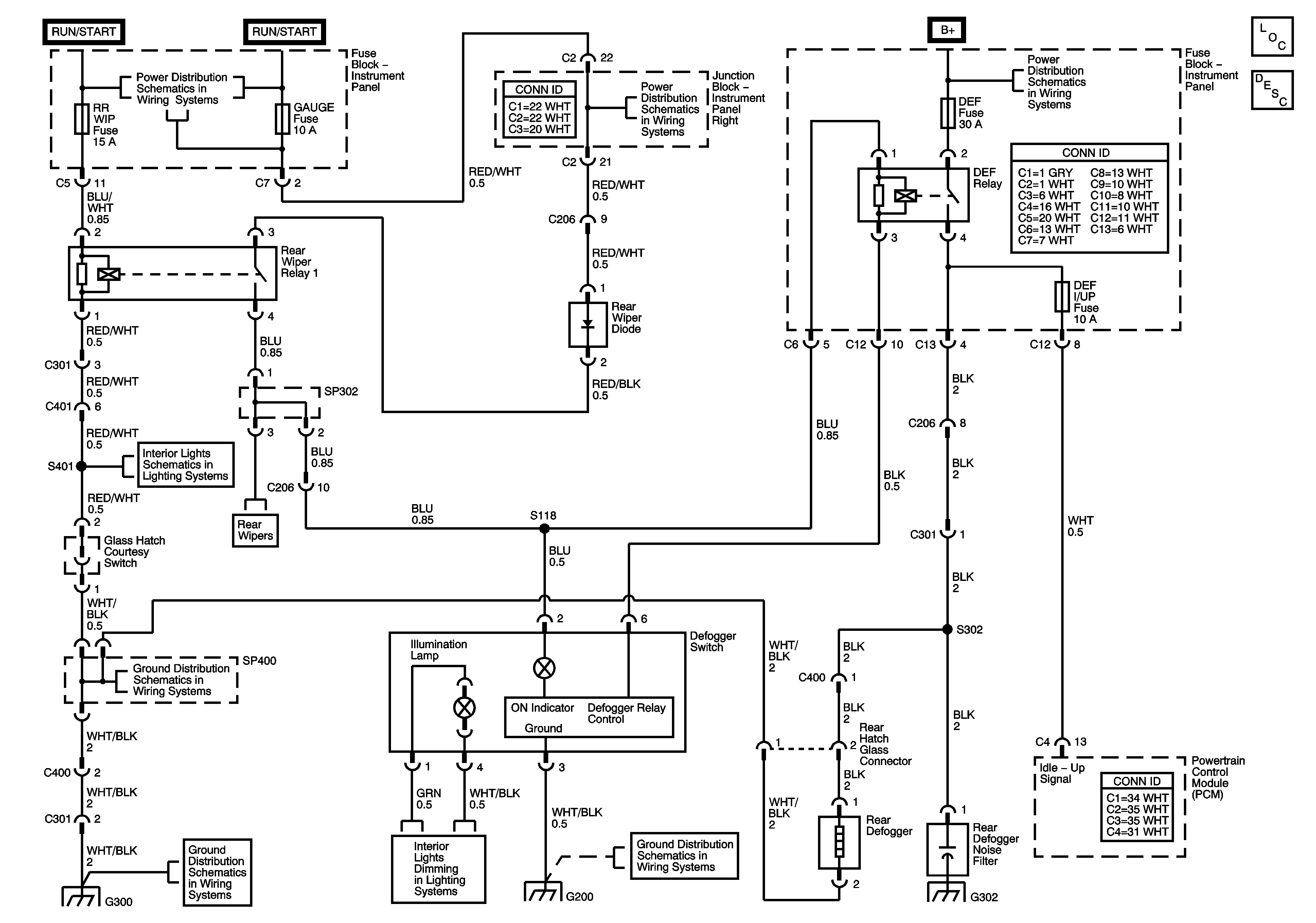
🢒 Defogger Schematic
Defogger Schematic
Master Electrical Component List
Rear Window Defogger Description and Operation
Wash, RR Wip, Wiper, ECU-IG, Gauge, Heater, Def Fuses
Dome/Courtesy Lamp Switches
Rear Wiper System
SP400
G202, G300, G301 and G302
IP Lamp Dimmer
SP200 and G200
Junction Block-Instrument Panel Right
Wash, RR Wip, Wiper, ECU-IG, Gauge, Heater, Def Fuses