GM Service Manual Online
For 1990-2009 cars only
Makes
🢒
Pontiac
🢒
2004
🢒
Vibe - AWD
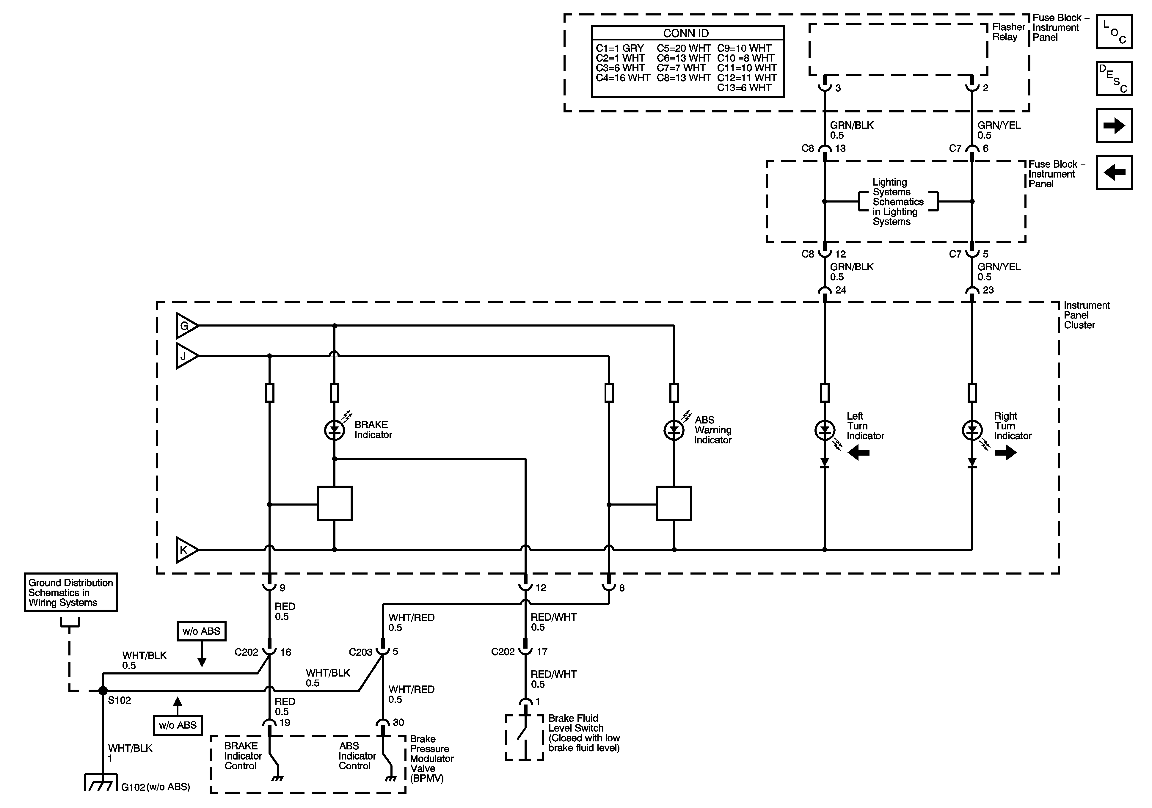
🢒 Brake, ABS, Turn Indicators
Brake, ABS, Turn Indicators
Brake, ABS, Turn Indicators
Master Electrical Component List
Instrument Panel Description
Tachometer, Speedometer and Headlamps ON Indicator
Charge, Air Bag, Malfunction O/D Off, Cruise Indicators
Turn Indicators and Lamps
G100, G101 and G102