GM Service Manual Online
For 1990-2009 cars only
Makes
🢒
Pontiac
🢒
2004
🢒
Vibe - AWD
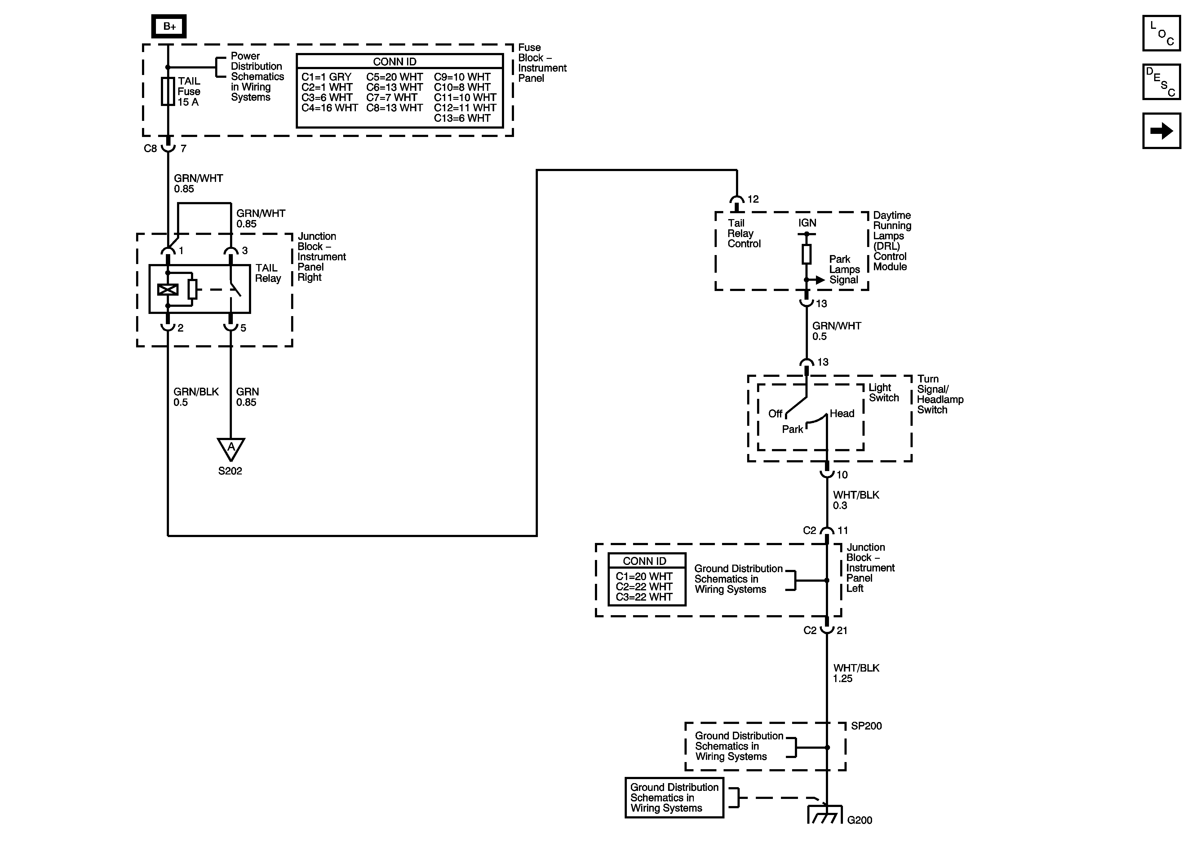
🢒 Tail Relay and Turn Signal/Headlamp Switch
Tail Relay and Turn Signal/Headlamp Switch
Tail Relay, Turn Signal/Headlamp Switch
Master Electrical Component List
Exterior Lighting Systems Description and Operation
Park Lamps
Power, AM 1, Door, Tail, P/Point, ECU-B, Stop, OBD, INV Fuses
Junction Block-Instrument Panel Left
SP200 and G200
SP200 and G200