GM Service Manual Online
For 1990-2009 cars only
Makes
🢒
Pontiac
🢒
2009
🢒
Vibe - AWD
🢒
Diagnostic Navigation
🢒
Vehicle Diagnostic Information
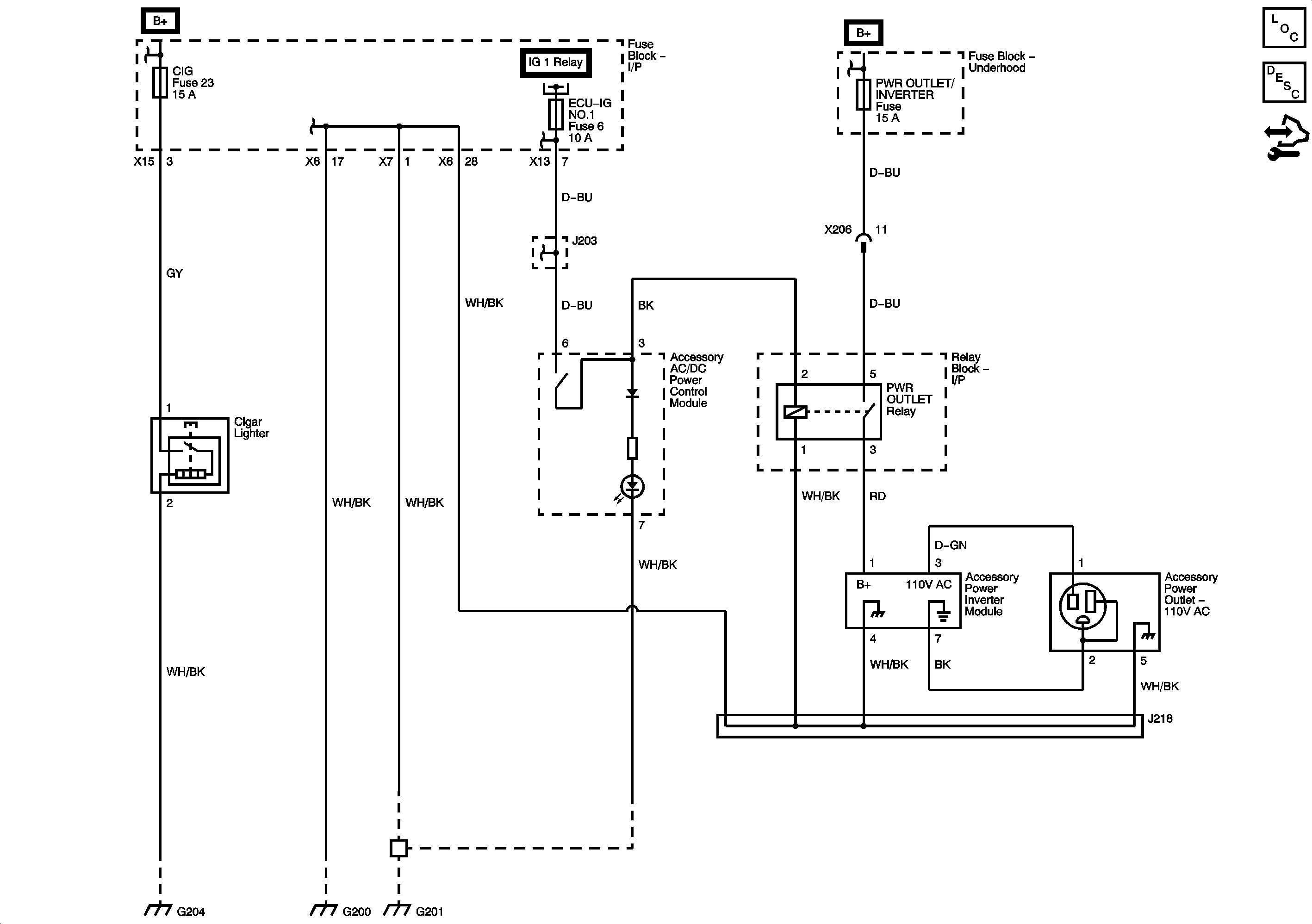
🢒 Cigar Lighter/Power Outlet Schematics