GM Service Manual Online
For 1990-2009 cars only
Makes
🢒
Pontiac
🢒
2009
🢒
Vibe - AWD
🢒
Body Systems
🢒
Vehicle Access
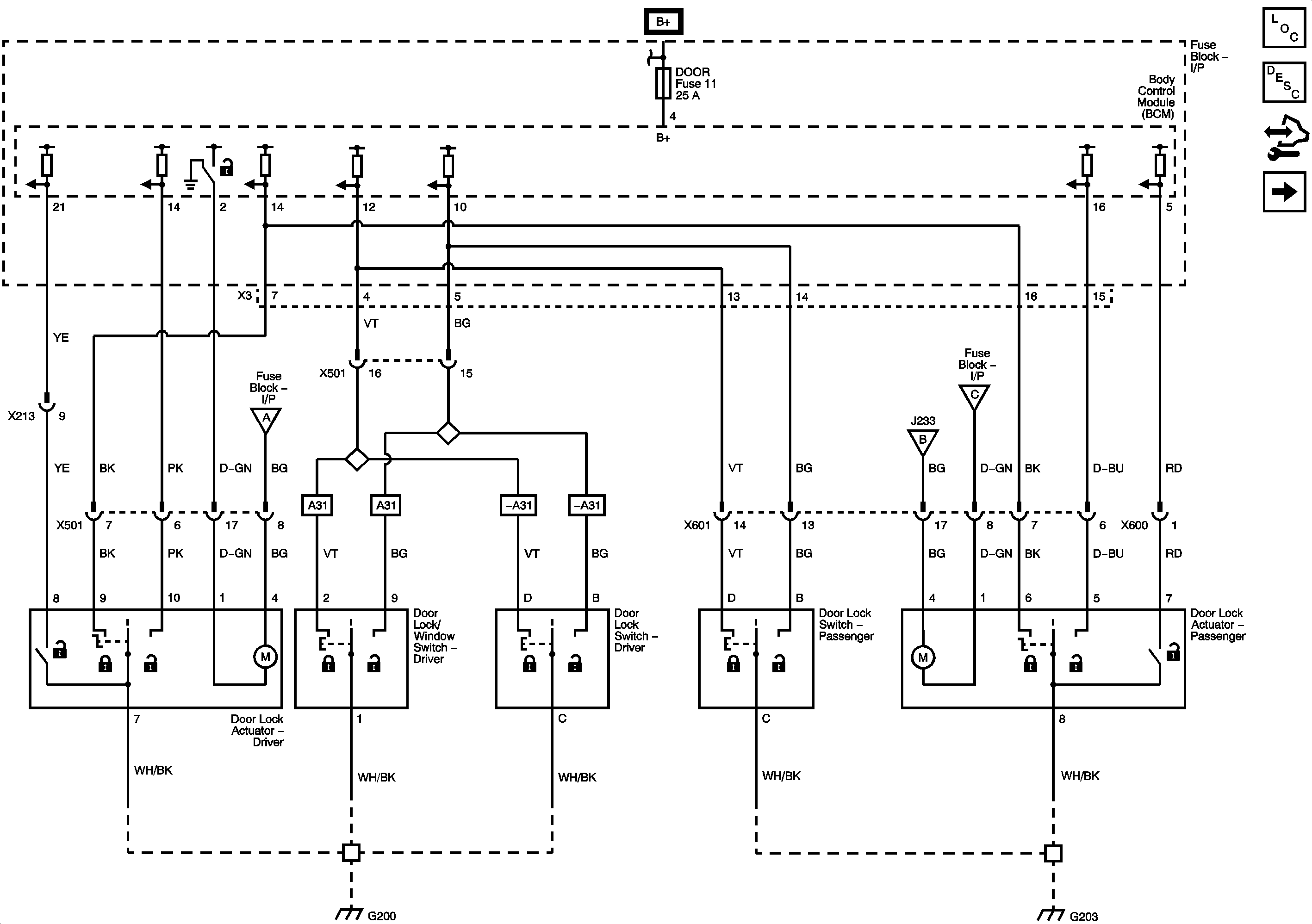
🢒 Door Lock/Indicator Schematics
Figure
1:
Door Locks 1 of 2
Figure
2:
Door Locks 2 of 2