GM Service Manual Online
For 1990-2009 cars only
Figure 1:

High Beam Door Open, Engine Coolant Temperature (ECT) Indicators


Object Number: 1426362  Size: FS
Master Electrical Component List
Instrument Cluster Description and Operation
Control Module References
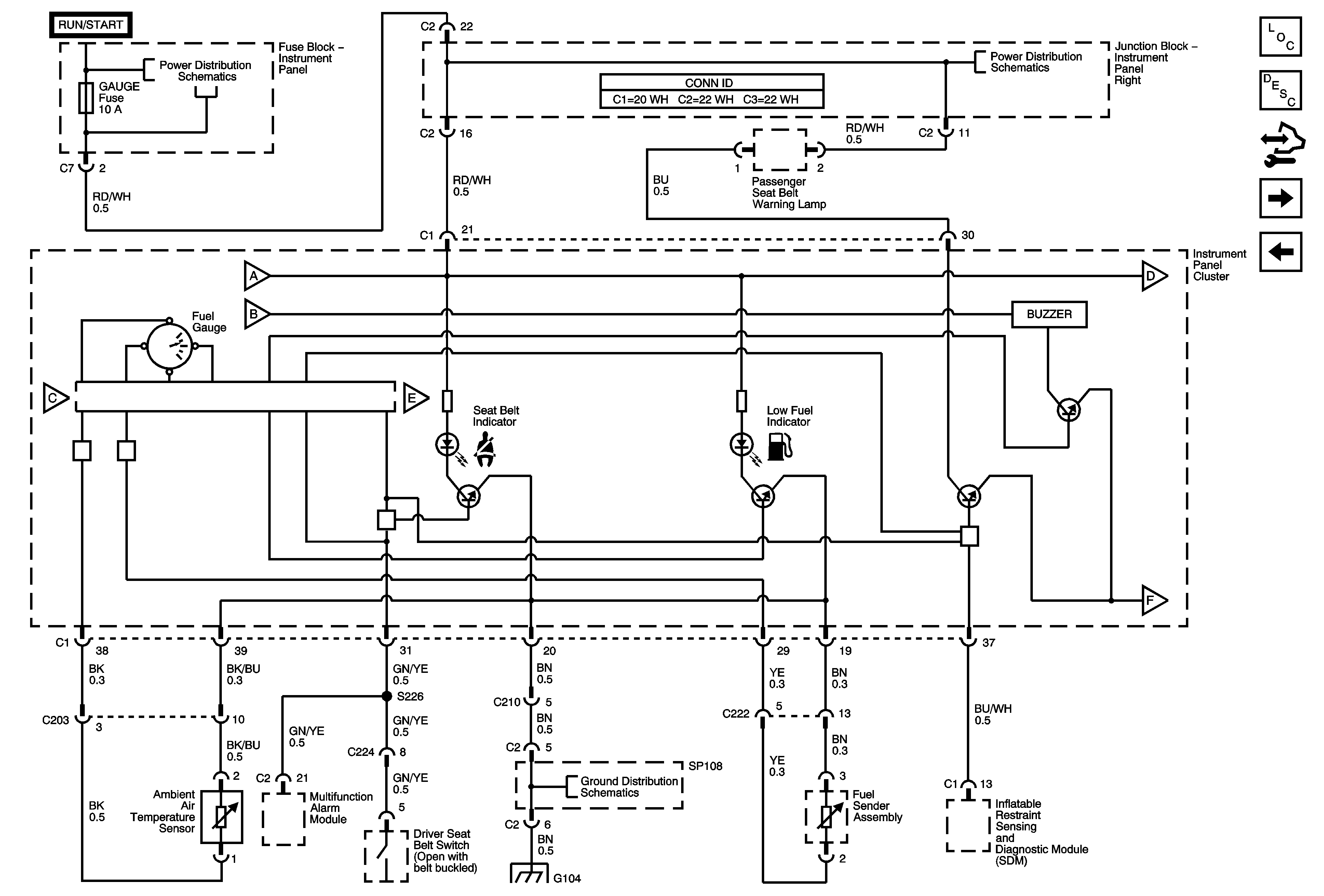
Fuel Gage, Seat Belt, Low Fuel, Passenger Seat Belt Indicators
Air Pump, ETCS, Head, Alt S, EFI, Hazard EFI 2 Fuses
Horn, Dome, Main, Amp, OnStar Fuses
Horn, Dome, Main, Amp, OnStar Fuses
Horn, Dome, Main, Amp, OnStar Fuses
Dome/Courtesy Lamp Switches
Back Up Lamps
Dome/Courtesy Lamp Switches
Figure 2:

Fuel Gage, Seat Belt, Low Fuel, Passenger Seat Belt Indicators


Object Number: 1426365  Size: FS
Master Electrical Component List
Instrument Cluster Description and Operation
Control Module References
Low Washer Fluid Level, Oil Pressure Indicators, IPC Illumination
High Beam Door Open, Engine Coolant Temperature (ECT) Indicators
Wash, RR WIP, Wiper, ECU-IG, Gage, Heater, DEF Fuses
Junction Block - Instrument Panel Right
SP107, SP108, G104
SP107, SP108, G104
Figure 3:

Low Washer Fluid Level, Oil Pressure Indicators, IPC Illumination


Object Number: 1426371  Size: FS
Master Electrical Component List
Instrument Cluster Description and Operation
Control Module References
Charge, Air Bag, Malfunction, O/D OFF, Cruise Indicators
Fuel Gage, Seat Belt, Low Fuel, Passenger Seat Belt Indicators
Junction Block Instrument Panel - Left
SP200 and G200
Figure 4:

Charge, Air Bag, Malfunction, O/D OFF, Cruise Indicators


Object Number: 1426373  Size: FS
Master Electrical Component List
Instrument Cluster Description and Operation
Control Module References
Brake, ABS, Turn Indicators
Low Washer Fluid Level, Oil Pressure Indicators, IPC Illumination
Ignition Switch 2 0f 2
Ignition Switch 1 of 2
Fuel Injectors
Ignition Switch 1 of 2
Figure 5:

Brake, ABS, Turn Indicators


Object Number: 1426389  Size: FS
Master Electrical Component List
Instrument Cluster Description and Operation
Control Module References
Headlamps ON Indicator, Crank Signal, Vehicle Speed Signal
Charge, Air Bag, Malfunction, O/D OFF, Cruise Indicators
Turn Indicators and Lamps
G100, G101, G102
Figure 6:

Headlamps ON Indicator, Crank Signal, Vehicle Speed Signal


Object Number: 1666855  Size: FS
Master Electrical Component List
Instrument Cluster Description and Operation
Control Module References
Brake, ABS, Turn Indicators
Starting System
Starting System
Tail Relay, Turn Signal/Headlamp Switch