GM Service Manual Online
For 1990-2009 cars only
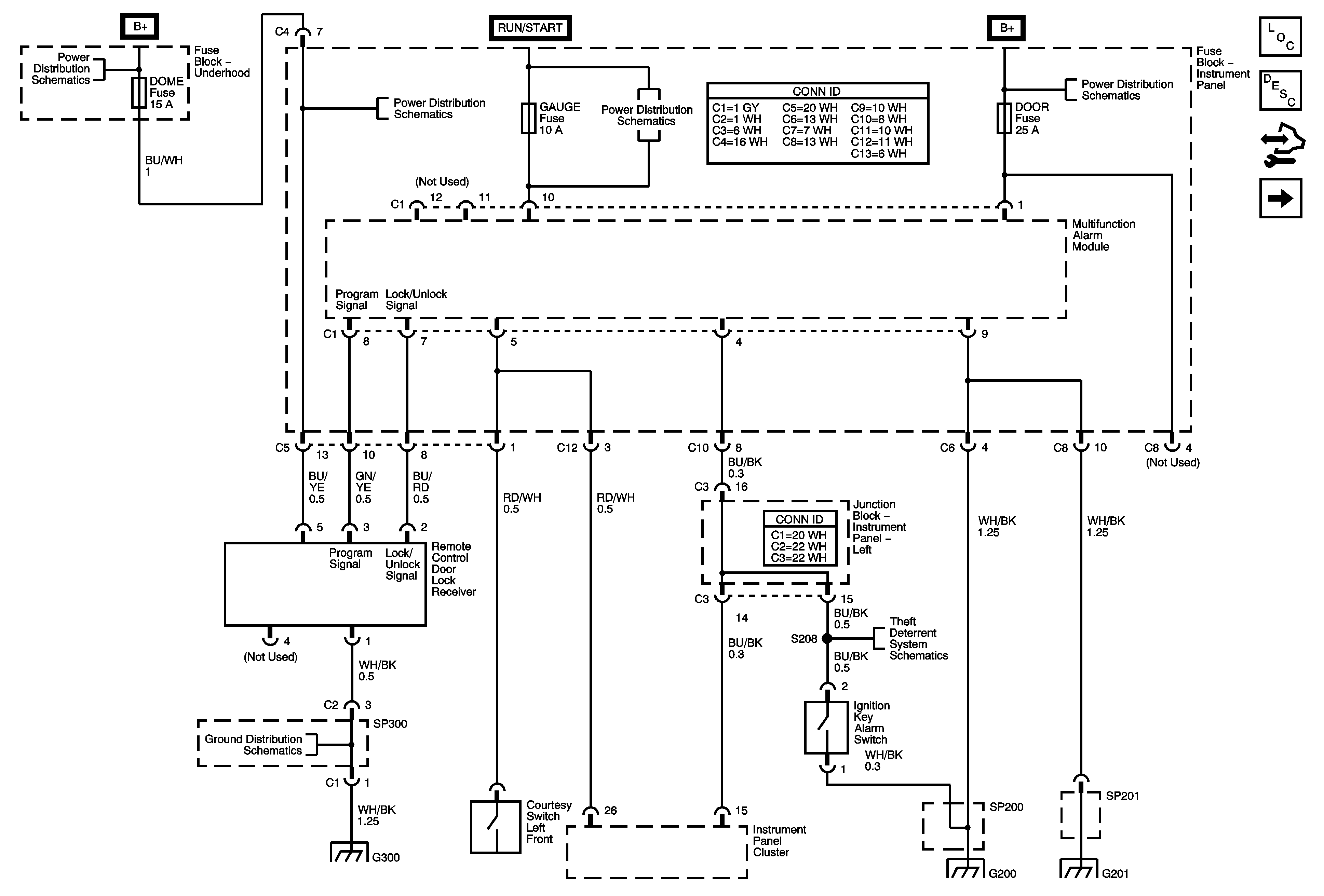
Figure 1:

Multifunction Alarm Module, Remote Control Door Lock Receiver


Object Number: 1426710  Size: FS
Master Electrical Component List
Keyless Entry System Description and Operation
Control Module References
Multifunction Alarm Module, Rear Door Lock, Glass Hatch and Tailgate Actuators
Horn, Dome, Main, Amp, OnStar Fuses
Wash, RR WIP, Wiper, ECU-IG, Gage, Heater, DEF Fuses
Wash, RR WIP, Wiper, ECU-IG, Gage, Heater, DEF Fuses
Power, AM 1, Door, Tail, P/Point, ECU-B, Stop, OBD, INV Fuses
Start Relay, Starter Cut Relay, Theft Deterrent Module, Powertrain Control Module (PCM)
SP300
G202, G300, G301, G302
SP200 and G200
SP201 and G201
Figure 2:

Multifunction Alarm Module, Rear Door Lock, Glass Hatch and Tailgate Actuators


Object Number: 1426678  Size: FS
Master Electrical Component List
Keyless Entry System Description and Operation
Control Module References
Door Lock Switches and Front Door Lock Actuators
Multifunction Alarm Module, Remote Control Door Lock Receiver
Dome/Courtesy Lamps
Dome/Courtesy Lamps
SP300
G202, G300, G301, G302
SP201 and G201
SP200 and G200
Figure 3:

Door Lock Switches and Front Door Lock Actuators


Object Number: 1426679  Size: FS
Master Electrical Component List
Keyless Entry System Description and Operation
Control Module References
Park/Neutral Position Switch, Brake Pressure Modulator Valve (BPMV), Multifunction Alarm Module
Multifunction Alarm Module, Rear Door Lock, Glass Hatch and Tailgate Actuators
Start Relay, Starter Cut Relay, Theft Deterrent Module, Powertrain Control Module (PCM)
Start Relay, Starter Cut Relay, Theft Deterrent Module, Powertrain Control Module (PCM)
Cellular Communication OnStar Schematic Figure for Graphic 1424554
SP200 and G200
SP201 and G201
Figure 4:

Park/Neutral Position Switch, Brake Pressure Modulator Valve (BPMV), Multifunction Alarm Module


Object Number: 1481319  Size: FS
Master Electrical Component List
Keyless Entry System Description and Operation
Control Module References
Multifunction Alarm Module, Horn, Hazard, Turn Signal/Headlamp Switches
Door Lock Switches and Front Door Lock Actuators
Keyless Entry Schematic Icons
Figure 5:

Multifunction Alarm Module, Horn, Hazard, Turn Signal/Headlamp Switches


Object Number: 1426712  Size: FS
Master Electrical Component List
Keyless Entry System Description and Operation
Control Module References
Multifunction Alarm Module and Courtesy Switches
Park/Neutral Position Switch, Brake Pressure Modulator Valve (BPMV), Multifunction Alarm Module
Start Relay, Starter Cut Relay, Theft Deterrent Module, Powertrain Control Module (PCM)
Daytime Running Lamp (DRL) Control Module Power and Ground, Ambient Light Sensor
Figure 6:

Multifunction Alarm Module and Courtesy Switches


Object Number: 1426680  Size: FS
Master Electrical Component List
Keyless Entry System Description and Operation
Control Module References
Multifunction Alarm Module, Horn, Hazard, Turn Signal/Headlamp Switches
Dome/Courtesy Lamps
High Beam Door Open, Engine Coolant Temperature (ECT) Indicators
Dome/Courtesy Lamps
SP400
G202, G300, G301, G302