GM Service Manual Online
For 1990-2009 cars only
Makes
🢒
Pontiac
🢒
2006
🢒
Vibe - FWD
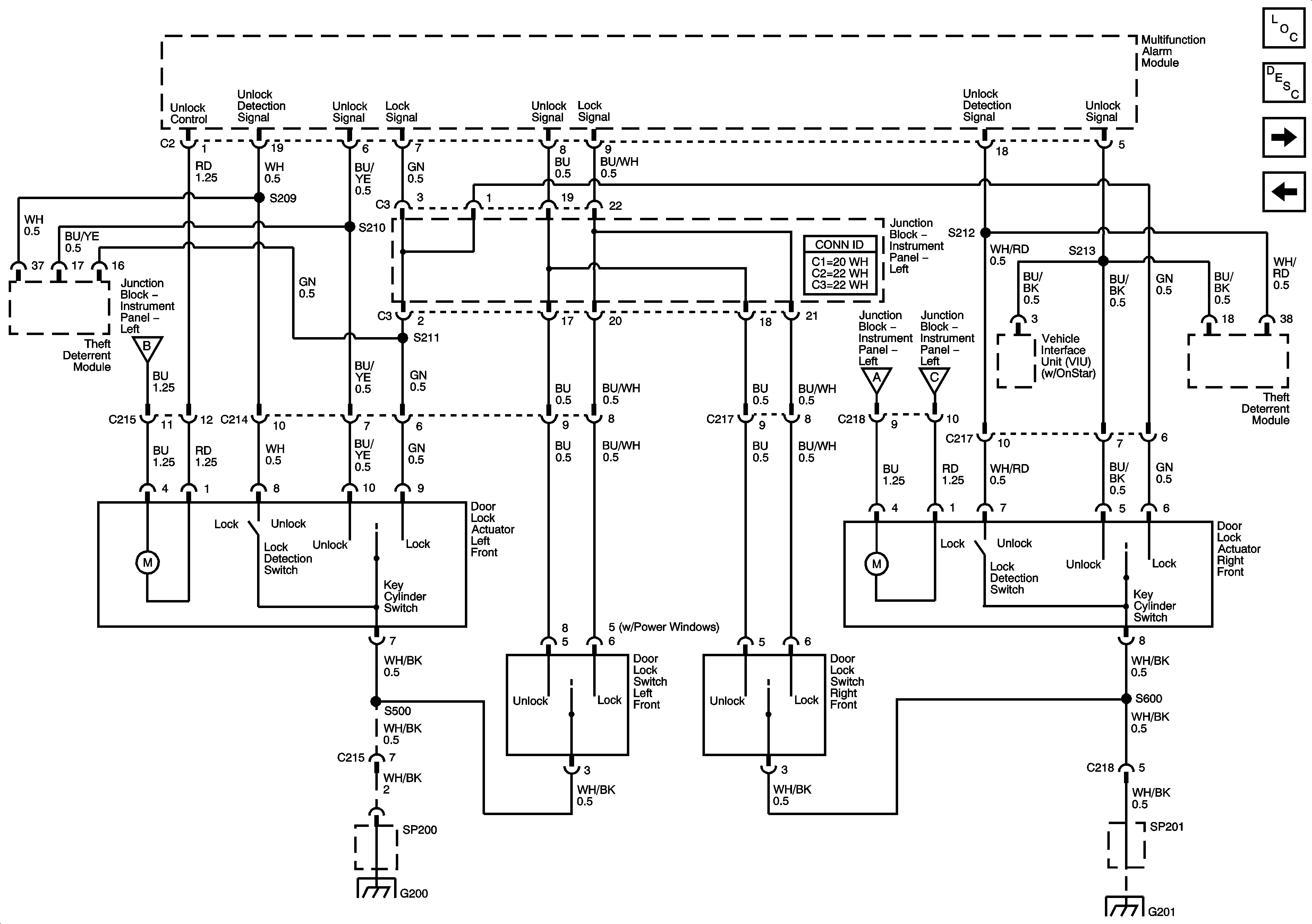
🢒 Multifunction Alarm Module, Rear Door Lock, Glass Hatch, Tailgate Actuators
Multifunction Alarm Module, Rear Door Lock, Glass Hatch, Tailgate Actuators
Multifunction Alarm Module, Rear Door Lock, Glass Hatch, Tailgate Actuators
Master Electrical Component List
Theft Systems Description and Operation
Park/Neutral Position Switch, Brake Pressure Modulator Valve (BPMV), Multifunction Alarm Module
Multifunction Alarm Module, Rear Door Lock, Tailgate, Glass Hatch Actuators
SP200 and G200
SP201 and G201