GM Service Manual Online
For 1990-2009 cars only
Makes
🢒
Pontiac
🢒
2008
🢒
Vibe - FWD
🢒
Driver Information and Entertainment
🢒
Displays and Gages
🢒 Audible Warnings Schematics
Figure
1:
Seat Belt Warning Indicator
Master Electrical Component List
Audible Warnings Description and Operation
Control Module References
Door Open Warning Indicator
Displays and Gages Schematic Icons
Air Pump, ETCS, Head, ALTS, EF1 Hazard EF2 Fuses
Air Pump, ETCS, Head, ALTS, EF1 Hazard EF2 Fuses
Air Pump, ETCS, Head, ALTS, EF1 Hazard EF2 Fuses
1 of 3
Fuel Injectors
Air Pump, ETCS, Head, ALTS, EF1 Hazard EF2 Fuses
Air Pump, ETCS, Head, ALTS, EF1 Hazard EF2 Fuses
Tail Relay, Turn Signal/Headlamp Switch
G100, G101, G102
G100, G101, G102
Figure
2:
Door Open Warning Indicator
Master Electrical Component List
Audible Warnings Description and Operation
Control Module References
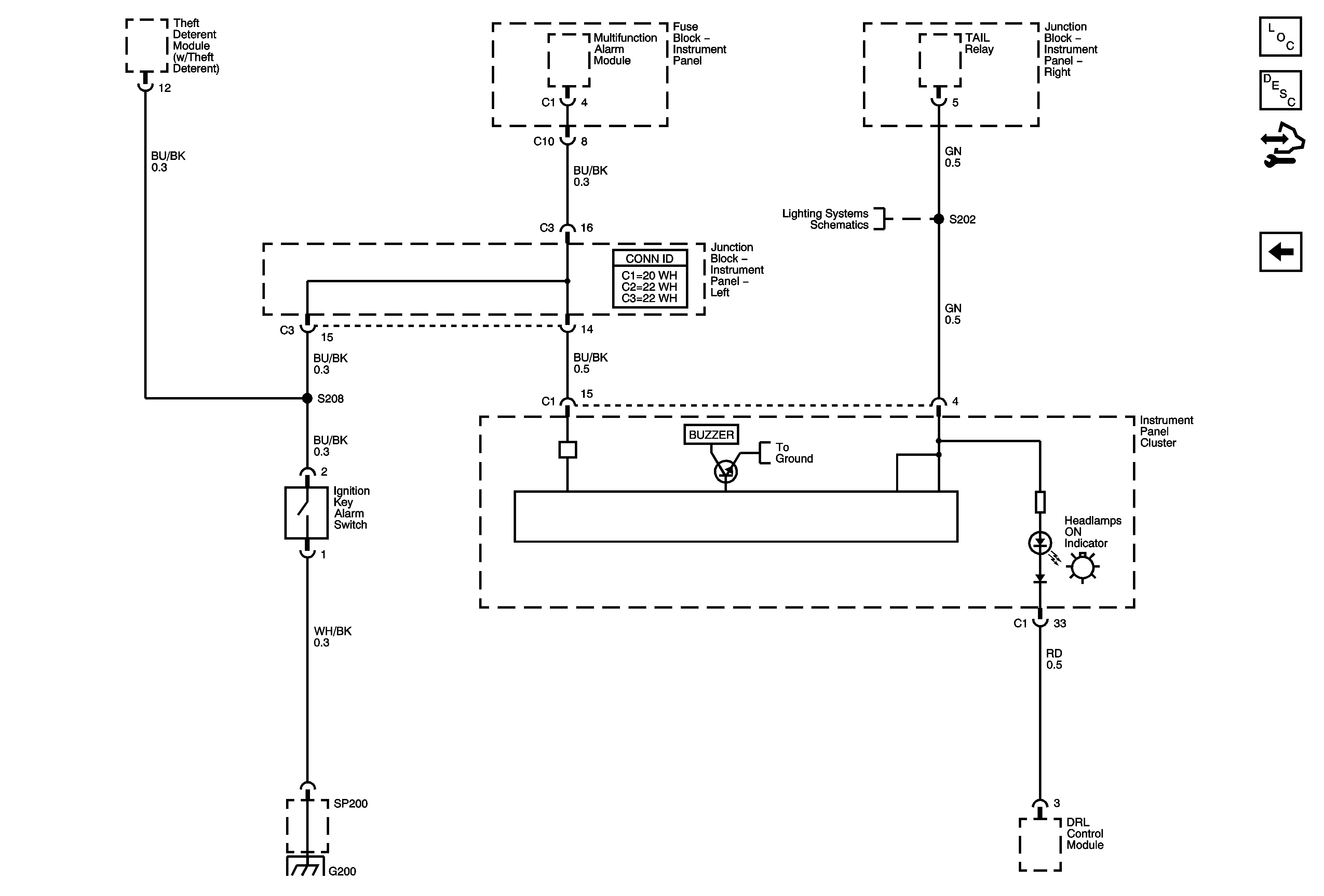
Headlights ON, Ignition Key, Reverse Warning Indicator
Seat Belt Warning Indicator
Air Pump, ETCS, Head, ALTS, EF1 Hazard EF2 Fuses
Air Pump, ETCS, Head, ALTS, EF1 Hazard EF2 Fuses
Air Pump, ETCS, Head, ALTS, EF1 Hazard EF2 Fuses
High Beam Door Open, ECT Indicators
G100, G101, G102
Figure
3:
Headlamps ON, Ignition Key, Reverse Warning Indicators
Master Electrical Component List
Audible Warnings Description and Operation
Control Module References
Door Open Warning Indicator
Park Lamps