GM Service Manual Online
For 1990-2009 cars only
Makes
🢒
Pontiac
🢒
2008
🢒
Vibe - FWD
🢒
Power and Signal Distribution
🢒
Data Communications
🢒 Data Communication Schematics
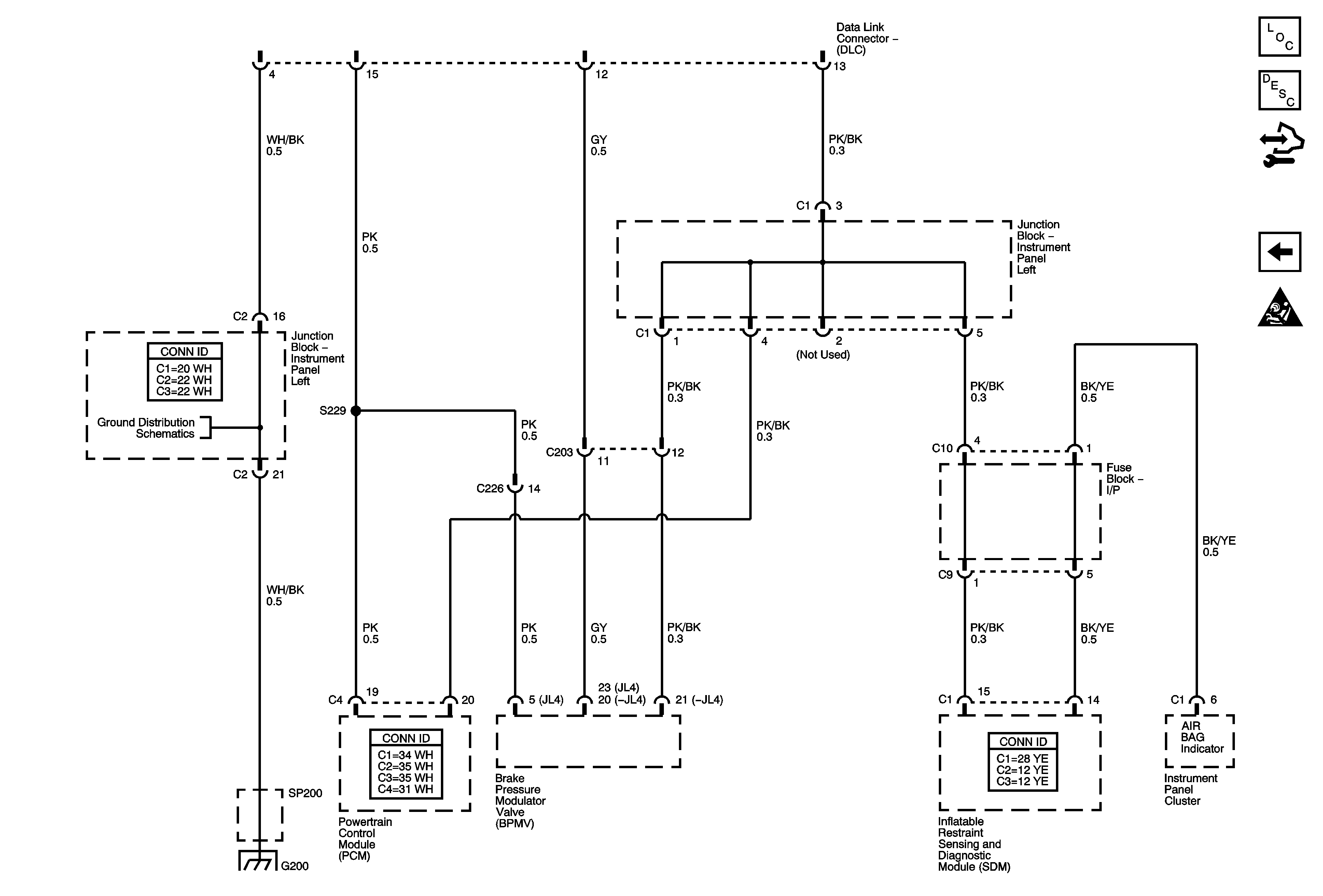
Figure
1:
1 of 3
Master Electrical Component List
Data Link Communications Description and Operation
Control Module References
2 of 3
SIR Caution for Zoning
Air Pump, ETCS, Head, ALTS, EF1 Hazard EF2 Fuses
G100, G101, G102
Charge, Air Bag, Malfunction, O/D Off, Cruise Indicators
Figure
2:
2 of 3
Master Electrical Component List
Data Link Communications Description and Operation
Control Module References
3 of 3
1 of 3
Figure
3:
3 of 3
Master Electrical Component List
Data Link Communications Description and Operation
Control Module References
2 of 3
SIR Caution for Zoning
G100, G101, G102