GM Service Manual Online
For 1990-2009 cars only
Figure 1:

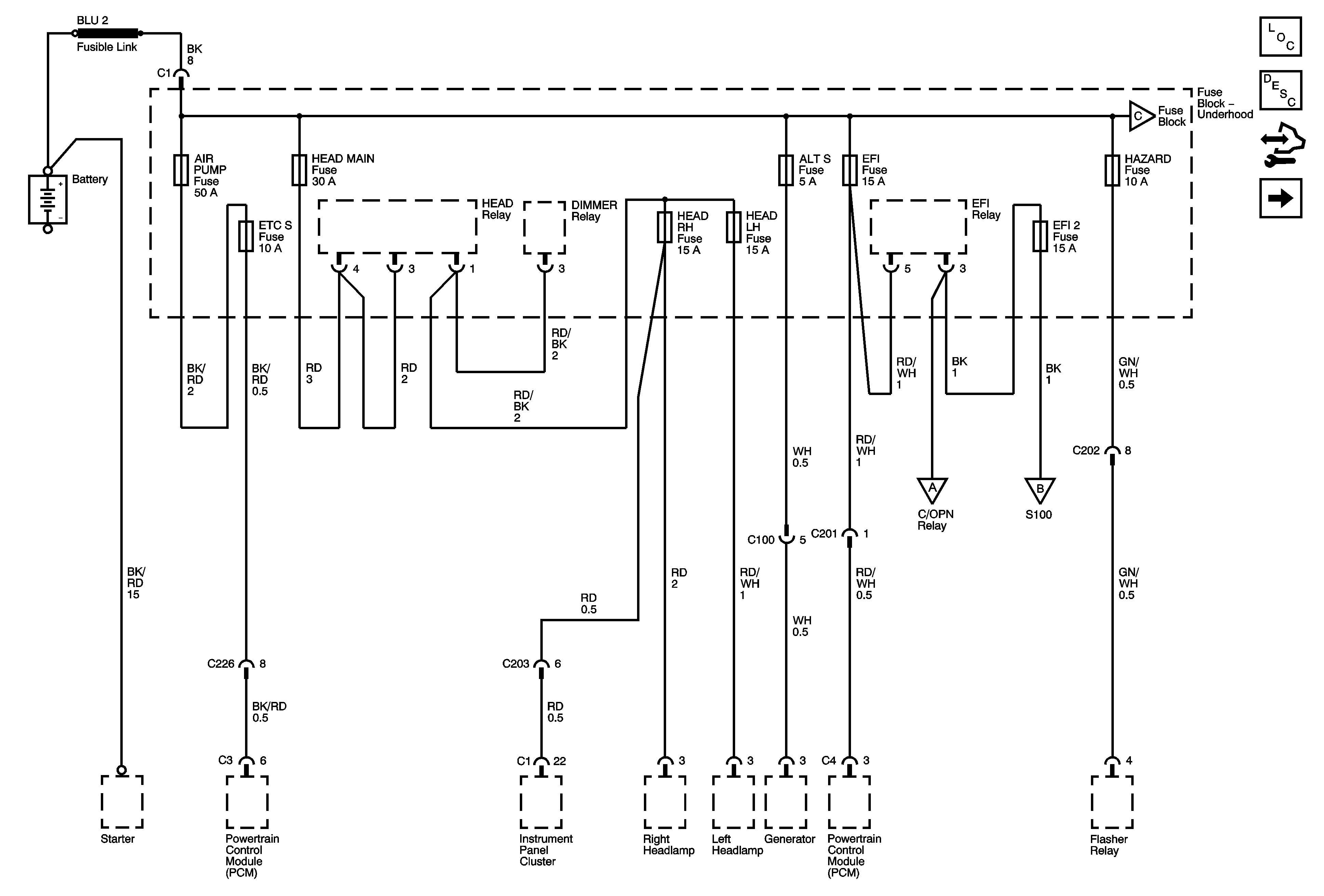
Air Pump, ETCS, Head, Alt S, EFI, Hazard EFI 2 Fuses


Object Number: 1847790  Size: FS
Master Electrical Component List
Control Module References
S100
Figure 2:

S100


Object Number: 1847792  Size: FS
Master Electrical Component List
Control Module References
Horn, Dome, Main, Amp, Onstar Fuses
Air Pump, ETCS, Head, ALTS, EF1 Hazard EF2 Fuses
Figure 3:

Horn, Dome, Main, Amp, OnStar Fuses


Object Number: 1422171  Size: FS
Master Electrical Component List
Control Module References
ALT, ABS 1 and 2, RDI Fan, Fog Fuses
S100
Figure 4:

Alt, ABS 1 and 2, RDI Fan, Fog Fuses


Object Number: 1847793  Size: FS
Master Electrical Component List
Control Module References
Power, AM1, Door, Tail, P/Point, ECU - B Stop, OBD, INV Fuses
Horn, Dome, Main, Amp, Onstar Fuses
Figure 5:

Power, AM 1, Door, Tail, P/Point, ECU-B, Stop, OBD, INV Fuses


Object Number: 1422174  Size: FS
Master Electrical Component List
Control Module References
Wash, RRWIP, Wiper, ECU - 1G, Gage, Heater, DEF Fuses
ALT, ABS 1 and 2, RDI Fan, Fog Fuses
Figure 6:

Wash, RR WIP, Wiper, ECU-IG, Gage, Heater, DEF Fuses


Object Number: 1847795  Size: FS
Master Electrical Component List
Control Module References
P/W Relay, SP109, S230
Power, AM1, Door, Tail, P/Point, ECU - B Stop, OBD, INV Fuses
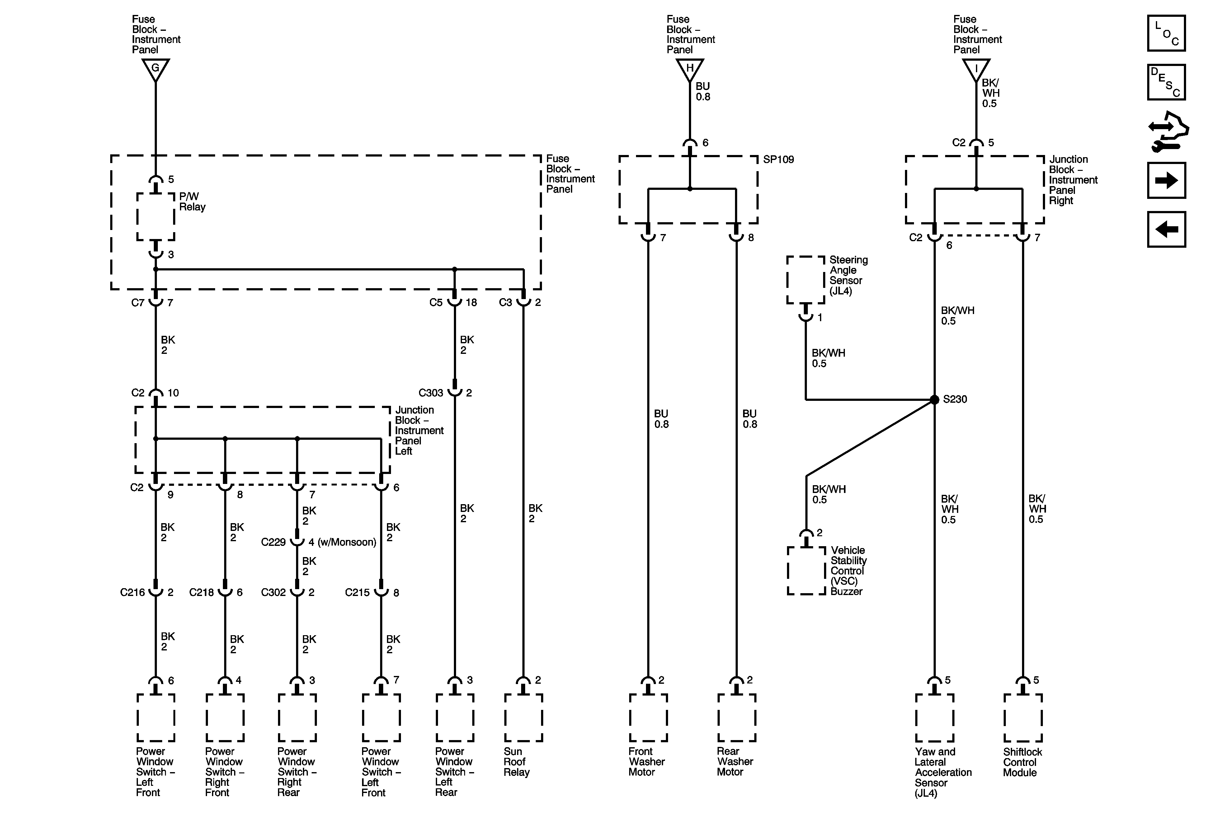
Figure 7:

P/W Relay, SP109, S230


Object Number: 1847797  Size: FS
Master Electrical Component List
Control Module References
Junction Block - Instrument Panel Right
Wash, RRWIP, Wiper, ECU - 1G, Gage, Heater, DEF Fuses
Figure 8:

Junction Block - Instrument Panel Right


Object Number: 1847799  Size: FS
Master Electrical Component List
Control Module References
Ignition Switch 1 of 2
P/W Relay, SP109, S230
Figure 9:

Ignition Switch 1 of 2


Object Number: 1847800  Size: FS
Master Electrical Component List
Control Module References
Ignition Switch 2 of 2
Junction Block - Instrument Panel Right
Figure 10:

Ignition Switch 2 of 2


Object Number: 1847801  Size: FS
Master Electrical Component List
Control Module References
Ignition Switch 1 of 2
SIR Caution for Zoning