GM Service Manual Online
For 1990-2009 cars only
Makes
🢒
Saab
🢒
2005
🢒
9-7x
🢒
Vehicle Control Systems
🢒
Computer/Integrating Systems
🢒 Data Link Connector Schematics
Figure
1:
Power, Ground, and Data Link Connector
Master Electrical Component List
Data Link Communications Description and Operation
Control Module References
SP 205
COILS, HDM, HI HDLP-LT, HI HDLP-RT, LH HDLP, LOW HDLP-LT, LOW HDLP-RT, RH HDLP, TRL L TRN, and TRL R TRN
G102
G201 - 1 of 2
SP 205
Figure
2:
SP205
Master Electrical Component List
Exhaust System Inspection
Control Module References
SP306
Power, Ground, Data Link Connector
Power, Ground, Data Link Connector
SP306
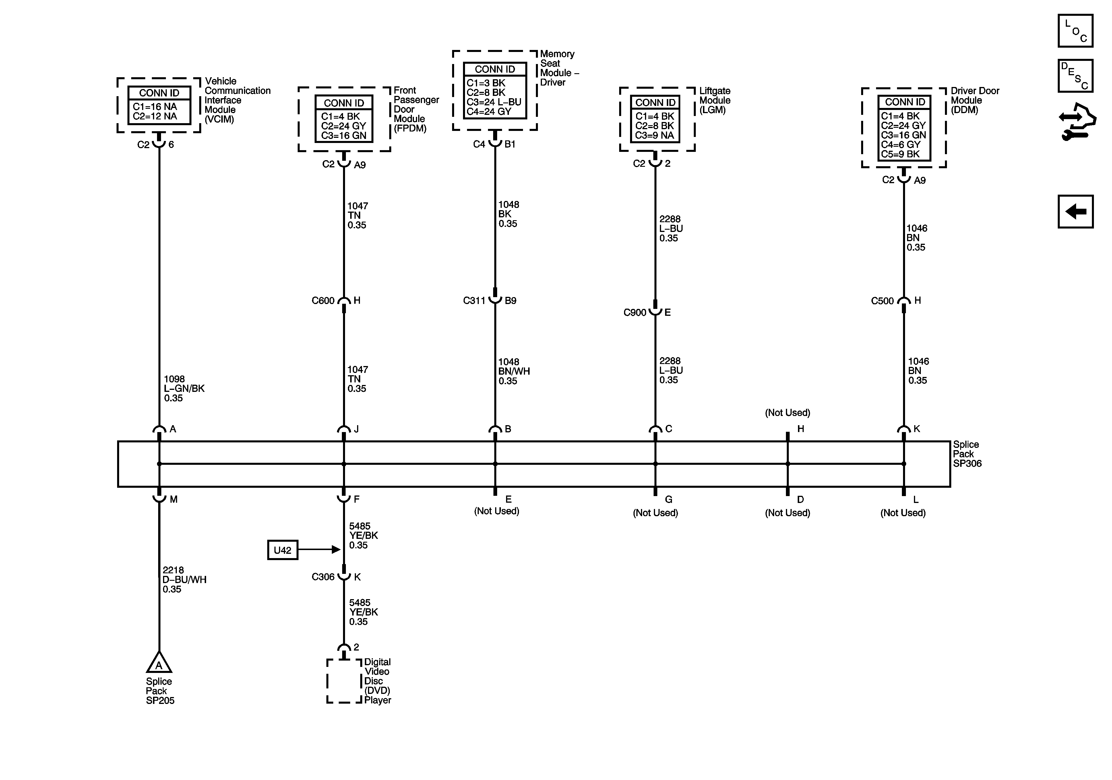
Figure
3:
SP306
Master Electrical Component List
Exhaust System Inspection
Control Module References
SP 205
SP 205