GM Service Manual Online
For 1990-2009 cars only
Figure 1:

Power Windows - Left


Object Number: 1533253  Size: FS
Master Electrical Component List
Power Windows Description and Operation
Control Module References
Power Windows - Right
B+ Bus - Rear Fuse Block
G302 - 1 of 2, G303, and G304
I/P Dimming Supply - 1 of 2
SP 205
SP306
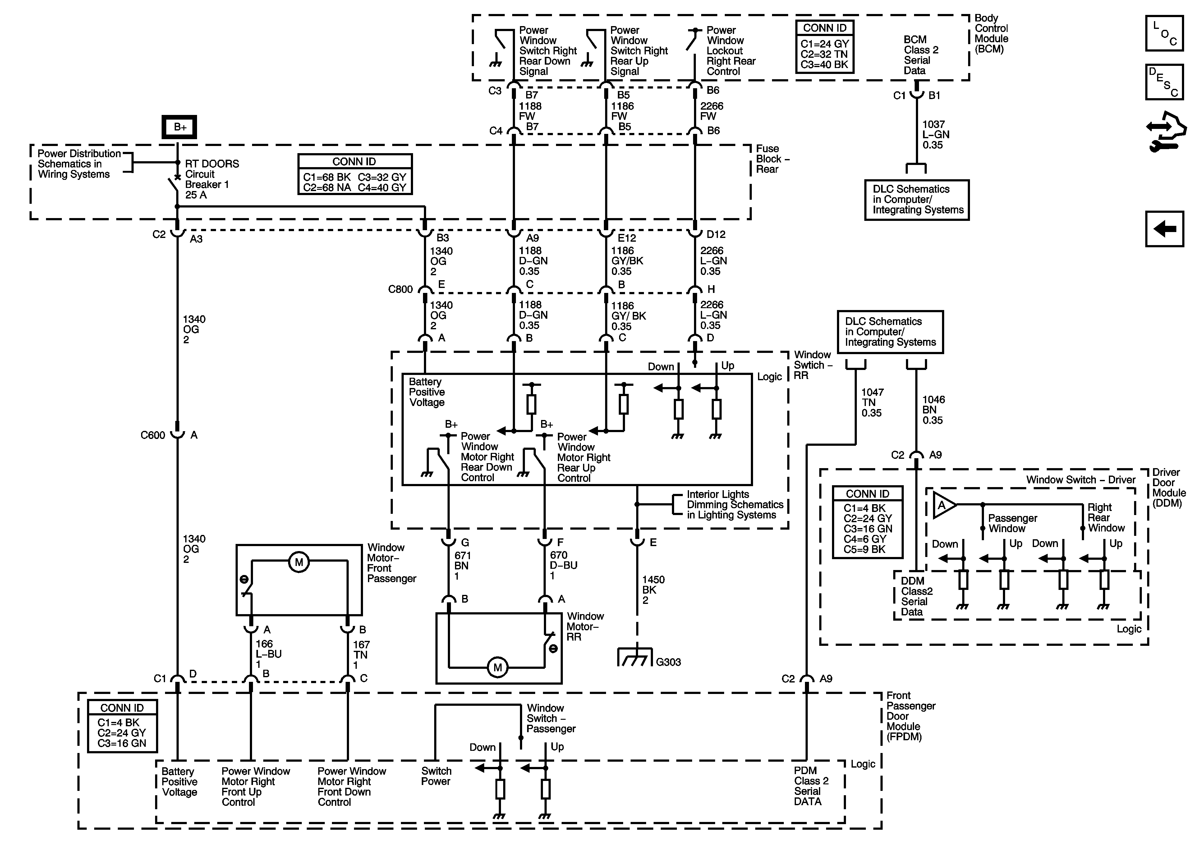
Power Windows - Right
Figure 2:

Power Windows - Right


Object Number: 1533254  Size: FS
Master Electrical Component List
Power Windows Description and Operation
Control Module References
Power Windows - Left
B+ Bus - Rear Fuse Block
SP 205
SP306
Power Windows - Left
Interior Lamps
G302 - 1 of 2, G303, and G304