GM Service Manual Online
For 1990-2009 cars only
Makes
🢒
Saab
🢒
2006
🢒
9-7x
🢒 Engine Cooling Schematics
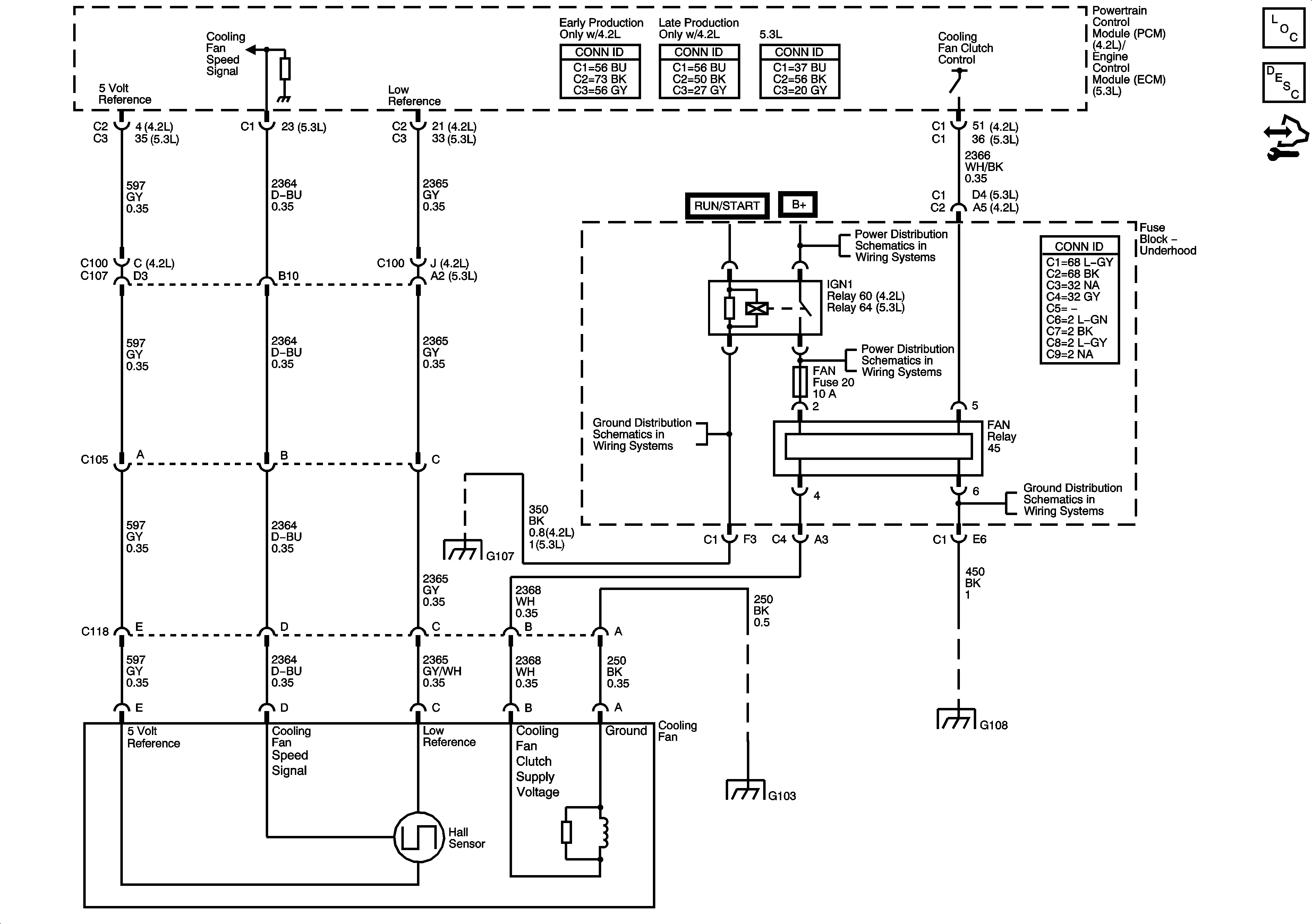
Engine Cooling Schematics
Master Electrical Component List
Cooling System Description and Operation
Control Module References
G104, G105 and G107
G104, G105 and G107
G101, G103, G106, and G110
B+ Bus - Underhood Fuse Block - 2 of 2
B+ Bus - Underhood Fuse Block - 2 of 2
G108
G108