GM Service Manual Online
For 1990-2009 cars only
Makes
🢒
Saab
🢒
2006
🢒
9-7x
🢒 Interior Lamps Controls
Interior Lamps Controls
Interior Lamps Controls
Master Electrical Component List
Interior Lighting Systems Description and Operation
Control Module References
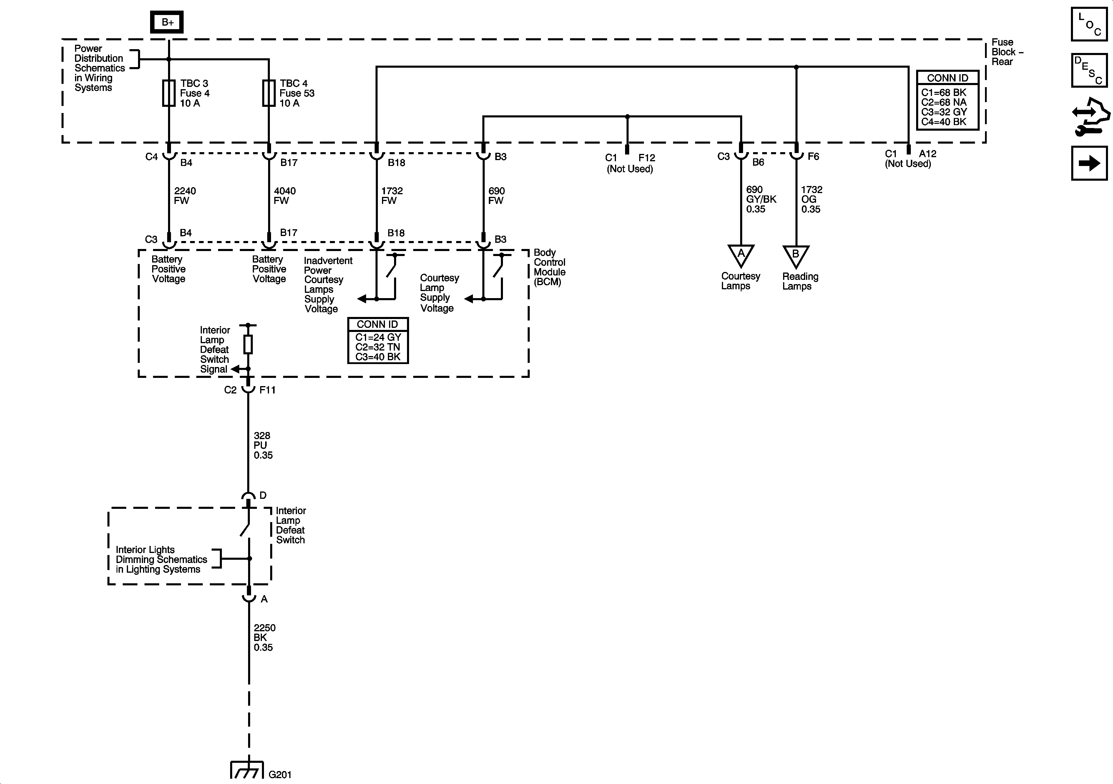
Interior Lamps
B+ Bus - Rear Fuse Block
I/P Dimming Supply - 1 of 2
G201 - 1 of 2
Interior Lamps
Interior Lamps