GM Service Manual Online
For 1990-2009 cars only
Makes
🢒
Saab
🢒
2007
🢒
9-7x
🢒
Engine
🢒
Engine Electrical
🢒 Starting and Charging Schematics
Figure
1:
Starting System
Master Electrical Component List
Starting System Description and Operation
Control Module References
Charging System
G104, G105, and G107
B+ BUS - Underhood Fuse Block - 2 of 2
B+ BUS - Underhood Fuse Block - 2 of 2
BCK/UP, BTSI, IGN E, and TRLR BCK/UP Fuses
Ignition Switch - ACCY/RUN/START, RUN, START Bus Bars, and IGNA1 Fuse
G104, G105, and G107
B+ BUS - Underhood Fuse Block - 1 of 2
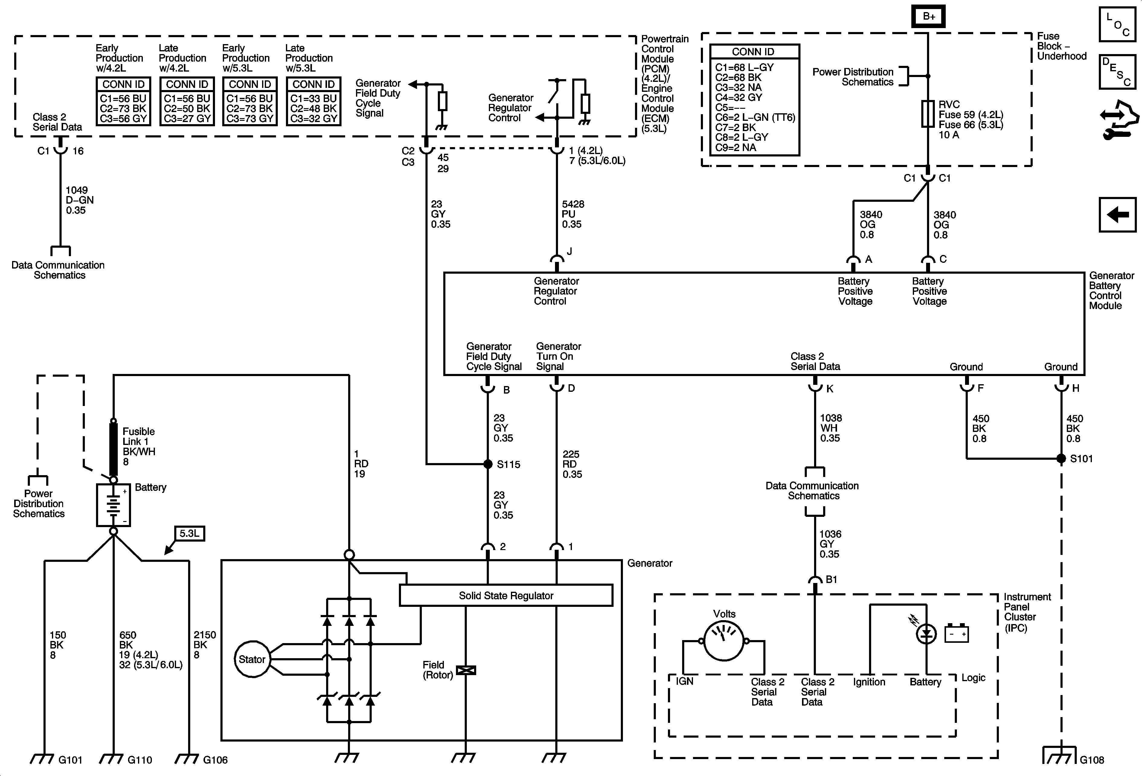
Figure
2:
Charging System
Master Electrical Component List
Charging System Description and Operation
Control Module References
Starting System
SP205
B+ BUS - Underhood Fuse Block - 1 of 2
B+ BUS - Underhood Fuse Block - 1 of 2
SP205
G108