GM Service Manual Online
For 1990-2009 cars only
Makes
🢒
Saab
🢒
2007
🢒
9-7x
🢒
Diagnostic Navigation
🢒
Vehicle Diagnostic Information
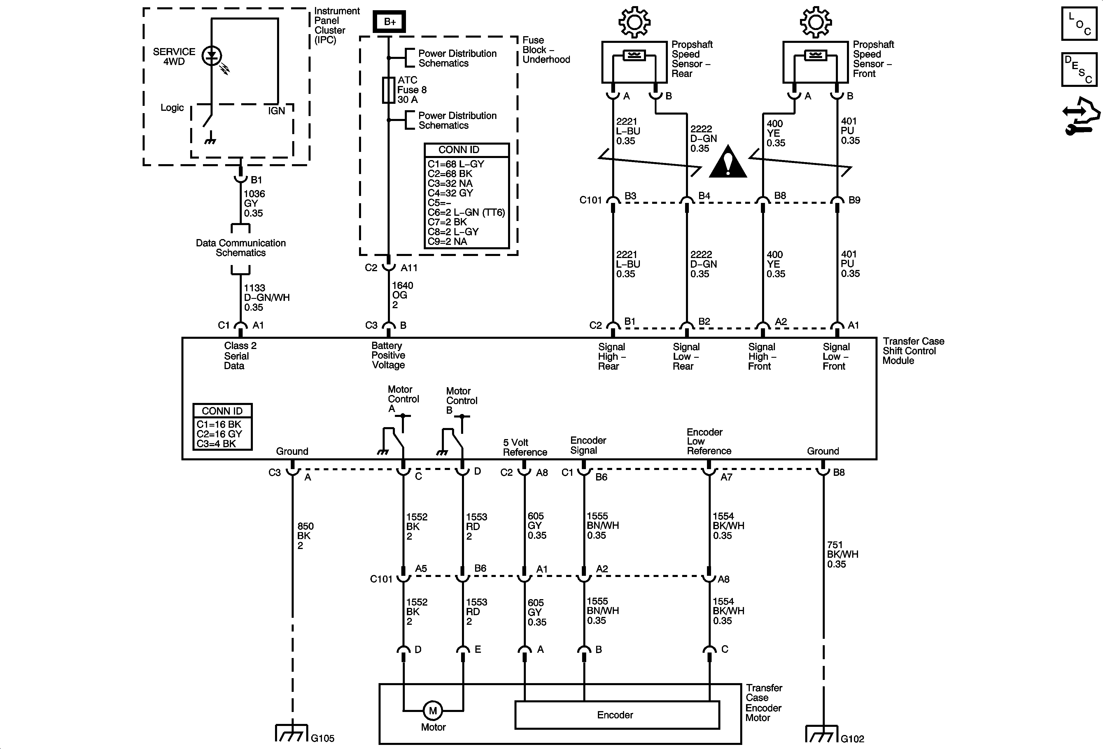
🢒 Transfer Case Control Schematics
Master Electrical Component List
Transfer Case Description and Operation
Control Module References
SP205
B+ BUS - Underhood Fuse Block - 1 of 2
B+ BUS - Underhood Fuse Block - 1 of 2
Transfer Case Control Schematic Icons
G104, G105, and G107
G102