GM Service Manual Online
For 1990-2009 cars only
Figure 1:

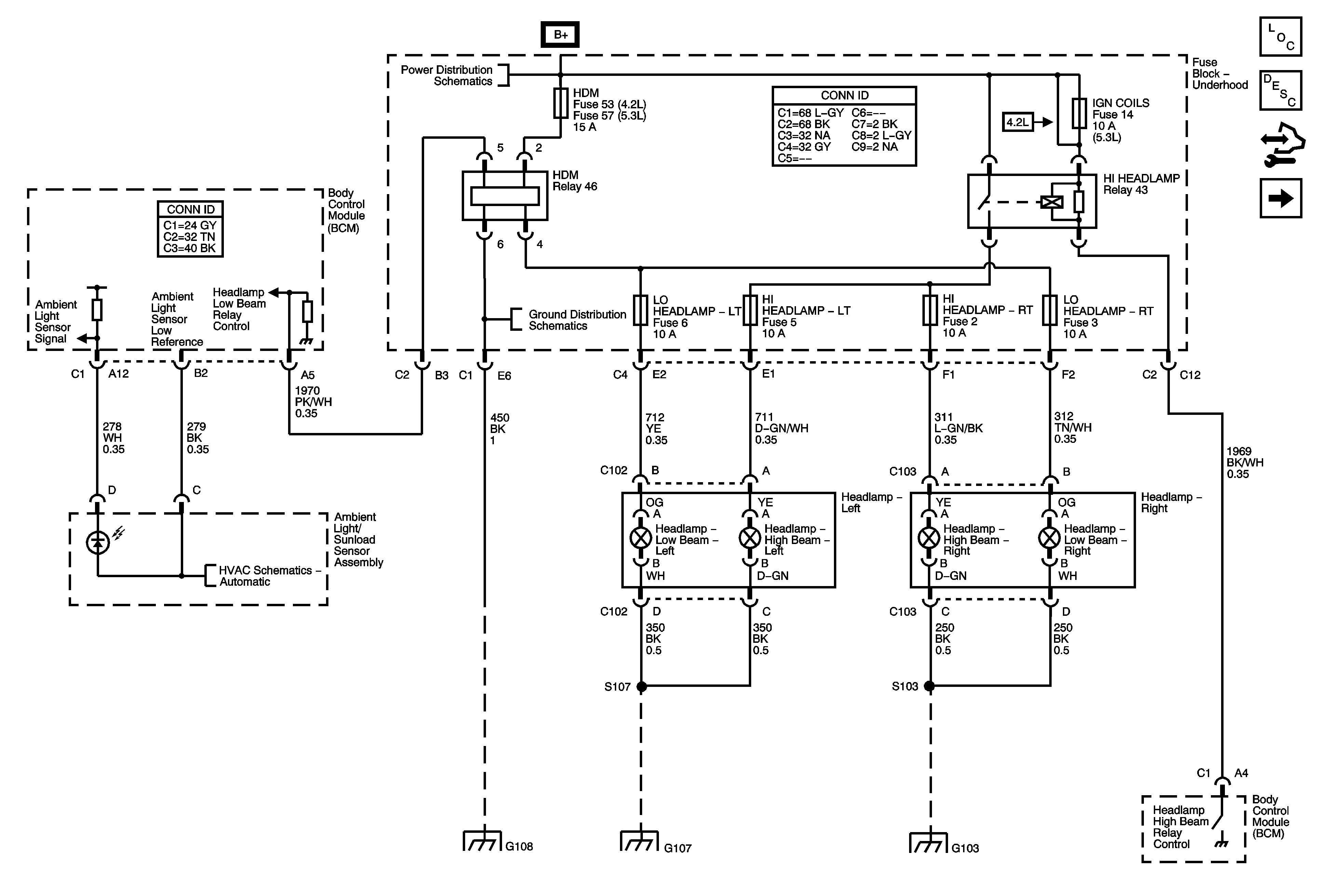
Headlamps (w/o TT6)


Object Number: 1748843  Size: FS
Master Electrical Component List
Exterior Lighting Systems Description and Operation
Control Module References
Headlamps (w/TT6)
B+ BUS - Underhood Fuse Block - 2 of 2
Ambient Light/Sunload Sensor
G108
G104, G105, and G107
G101, G103, G106, and G110
Figure 2:

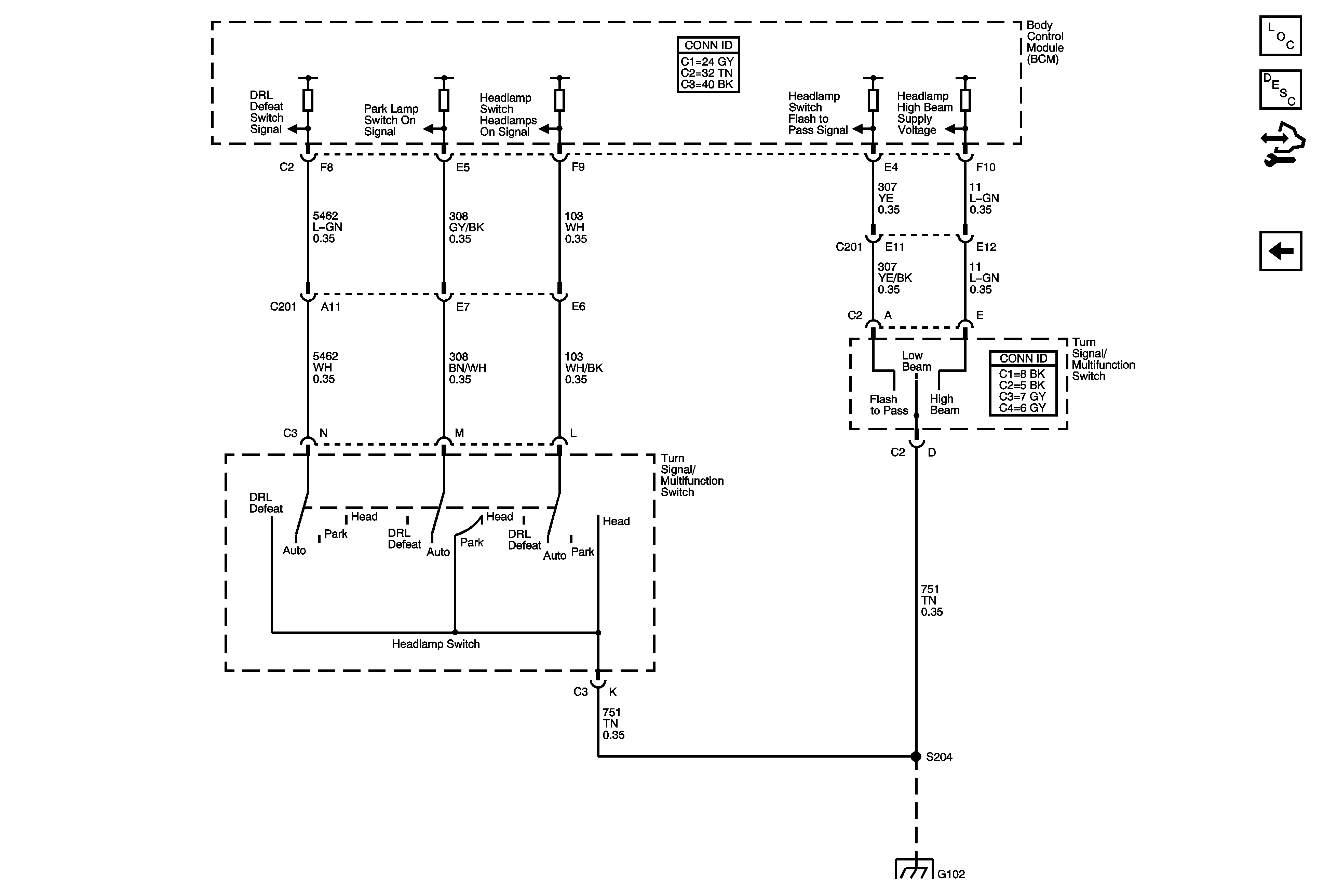
Headlamps (w/TT6)


Object Number: 1748844  Size: FS
Master Electrical Component List
Exterior Lighting Systems Description and Operation
Control Module References
Headlamp Switch
Headlamps (w/o TT6)
B+ BUS - Underhood Fuse Block - 1 of 2
Lighting Systems Schematic Icons
Ambient Light/Sunload Sensor
G104, G105, and G107
G101, G103, G106, and G110
Figure 3:

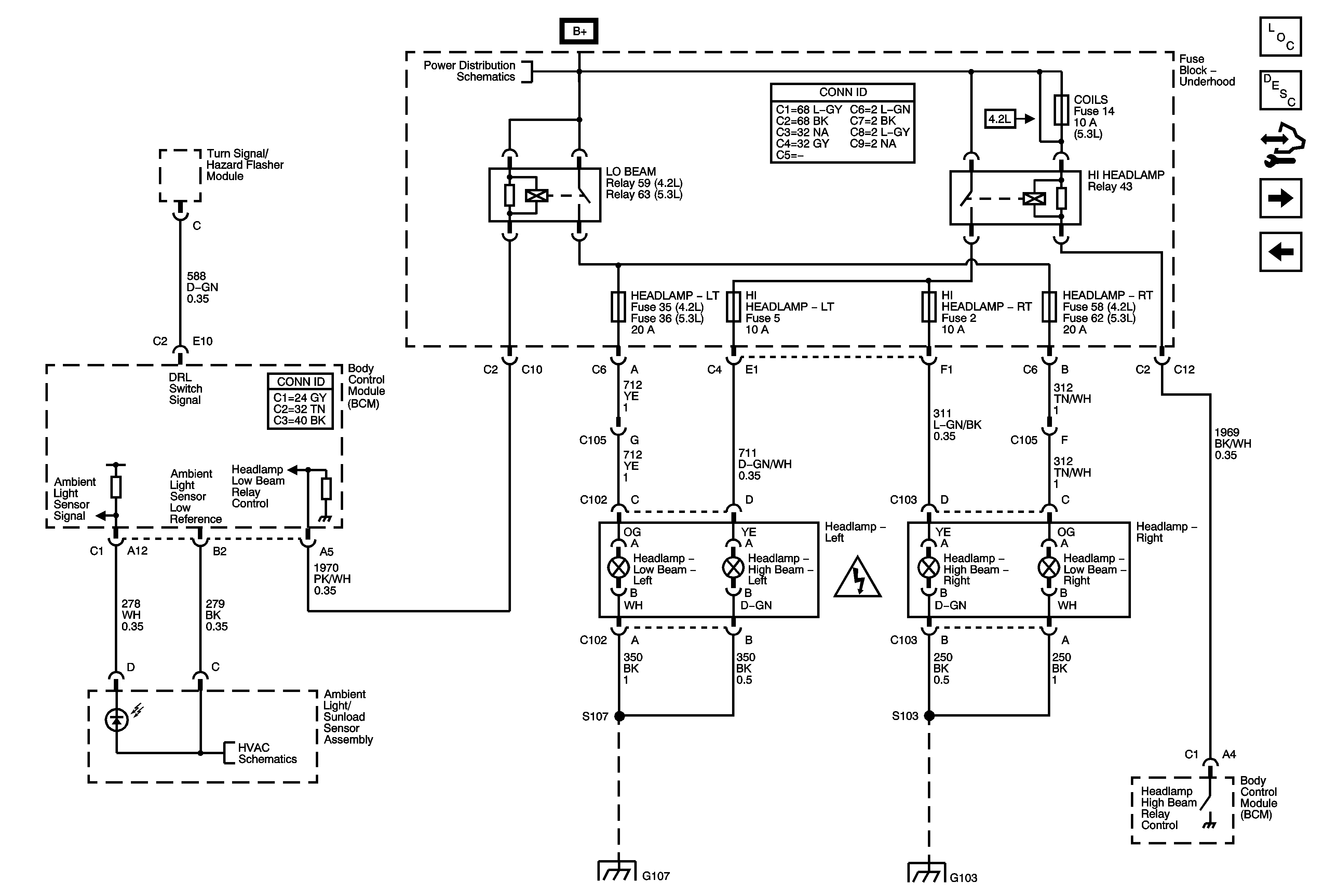
Headlamp Switch


Object Number: 1748846  Size: FS
Master Electrical Component List
Exterior Lighting Systems Description and Operation
Control Module References
Headlamps (w/TT6)
G102