GM Service Manual Online
For 1990-2009 cars only
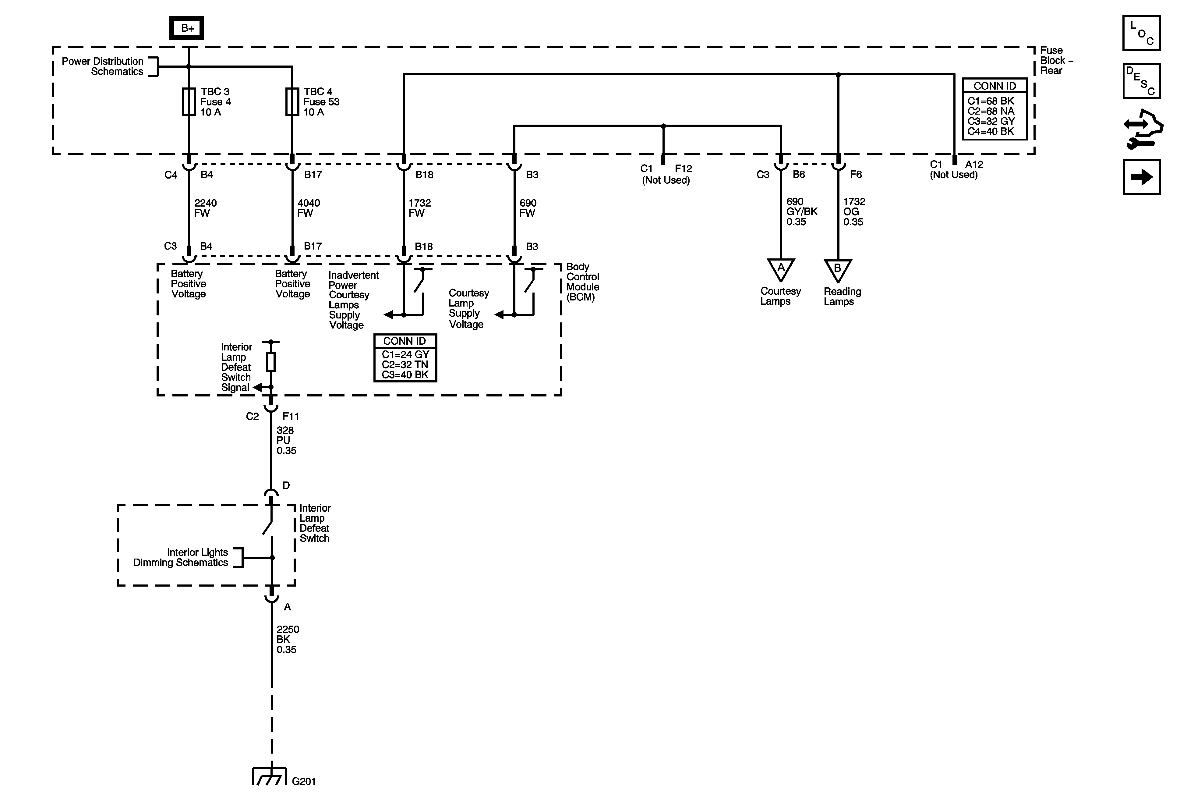
Figure 1:

Interior Lamps Controls


Object Number: 1748862  Size: FS
Master Electrical Component List
Interior Lighting Systems Description and Operation
Control Module References
Interior Lamps
B+ BUS - Rear Fuse Block
Interior Lamps
Interior Lamps
I/P Dimming Supply - 1 of 2
G201 - 1 of 2
Figure 2:

Interior Lamps


Object Number: 1748863  Size: FS
Master Electrical Component List
Interior Lighting Systems Description and Operation
Control Module References
Door Switch and Liftgate Inputs
Interior Lamps Controls
Interior Lamps Controls
Interior Lamps Controls
G302 - 2 of 2, and G306
G302 - 2 of 2, and G306
G302 - 1 of 2, G303, and G304
Figure 3:

Door Switch and Liftgate Inputs


Object Number: 1748864  Size: FS
Master Electrical Component List
Interior Lighting Systems Description and Operation
Control Module References
Interior Lamps
SP205
SP306
G302 - 1 of 2, G303, and G304
G302 - 1 of 2, G303, and G304