GM Service Manual Online
For 1990-2009 cars only
Makes
🢒
Saab
🢒
2007
🢒
9-7x
🢒
Body Systems
🢒
Vehicle Access
🢒 Door Lock/Indicator Schematics
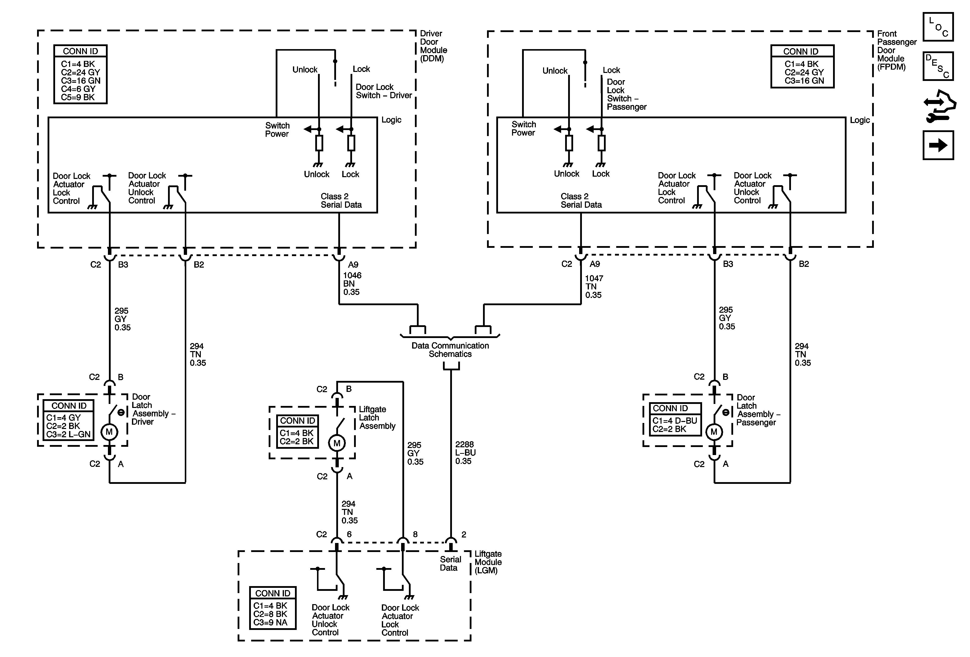
Figure
1:
Front Doors and Liftgate
Master Electrical Component List
Power Door Locks Description and Operation
Control Module References
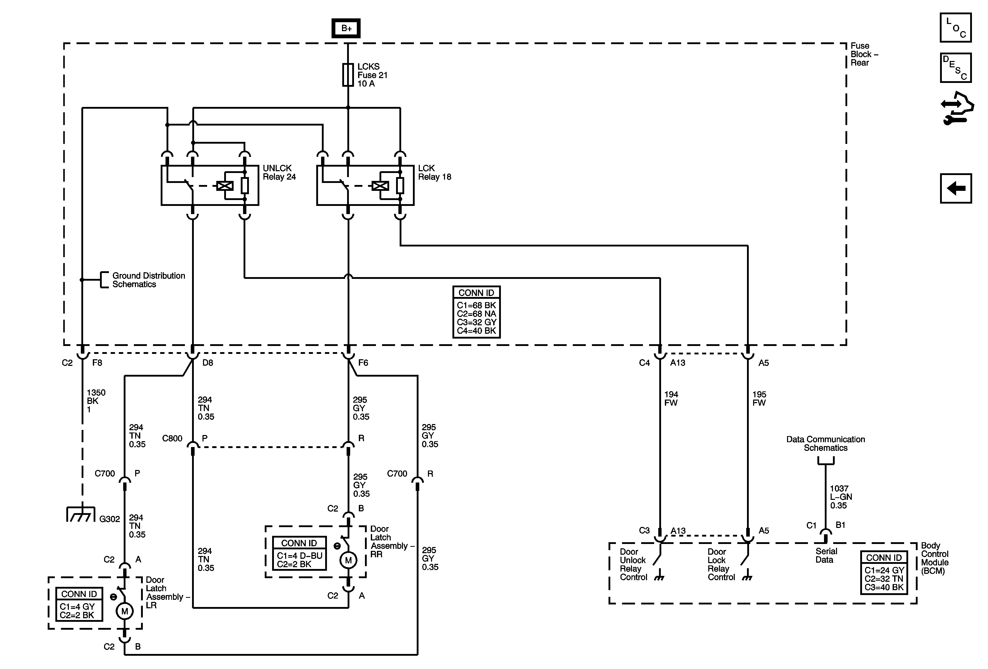
Rear Doors
SP306
Figure
2:
Rear Doors
Master Electrical Component List
Power Door Locks Description and Operation
Control Module References
Front Doors and Liftgate
G302 - 2 of 2, and G306
SP205
G302 - 1 of 2, G303, and G304