GM Service Manual Online
For 1990-2009 cars only
Makes
🢒
Saab
🢒
2007
🢒
9-7x
🢒
Power and Signal Distribution
🢒
Power Outlets
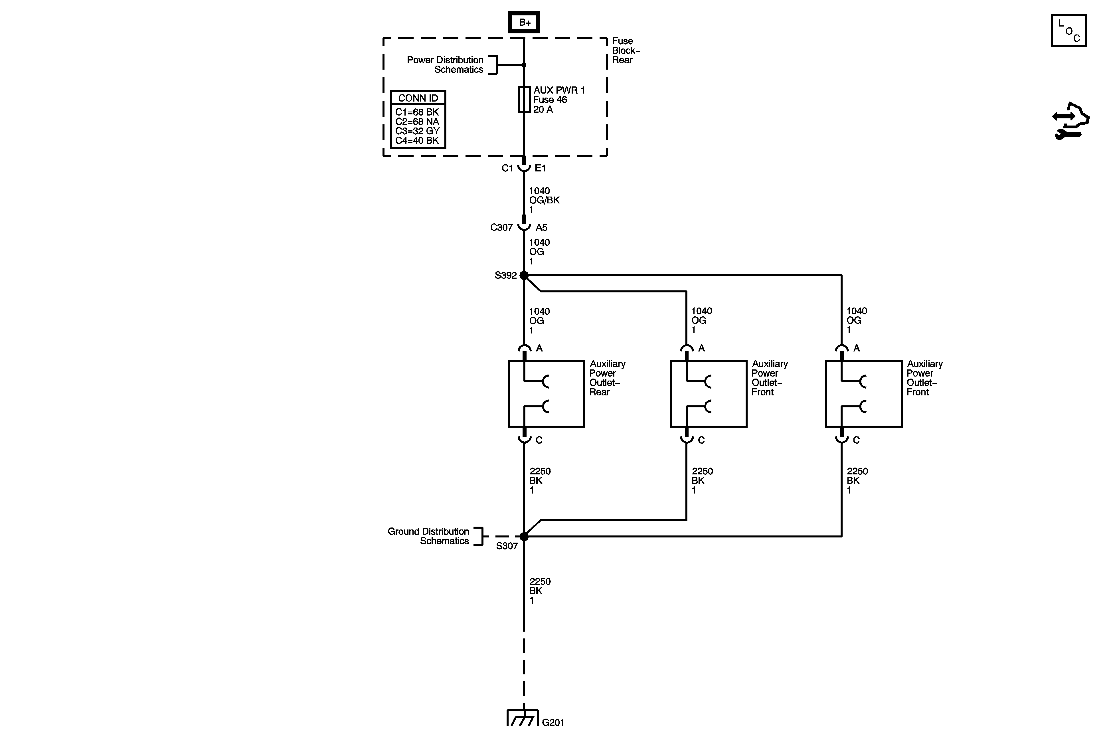
🢒 Cigar Lighter/Power Outlet Schematics
Master Electrical Component List
Control Module References
B+ BUS - Rear Fuse Block
G201 - 1 of 2
G201 - 1 of 2