GM Service Manual Online
For 1990-2009 cars only
Makes
🢒
Saab
🢒
2007
🢒
9-7x
🢒 Video System Schematics
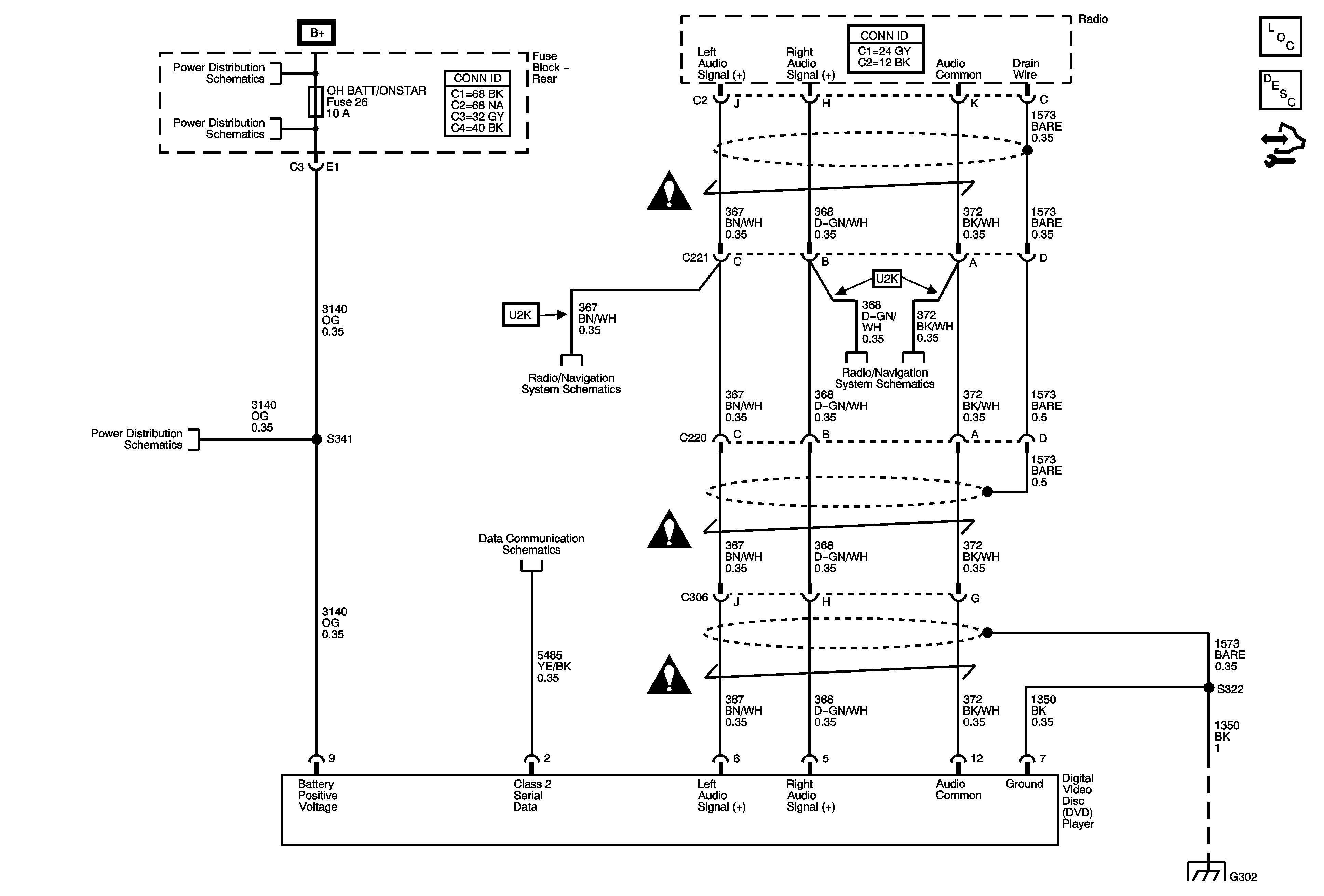
Video System Schematics
Master Electrical Component List
Video Entertainment System Description and Operation
Control Module References
B+ BUS - Rear Fuse Block
HVAC B, LGM/DSM, OH BATT/ONSTAR, and RADIO Fuses
Entertainment/Communication Schematic Icons
HVAC B, LGM/DSM, OH BATT/ONSTAR, and RADIO Fuses
Power, Ground, Serial Data, and Digital Radio Receiver
Power, Ground, Serial Data, and Digital Radio Receiver
SP306
Entertainment/Communication Schematic Icons
Entertainment/Communication Schematic Icons
G302 - 2 of 2, and G306