GM Service Manual Online
For 1990-2009 cars only
Makes
🢒
Saab
🢒
2007
🢒
9-7x
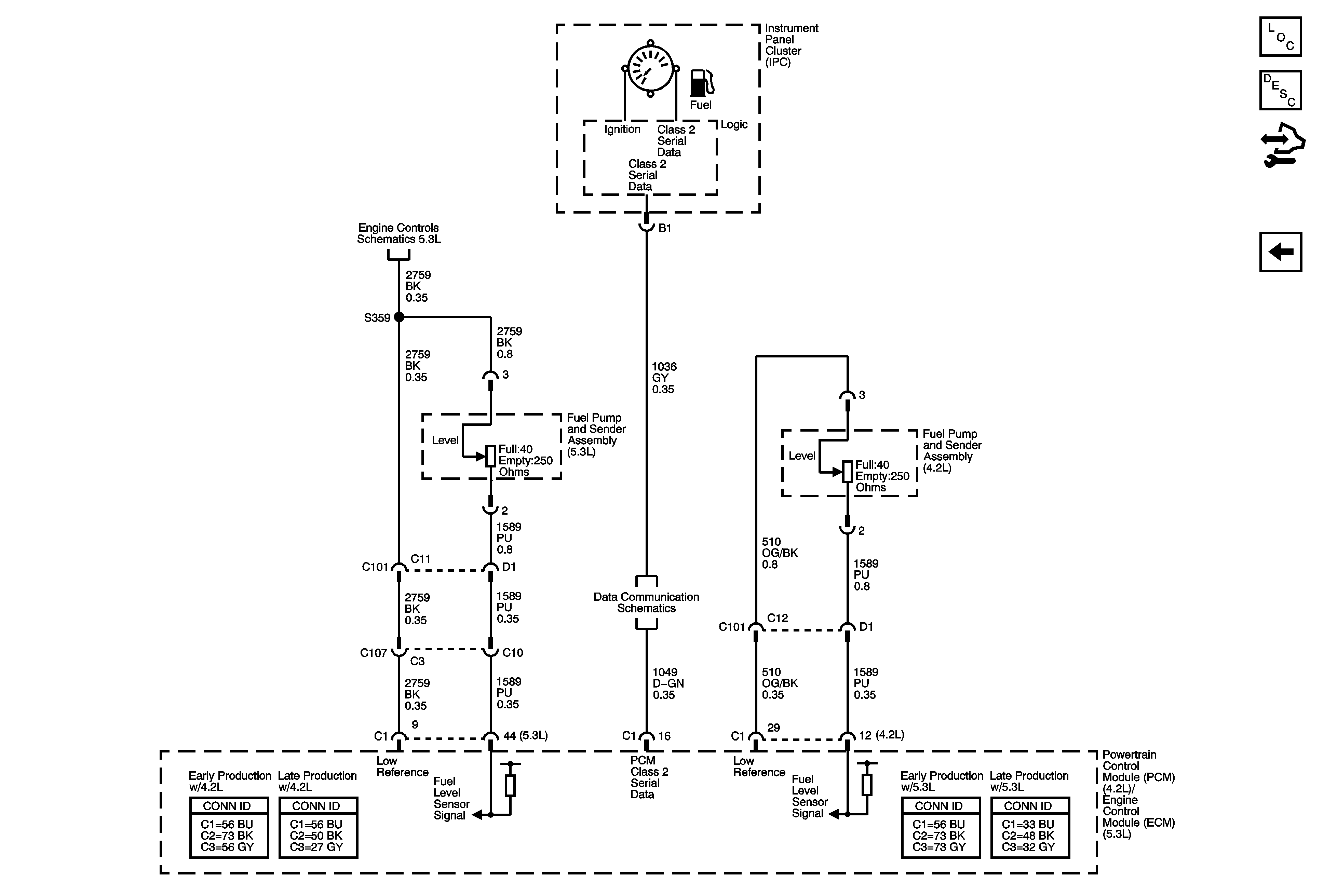
🢒 Fuel Gage
Fuel Gage
Fuel Gage
Master Electrical Component List
Indicator/Warning Message Description and Operation
Control Module References
Indicators
Engine Data Sensors - 5-Volt and Low Reference
SP205