GM Service Manual Online
For 1990-2009 cars only
Makes
🢒
Saab
🢒
2007
🢒
9-7x
🢒 Engine Data Sensors - MAF, Pressure, and Temperature
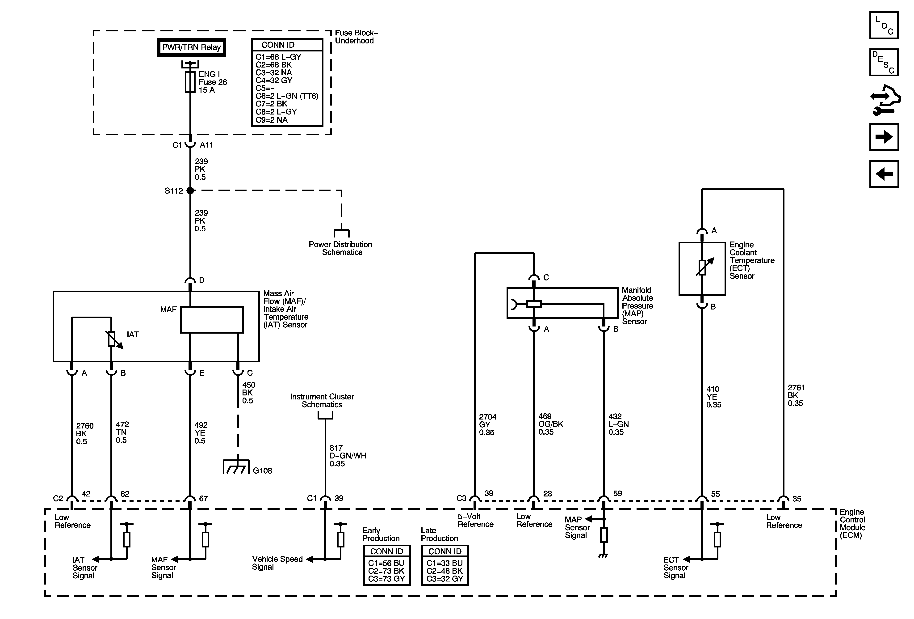
Engine Data Sensors - MAF, Pressure, and Temperature
Engine Data Sensors - MAF, Pressure, and Temperature
Master Electrical Component List
Engine Control Module Description
Control Module References
Engine Data Sensors - Oxygen Sensors
Engine Data Sensors - 5-Volt and Low Reference
Fuse Block - Underhood - PWR/TRN Relay - 2 of 2
Fuse Block - Underhood - PWR/TRN Relay - 2 of 2
G108
Gages