GM Service Manual Online
For 1990-2009 cars only
Makes
🢒
Saab
🢒
2007
🢒
9-7x
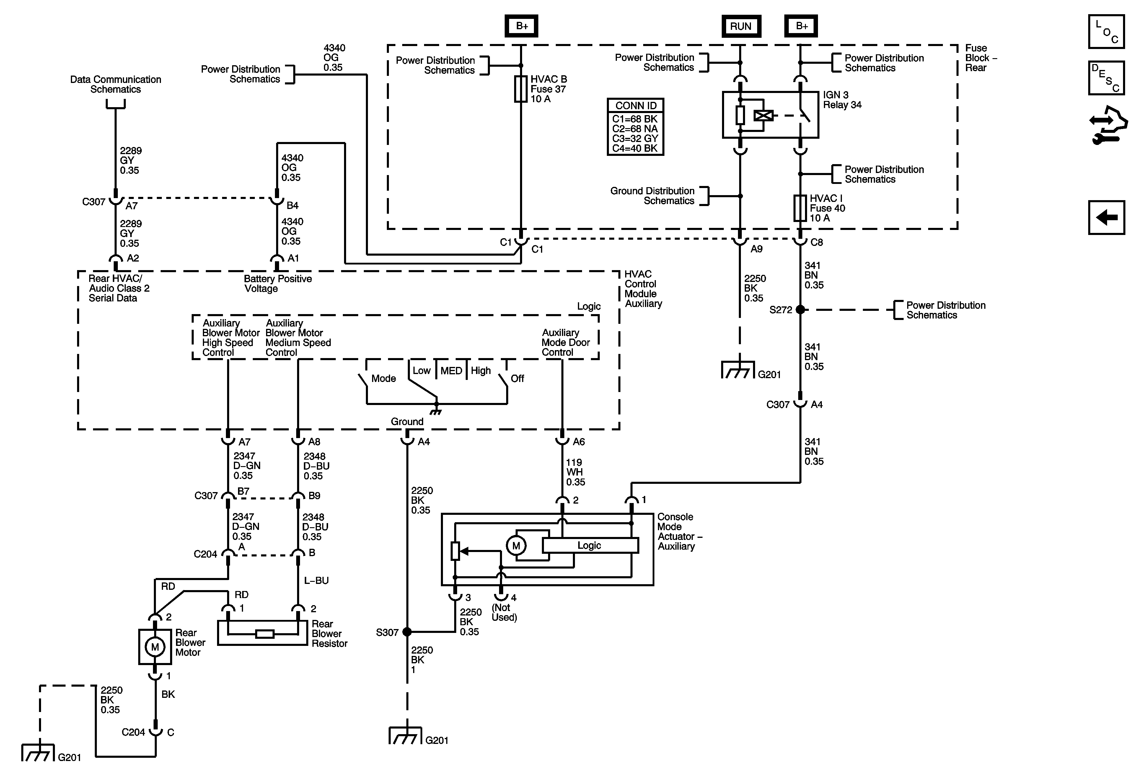
🢒 Rear Auxiliary Controls
Rear Auxiliary Controls
Rear Auxiliary Controls
Master Electrical Component List
Air Delivery Description and Operation
Control Module References
Ambient Light/Sunload Sensor
SP205
HVAC B, LGM/DSM, OH BATT/ONSTAR, and RADIO Fuses
B+ BUS - Rear Fuse Block
B+ BUS - Rear Fuse Block
G201 - 1 of 2
4WD, BRK, FRT WPR, HVAC I, IGN 0, and TCM Fuses
G201 - 1 of 2
4WD, BRK, FRT WPR, HVAC I, IGN 0, and TCM Fuses
G201 - 1 of 2
G201 - 1 of 2