GM Service Manual Online
For 1990-2009 cars only
Makes
🢒
Saab
🢒
2007
🢒
9-7x
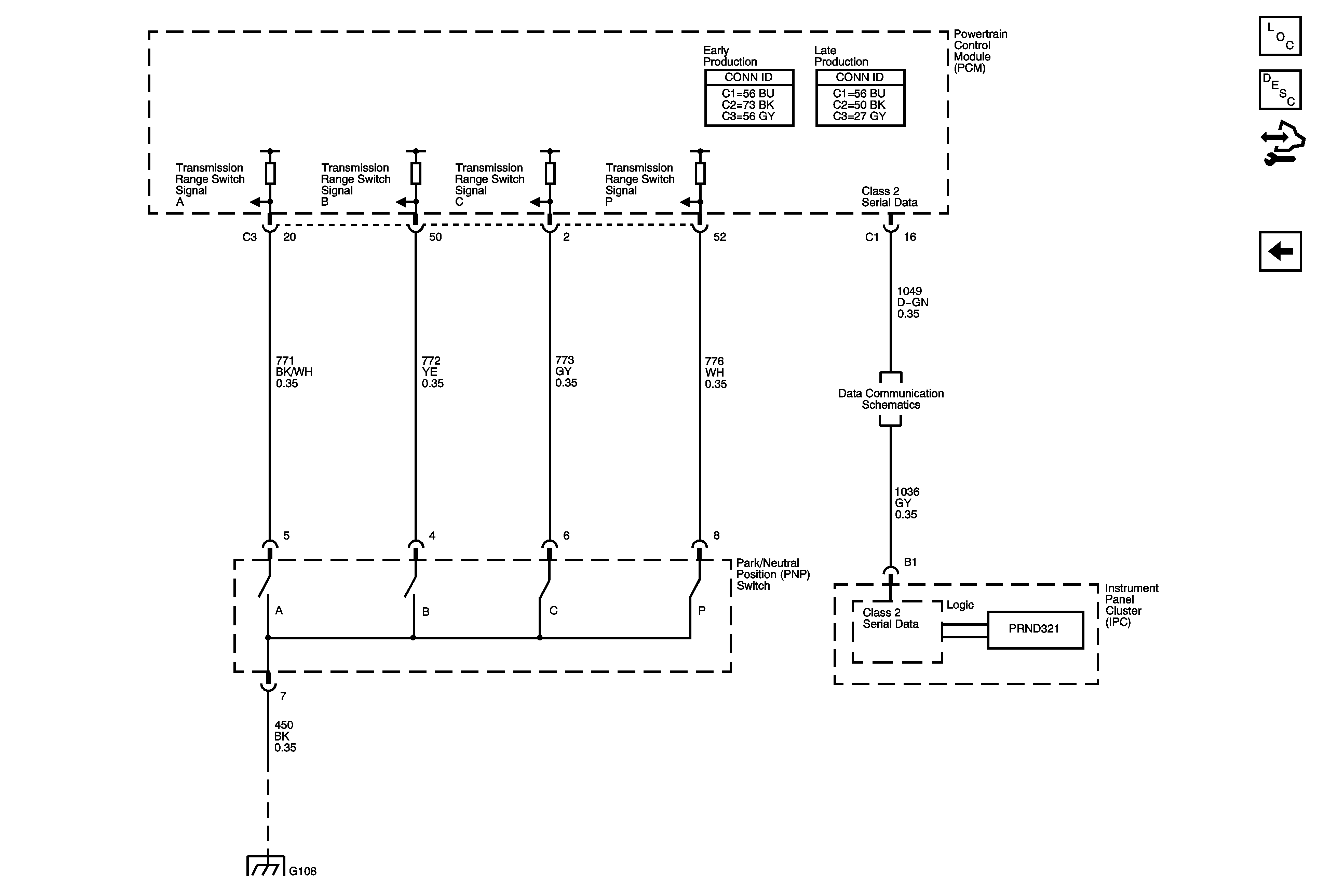
🢒 PNP Switch, Serial Data, and Indicator
PNP Switch, Serial Data, and Indicator
PNP Switch, Serial Data, and Indicator
Master Electrical Component List
Electronic Component Description (PCM)
Control Module References
Pressure Controls, Temperature, and VSS
SP205
G108