GM Service Manual Online
For 1990-2009 cars only
Figure 1:

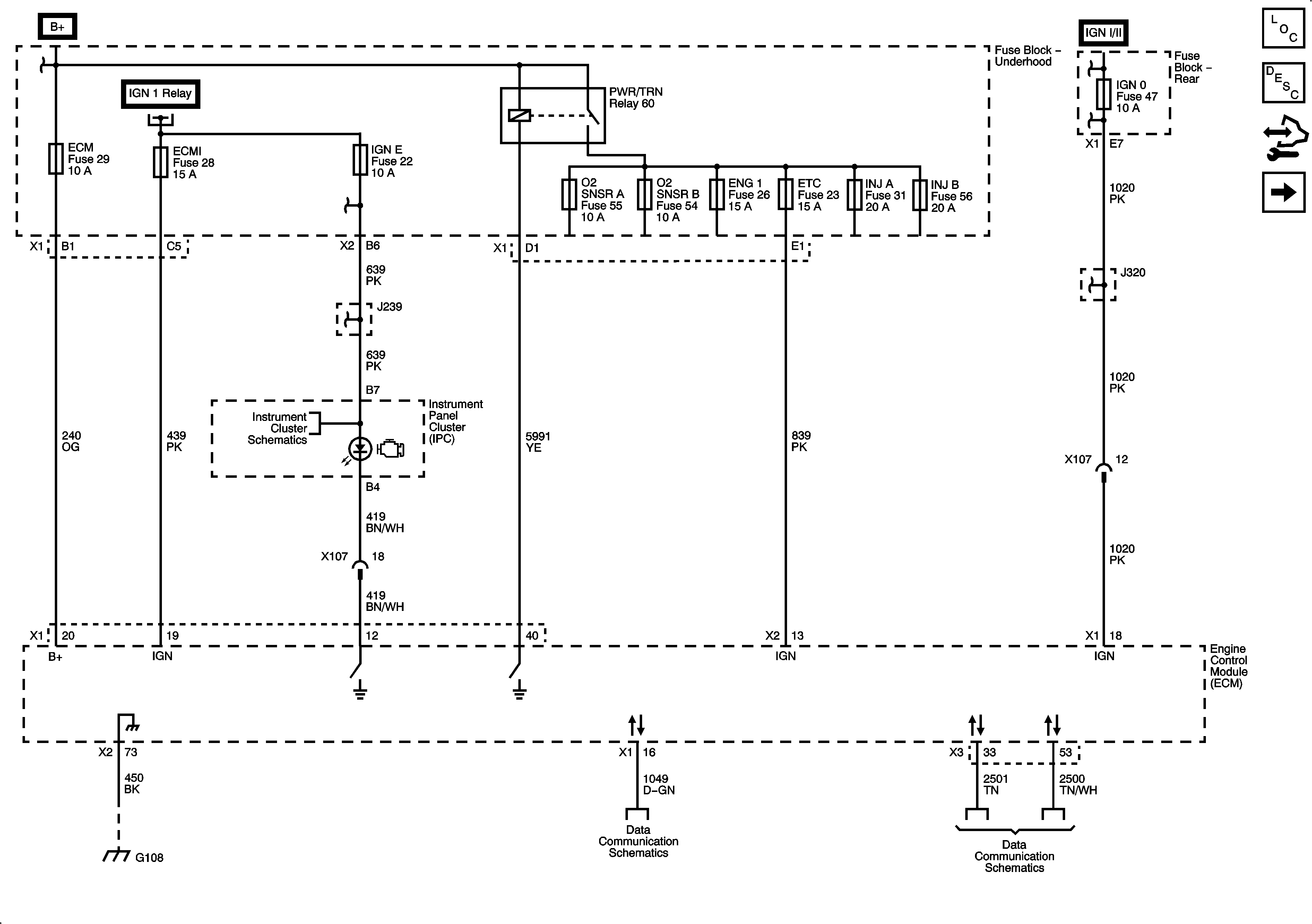
Module Power, Grounds, Serial Data, and MIL


Object Number: 1924898  Size: FS
Master Electrical Component List
Engine Control Module Description
Control Module References
Ignition Controls - Ignition System Coils 2, 4 and 6
Figure 2:

5-Volt and Low Reference


Object Number: 1924910  Size: FS
Master Electrical Component List
Engine Control Module Description
Control Module References
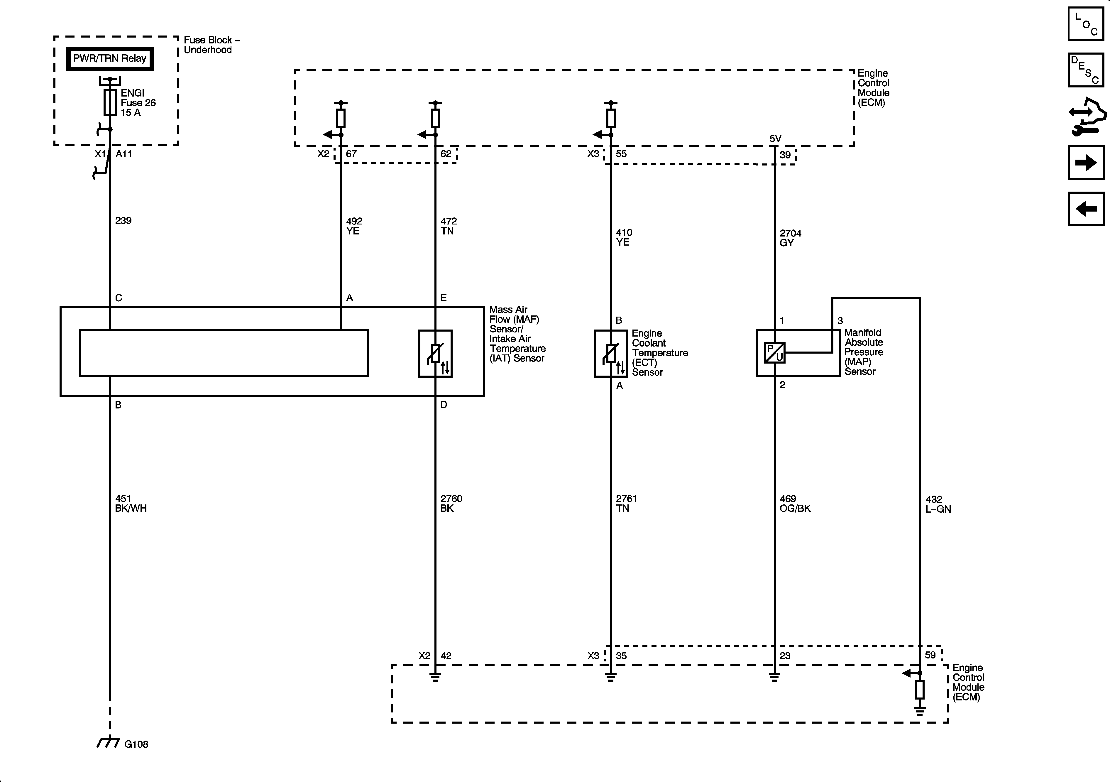
Engine Data Sensors - Pressure and Temperature
Ignition Controls - Ignition System Coils 2, 4 and 6
Figure 3:

Engine Data Sensors - Pressure and Temperature


Object Number: 1924915  Size: FS
Master Electrical Component List
Engine Control Module Description
Control Module References
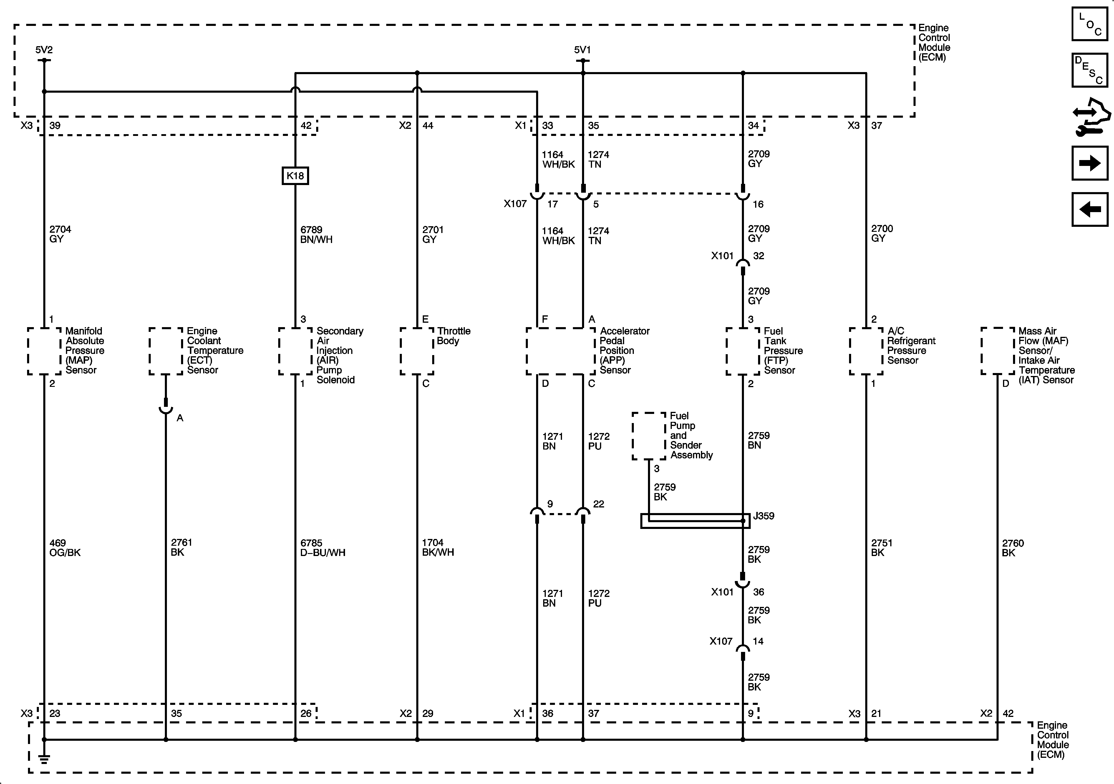
Engine Data Sensors - Oxygen Sensors
5-Volt and Low Reference
Figure 4:

Engine Data Sensors - Oxygen Sensors


Object Number: 1924921  Size: FS
Master Electrical Component List
Engine Control Module Description
Control Module References
Engine Data Sensors - Throttle Actuator Controls
Engine Data Sensors - Pressure and Temperature
Figure 5:

Engine Data Sensors - Throttle Actuator Controls


Object Number: 1924933  Size: FS
Master Electrical Component List
Throttle Actuator Control (TAC) System Description
Control Module References
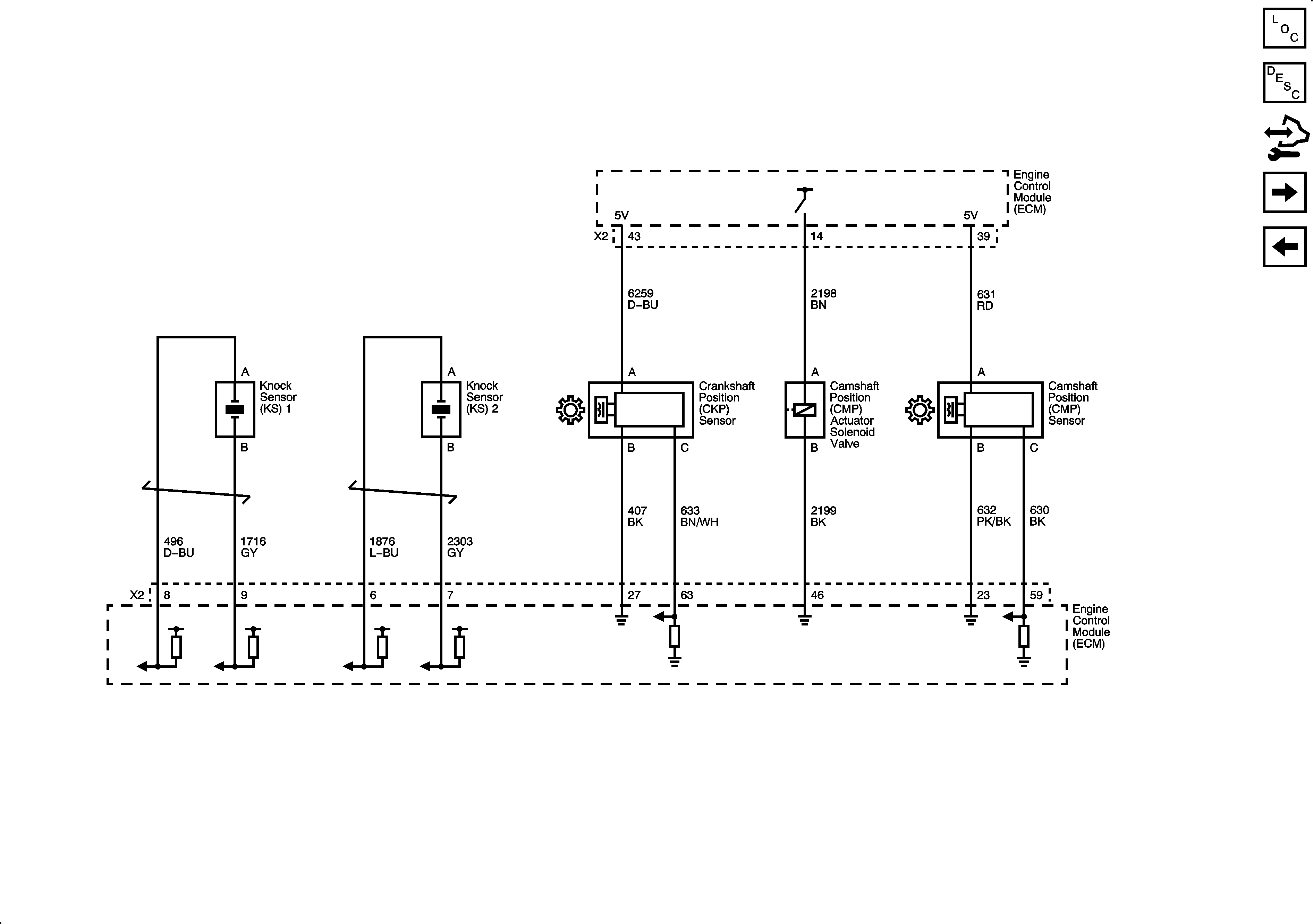
Ignition Controls - Ignition System Coils 1, 3 and 5
Engine Data Sensors - Oxygen Sensors
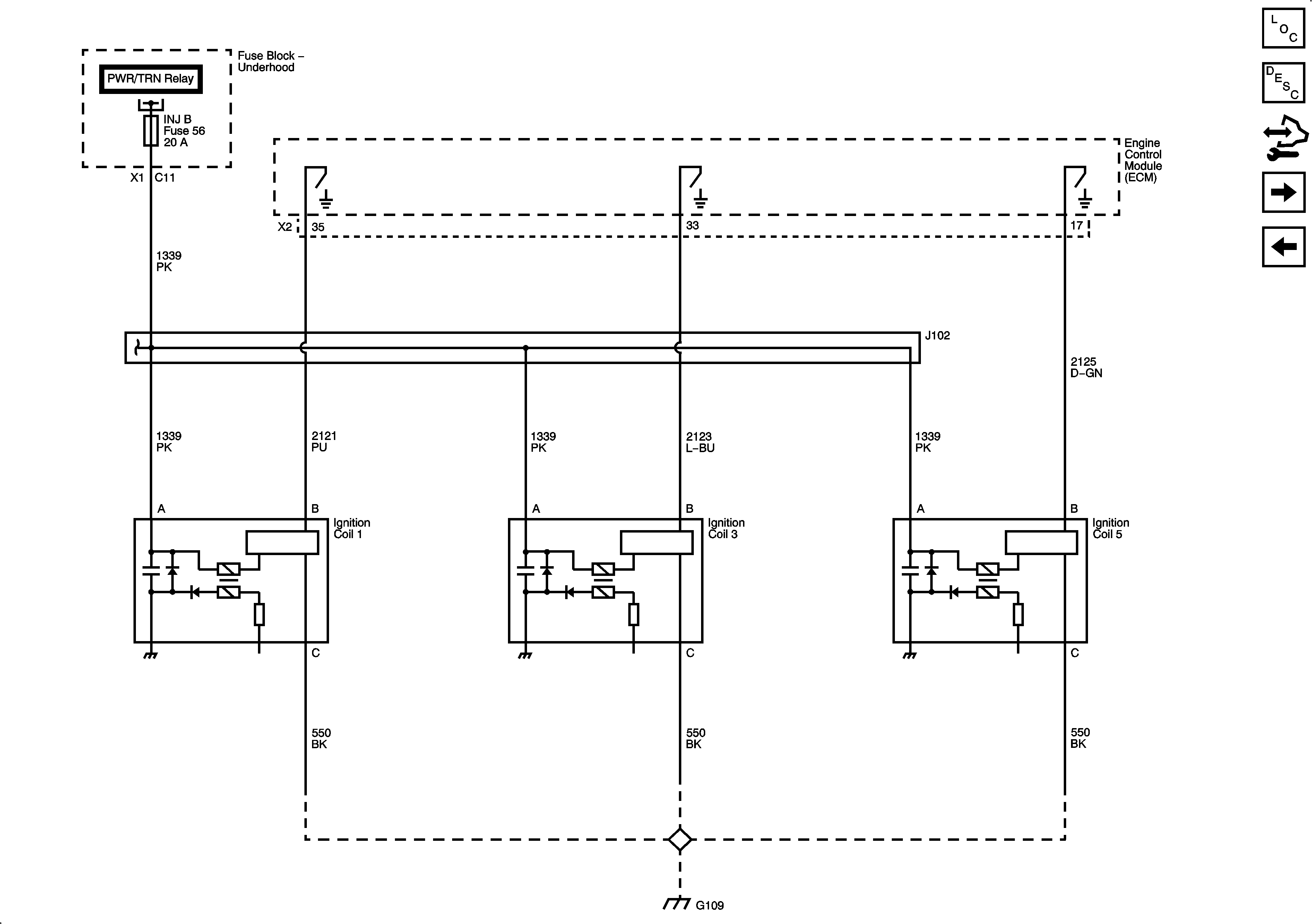
Figure 6:

Ignition Controls - Ignition System Coils 1, 3 and 5


Object Number: 1926703  Size: FS
Master Electrical Component List
Electronic Ignition (EI) System Description
Control Module References
Ignition Controls - Sensors
Engine Data Sensors - Throttle Actuator Controls
Figure 7:

Ignition Controls - Ignition System Coils 2, 4 and 6


Object Number: 1924902  Size: FS
Master Electrical Component List
Electronic Ignition (EI) System Description
Control Module References
5-Volt and Low Reference
Module Power, Grounds, Serial Data, and MIL
Figure 8:

Ignition Controls - Sensors


Object Number: 1926705  Size: FS
Master Electrical Component List
Electronic Ignition (EI) System Description
Control Module References
Fuel Controls - Fuel Pump Controls and Fuel Injectors
Ignition Controls - Ignition System Coils 1, 3 and 5
Figure 9:

Fuel Controls - Fuel Pump Controls and Fuel Injectors


Object Number: 1926709  Size: FS
Master Electrical Component List
Fuel System Description
Control Module References
Fuel Controls - EVAP Controls
Ignition Controls - Sensors
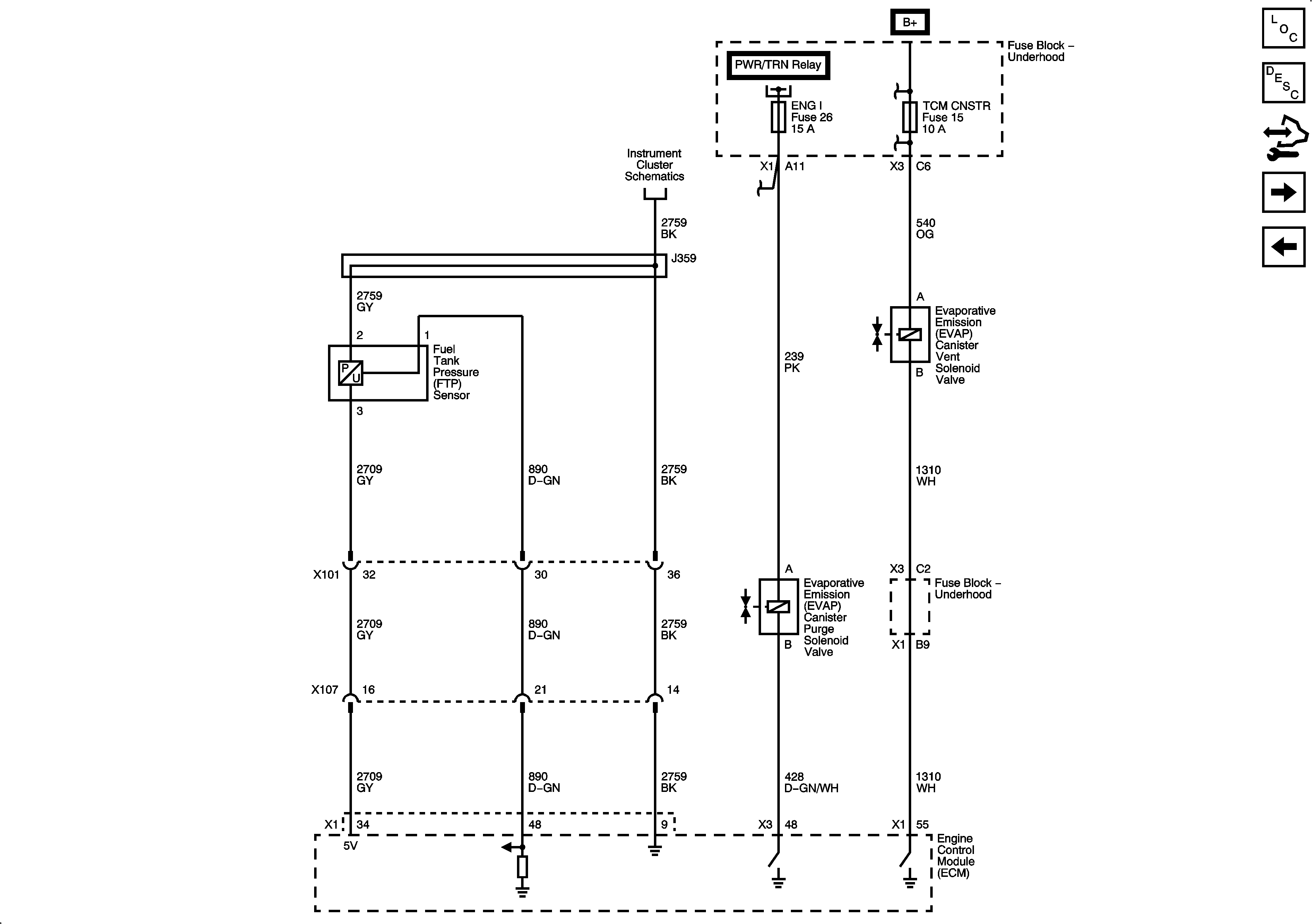
Figure 10:

Fuel Controls - EVAP Controls


Object Number: 1926712  Size: FS
Master Electrical Component List
Evaporative Emission Control System Description
Control Module References
Device Controls - K18
Fuel Controls - Fuel Pump Controls and Fuel Injectors
Figure 11:

Device Controls - K18


Object Number: 1926719  Size: FS
Master Electrical Component List
Secondary Air Injection System Description
Control Module References
Controlled/Monitored Subsystem References
Fuel Controls - EVAP Controls
Figure 12:

Controlled/Monitored Subsystem References


Object Number: 1926725  Size: FS
Master Electrical Component List
Engine Control Module Description
Control Module References
Module Power, Ground, Serial Data, and MIL
Device Controls - K18