GM Service Manual Online
For 1990-2009 cars only
Figure 1:

Power Seat Controls - Power, Ground, and Switch Controls


Object Number: 1929628  Size: FS
Master Electrical Component List
Sunroof Description and Operation
Control Module References
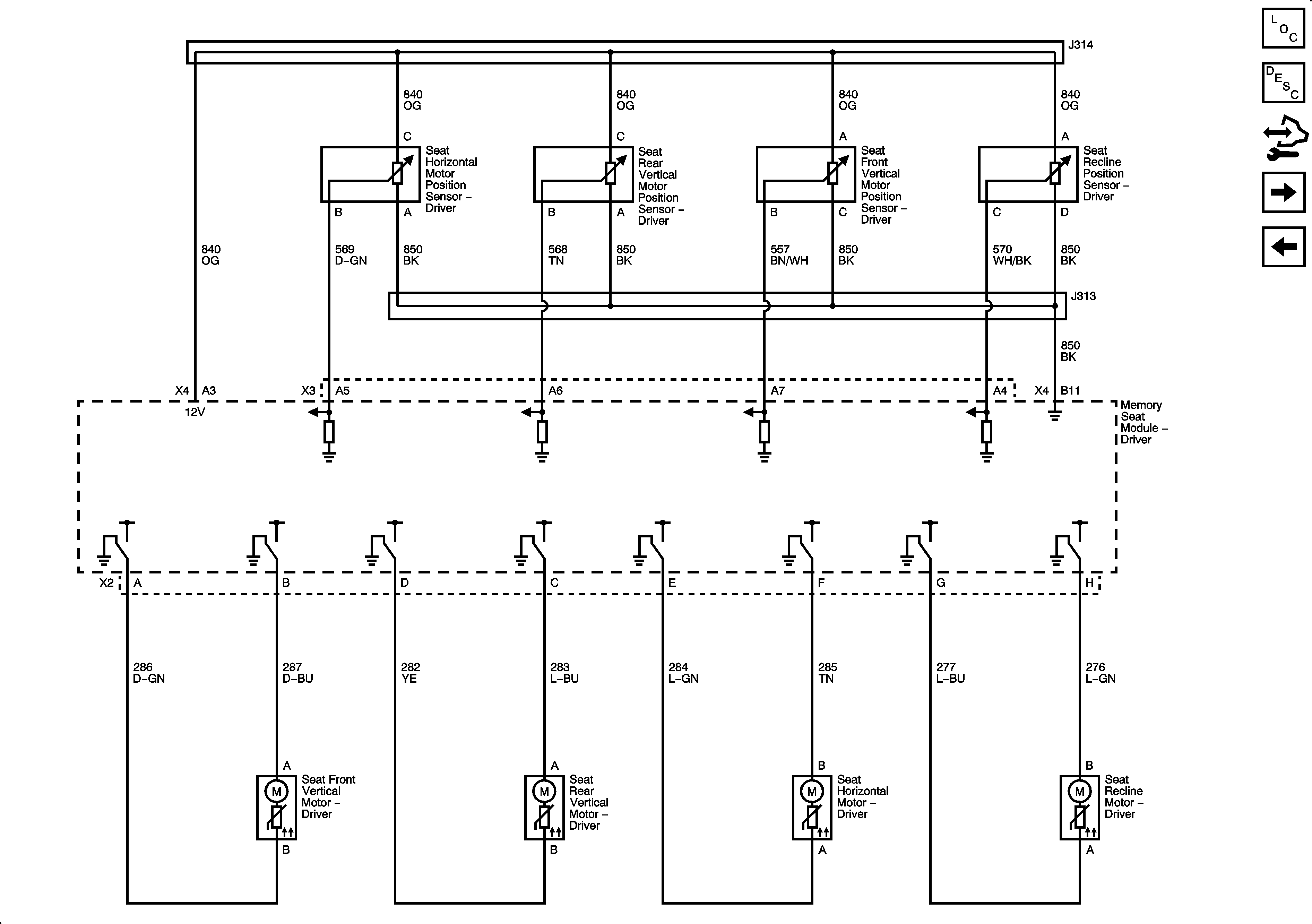
Power Seat Controls - Motor and Position Sensors
Figure 2:

Power Seat Controls - Motor and Position Sensors


Object Number: 1929630  Size: FS
Master Electrical Component List
Sunroof Description and Operation
Control Module References
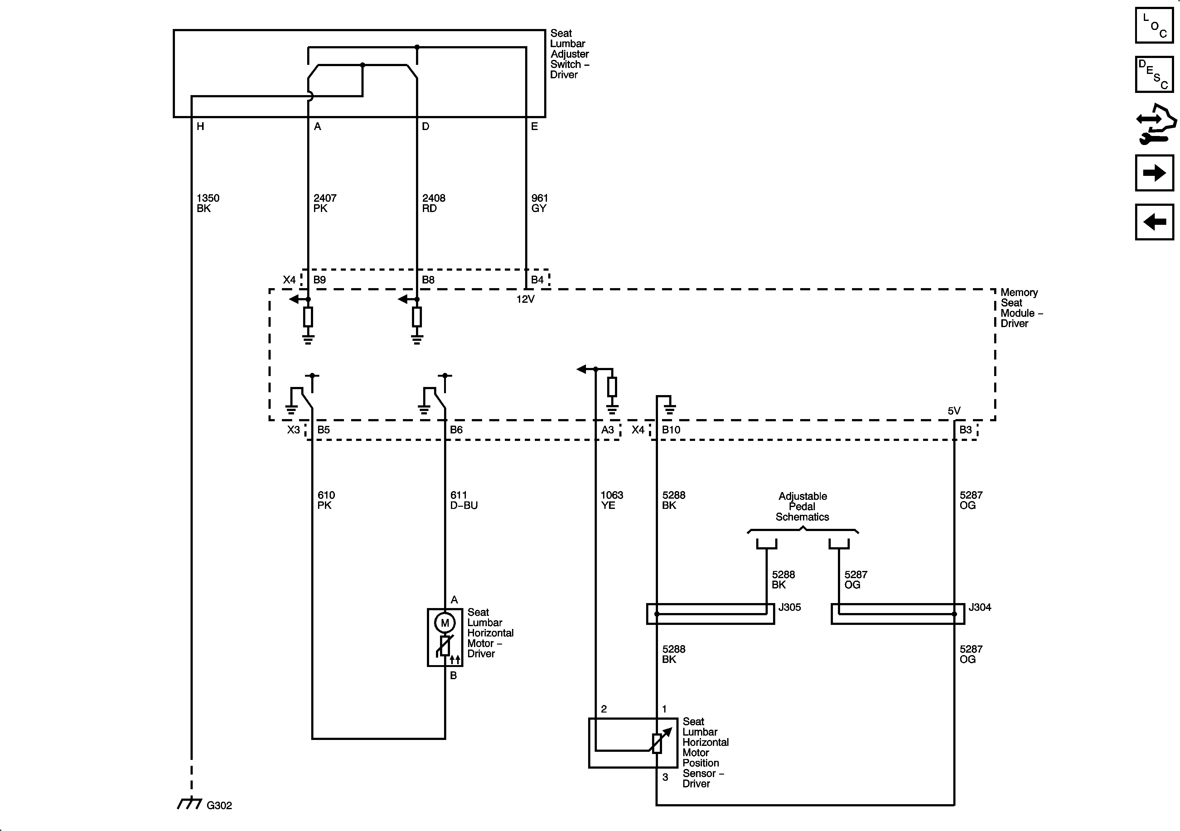
Lumbar Controls
Power Seat Controls - Power, Ground, and Switch Controls
Figure 3:

Lumbar Controls


Object Number: 1929638  Size: FS
Master Electrical Component List
Sunroof Description and Operation
Control Module References
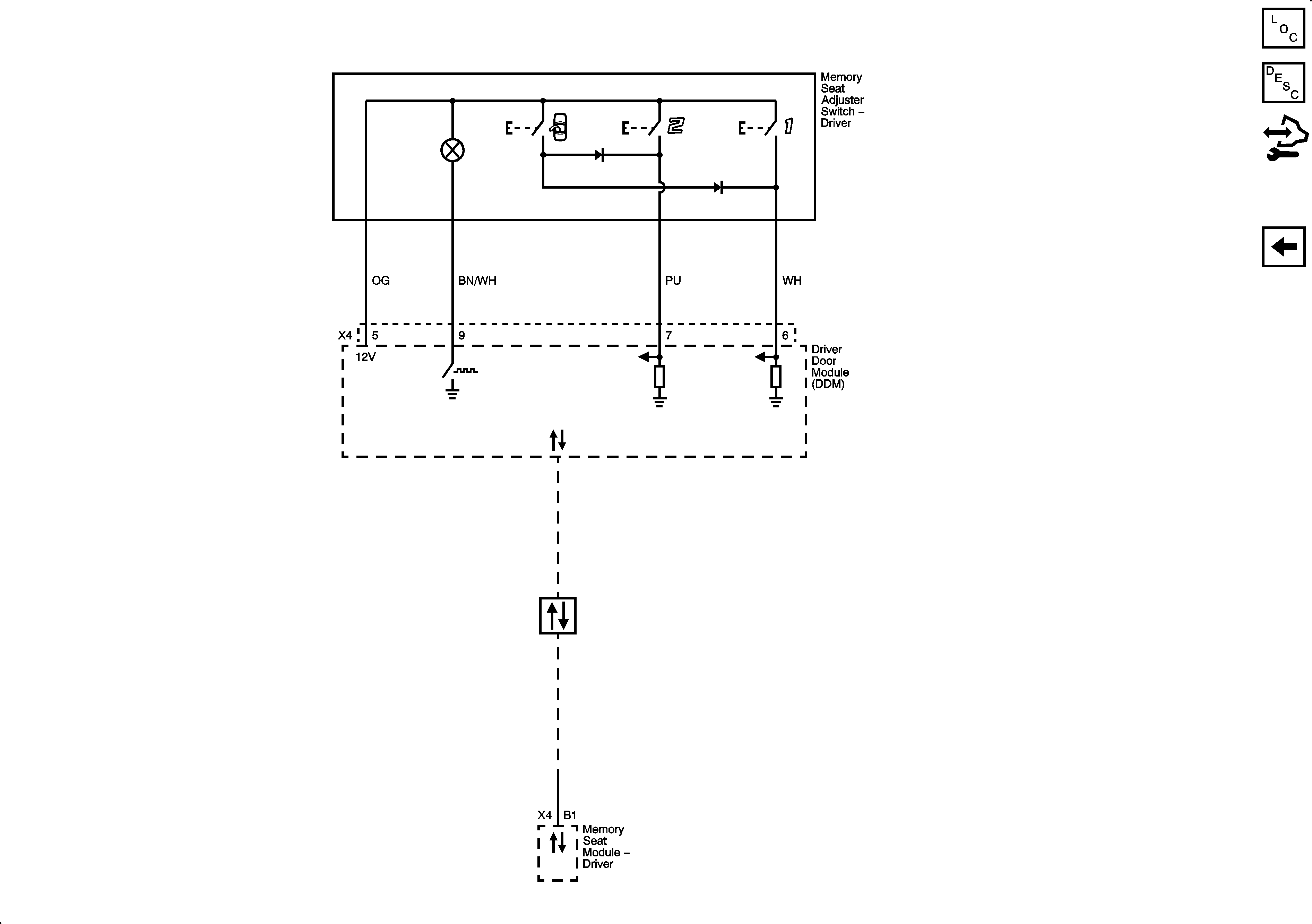
Memory Controls
Power Seat Controls - Motor and Position Sensors
Figure 4:

Memory Controls


Object Number: 1929641  Size: FS
Master Electrical Component List
Sunroof Description and Operation
Control Module References
Lumbar Controls