GM Service Manual Online
For 1990-2009 cars only
Figure 1:

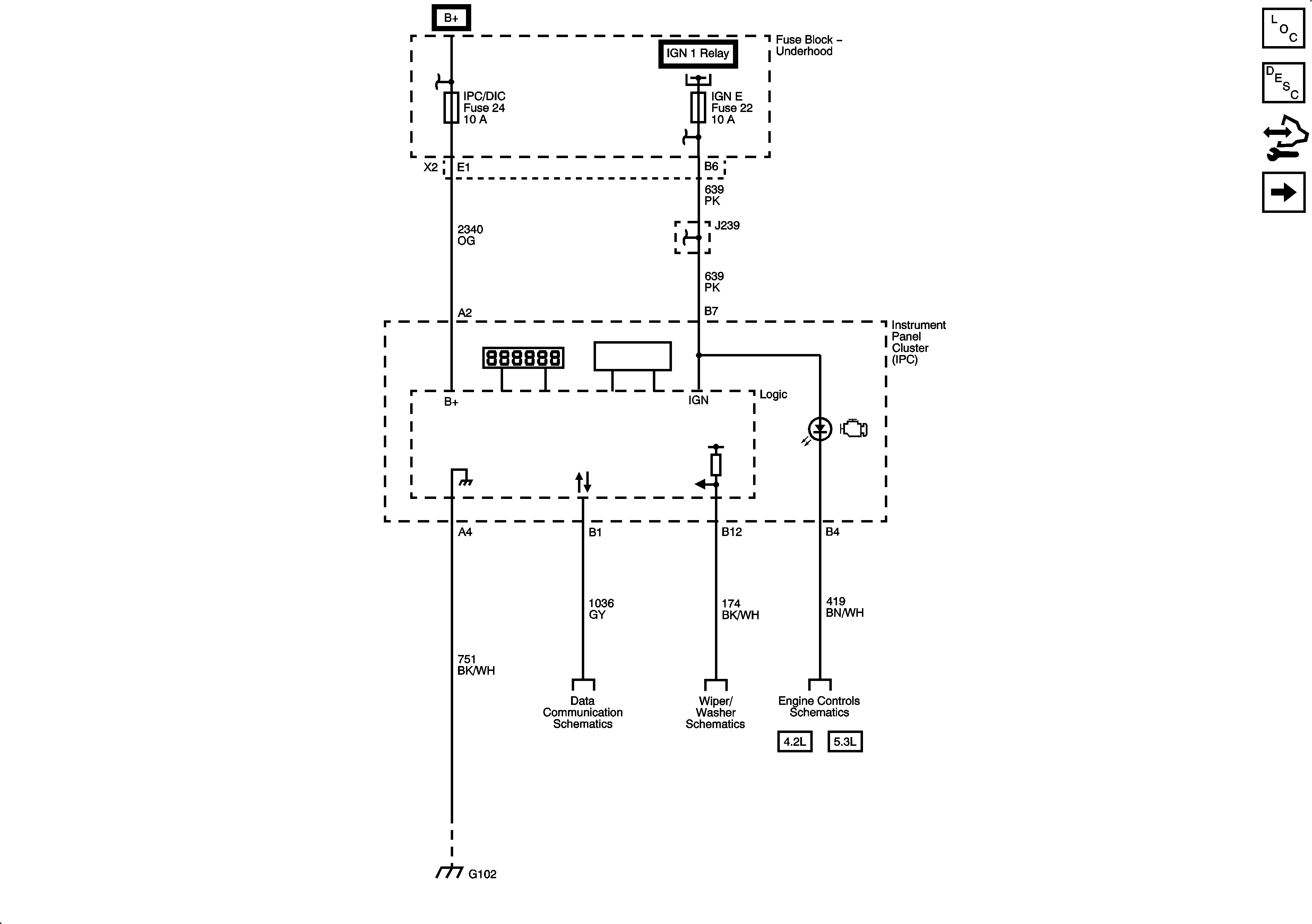
Power, Ground, Serial Data, and MIL


Object Number: 1927850  Size: FS
Master Electrical Component List
Instrument Cluster Description and Operation
Control Module References
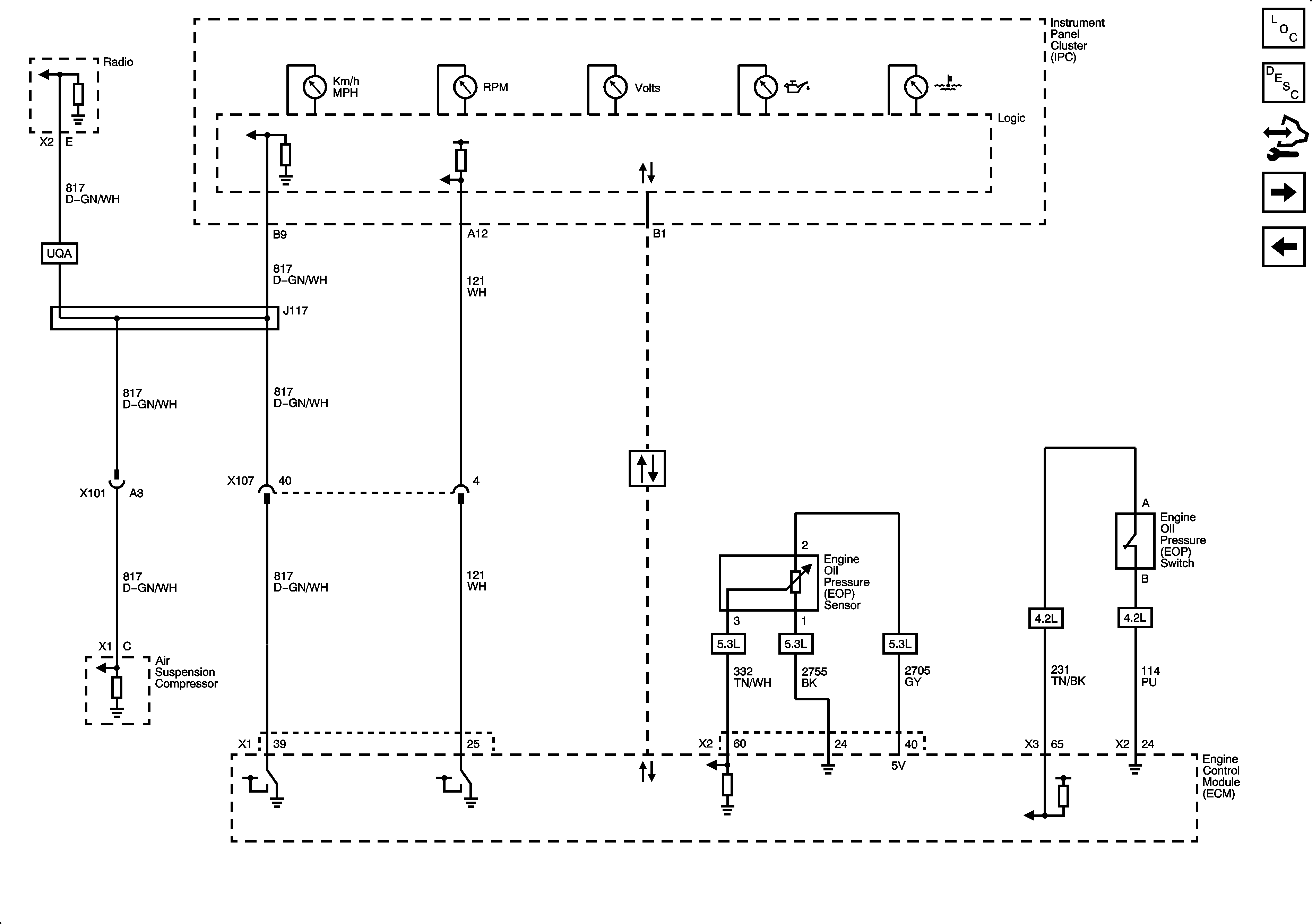
Gages
Figure 2:

Gages


Object Number: 1927908  Size: FS
Master Electrical Component List
Instrument Cluster Description and Operation
Control Module References
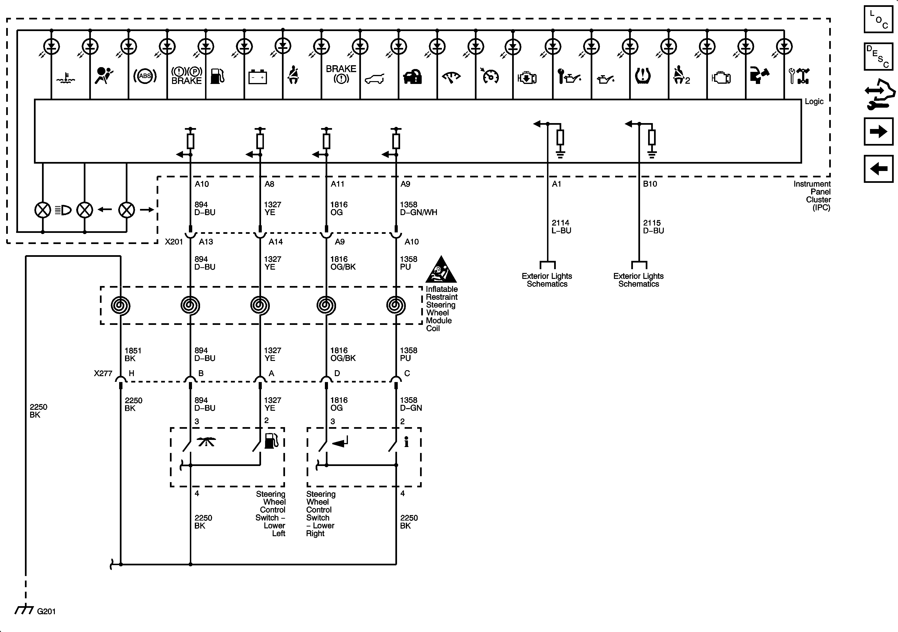
Indicators
Power, Ground, Serial Data, and MIL
Figure 3:

Indicators


Object Number: 1927917  Size: FS
Master Electrical Component List
Instrument Cluster Description and Operation
Control Module References
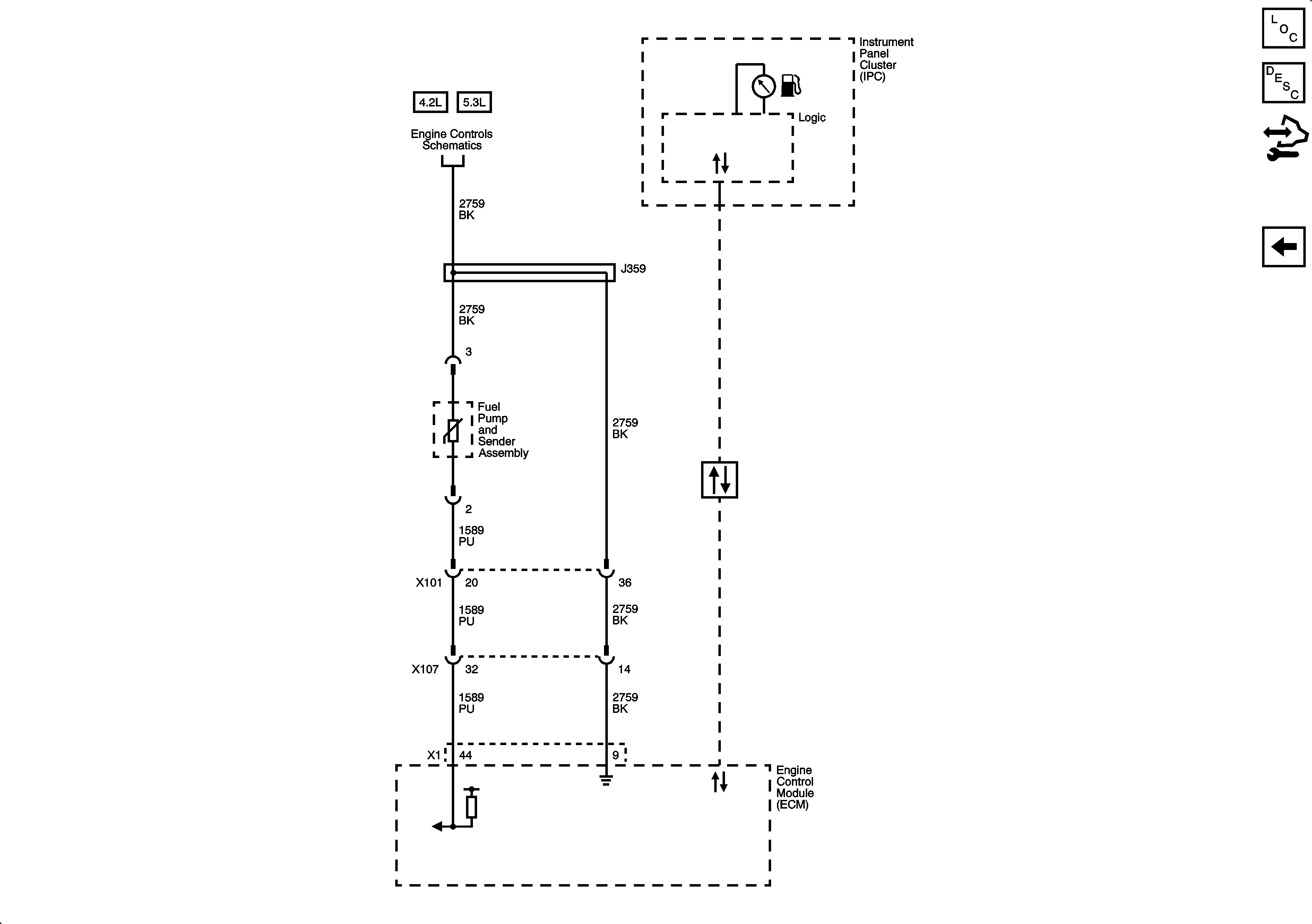
Fuel Gage
Gages
Figure 4:

Fuel Gage


Object Number: 1927926  Size: FS
Master Electrical Component List
Instrument Cluster Description and Operation
Control Module References
Indicators