GM Service Manual Online
For 1990-2009 cars only
Figure 1:

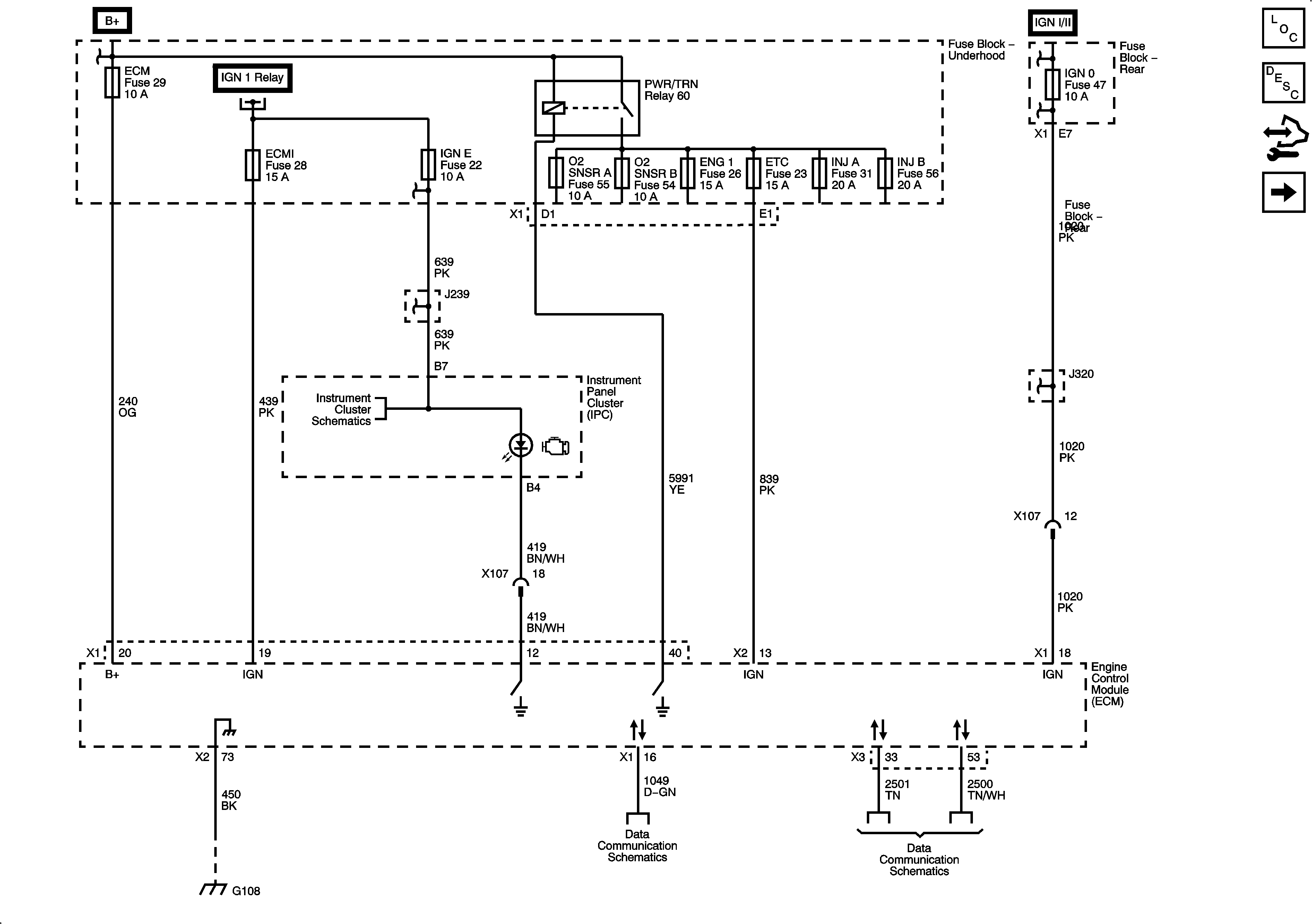
Module Power, Ground, Serial Data, and MIL


Object Number: 1926778  Size: FS
Master Electrical Component List
Engine Control Module Description
Control Module References
Engine Data Sensors - 5-Volt and Low Reference
Controlled/Monitored Subsystem References
Figure 2:

Engine Data Sensors - 5-Volt and Low Reference


Object Number: 1926792  Size: FS
Master Electrical Component List
Electronic Ignition (EI) System Description
Control Module References
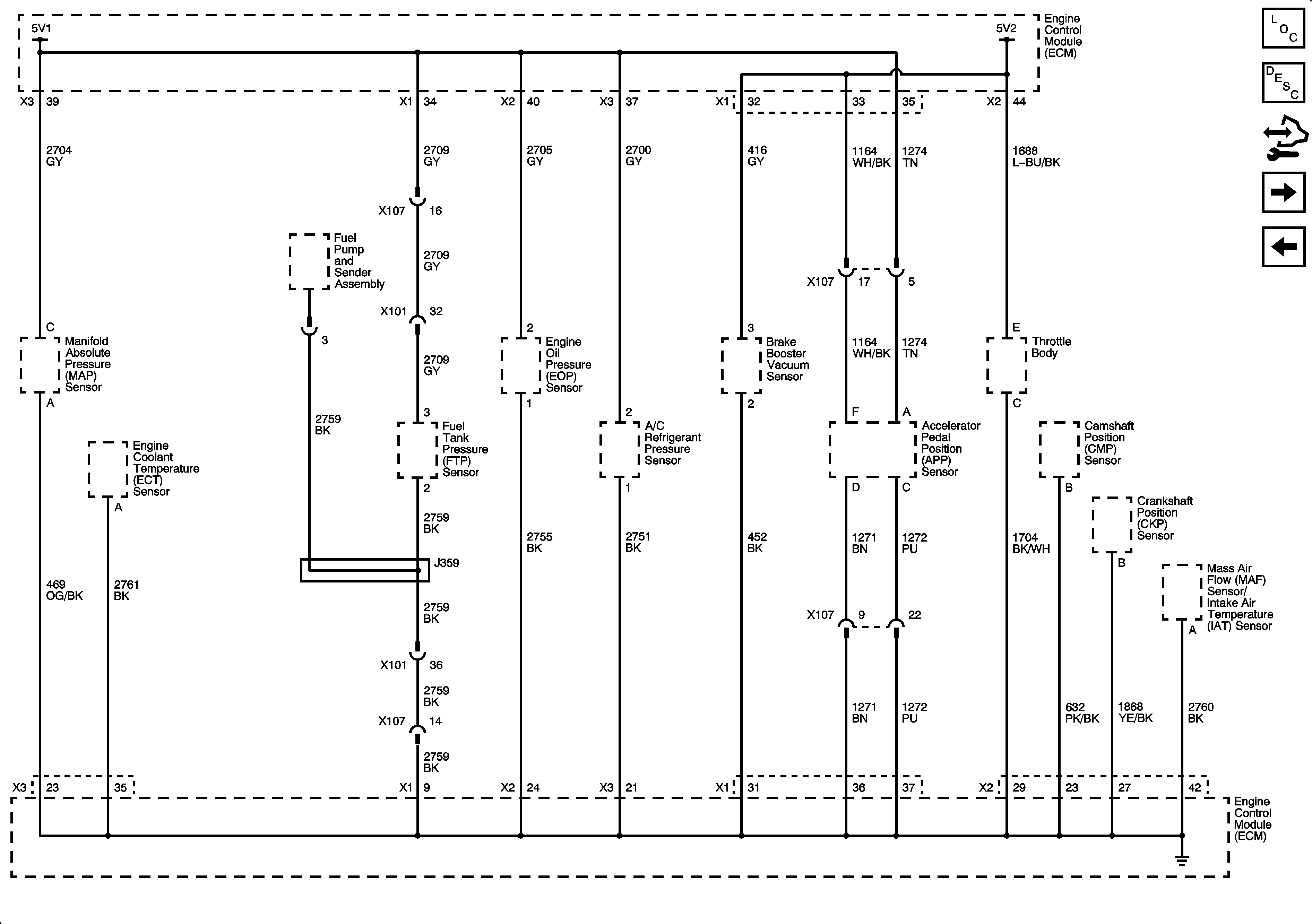
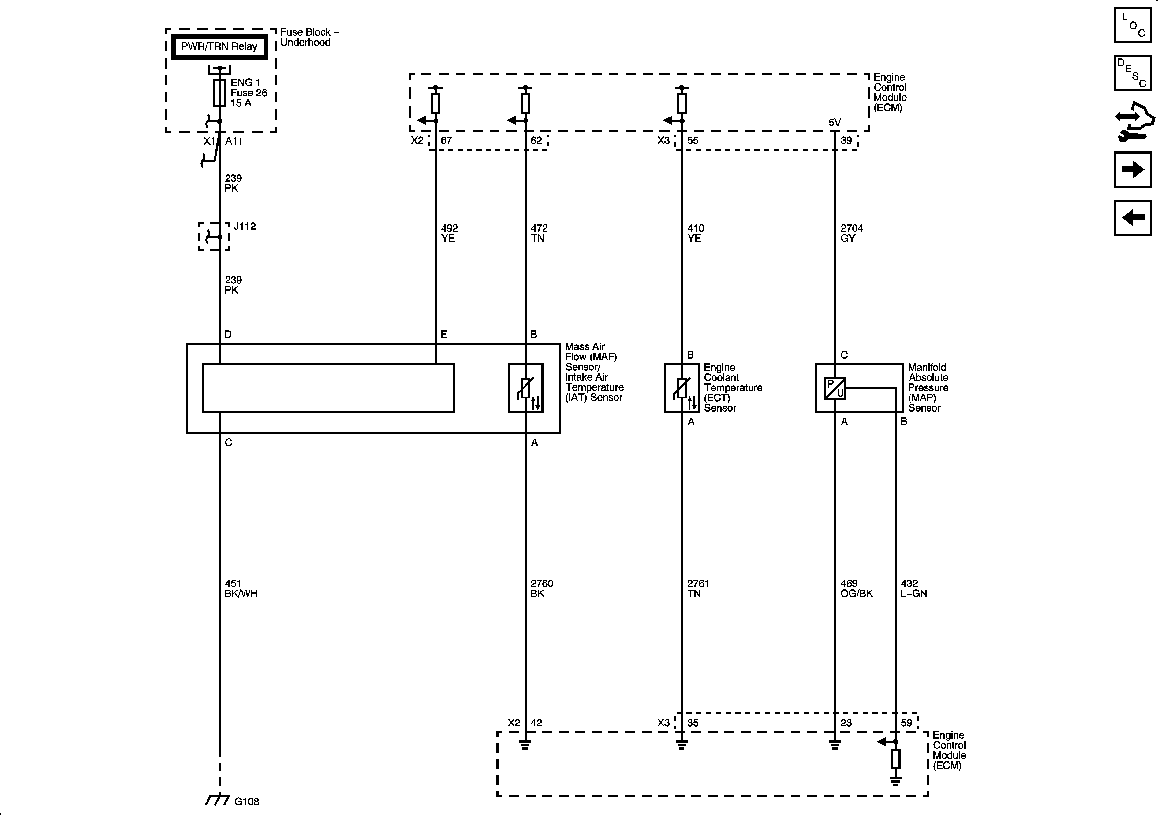
Engine Data Sensors - MAF, Pressure, and Temperature
Module Power, Ground, Serial Data, and MIL
Figure 3:

Engine Data Sensors - MAF, Pressure, and Temperature


Object Number: 1926794  Size: FS
Master Electrical Component List
Electronic Ignition (EI) System Description
Control Module References
Engine Data Sensors - Oxygen Sensors
Engine Data Sensors - 5-Volt and Low Reference
Figure 4:

Engine Data Sensors - Oxygen Sensors


Object Number: 1926796  Size: FS
Master Electrical Component List
Electronic Ignition (EI) System Description
Control Module References
Engine Data Sensors - Throttle Actuator Controls
Engine Data Sensors - MAF, Pressure, and Temperature
Figure 5:

Engine Data Sensors - Throttle Actuator Controls


Object Number: 1926798  Size: FS
Master Electrical Component List
Throttle Actuator Control (TAC) System Description
Control Module References
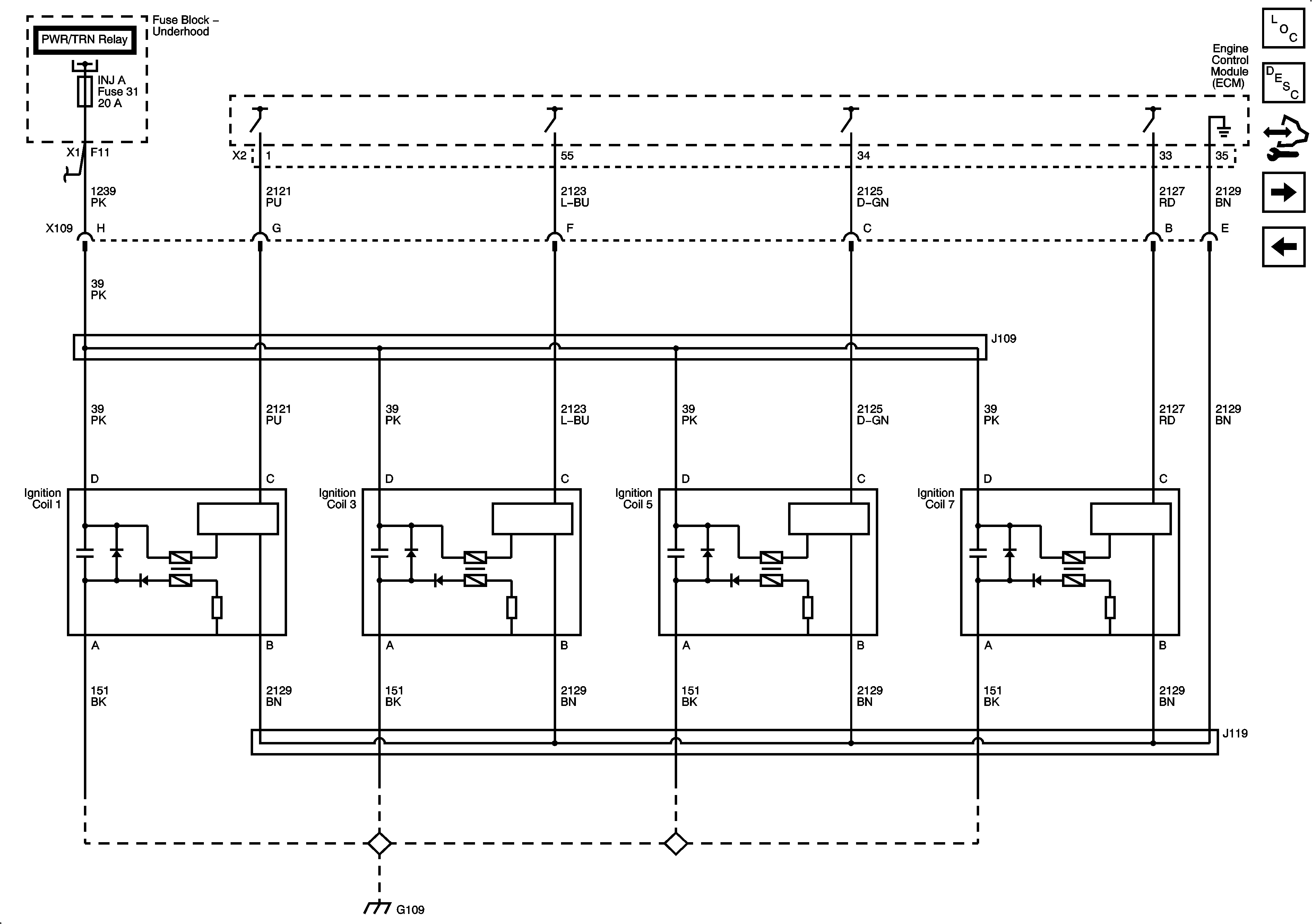
Ignition Controls - Ignition System Coils 1, 3, 5, and 7
Engine Data Sensors - Oxygen Sensors
Figure 6:

Ignition Controls - Ignition System Coils 1, 3, 5, and 7


Object Number: 1926803  Size: FS
Master Electrical Component List
Electronic Ignition (EI) System Description
Control Module References
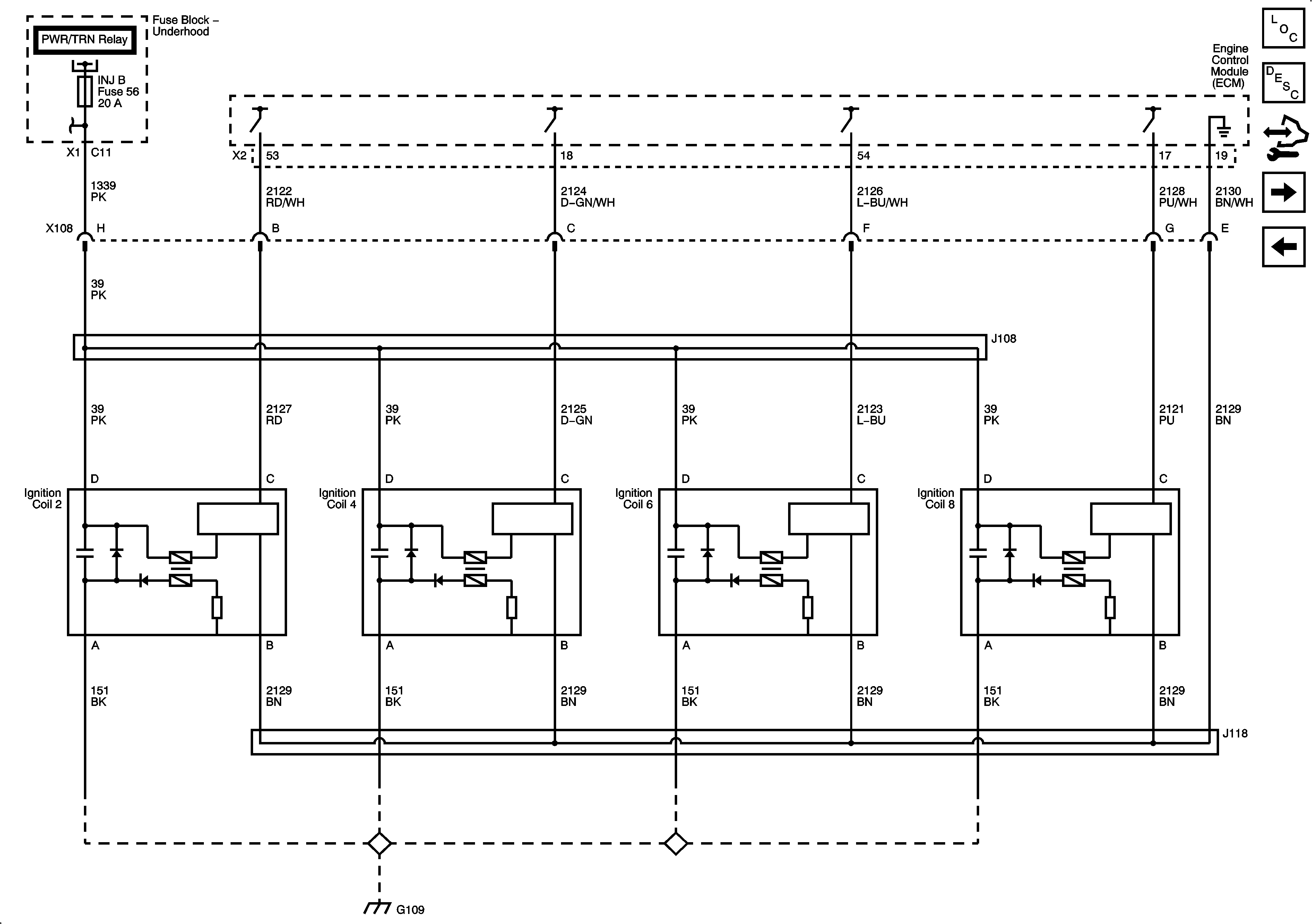
Ignition Controls - Ignition System Coils 2, 4, 6, and 8
Engine Data Sensors - Throttle Actuator Controls
Figure 7:

Ignition Controls - Ignition System Coils 2, 4, 6, and 8


Object Number: 1926807  Size: FS
Master Electrical Component List
Electronic Ignition (EI) System Description
Control Module References
Ignition Controls - Sensors and DOD Controls
Ignition Controls - Ignition System Coils 1, 3, 5, and 7
Figure 8:

Ignition Controls - Sensors and DOD Controls


Object Number: 1926811  Size: FS
Master Electrical Component List
Cylinder Deactivation (Active Fuel Management) System Description
Control Module References
Fuel Controls - Fuel Pump Controls and Fuel Injectors
Ignition Controls - Ignition System Coils 2, 4, 6, and 8
Figure 9:

Fuel Controls - Fuel Pump Controls and Fuel Injectors


Object Number: 1926827  Size: FS
Master Electrical Component List
Fuel System Description
Control Module References
Fuel Controls - EVAP Controls
Ignition Controls - Sensors and DOD Controls
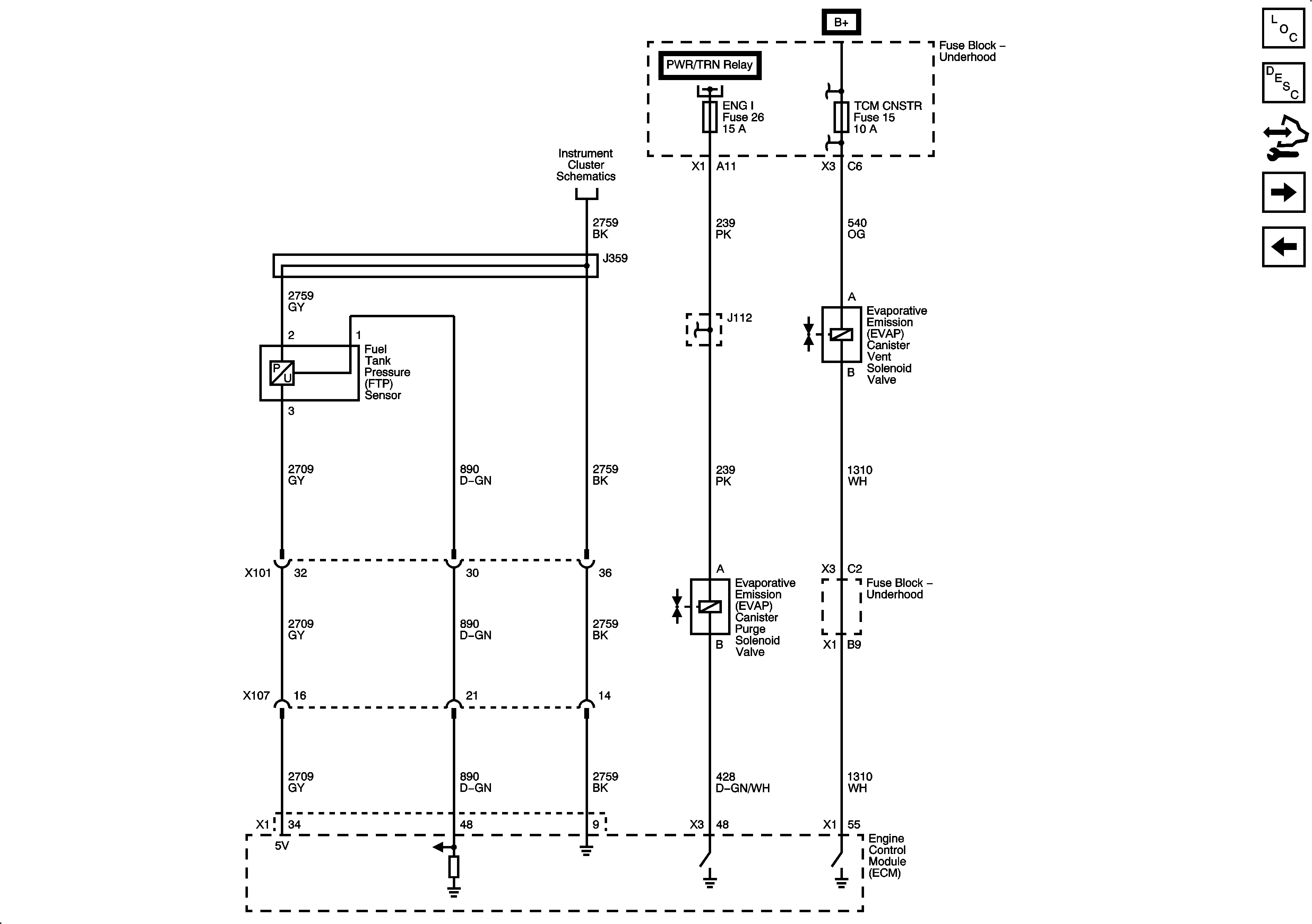
Figure 10:

Fuel Controls - EVAP Controls


Object Number: 1926839  Size: FS
Master Electrical Component List
Evaporative Emission Control System Description
Control Module References
Controlled/Monitored Subsystem References
Fuel Controls - Fuel Pump Controls and Fuel Injectors
Figure 11:

Controlled/Monitored Subsystem References


Object Number: 1926852  Size: FS
Master Electrical Component List
Engine Control Module Description
Control Module References
Fuel Controls - EVAP Controls