GM Service Manual Online
For 1990-2009 cars only
Figure 1:

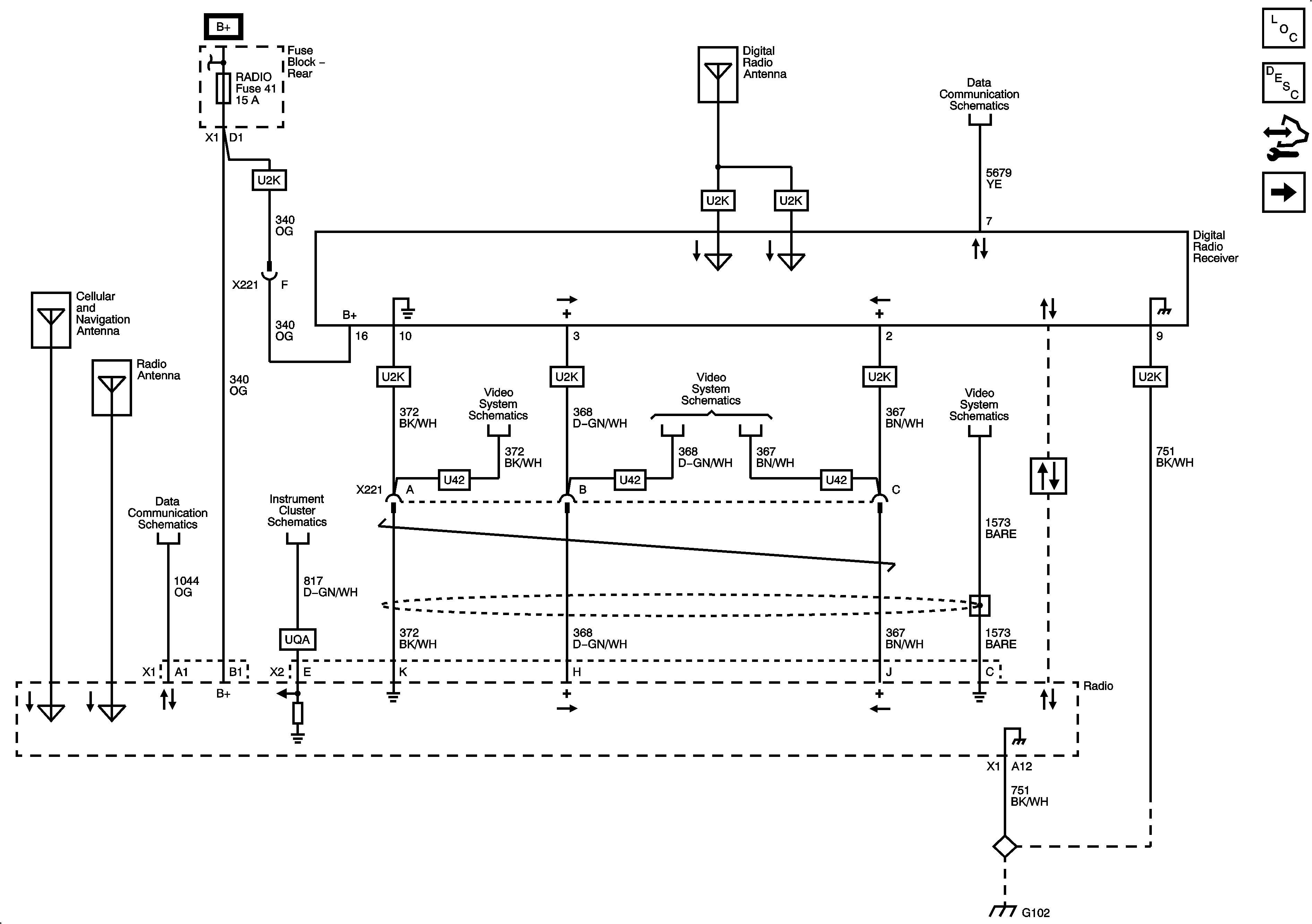
Power, Ground, Serial Data, and Digital Radio Receiver


Object Number: 1927692  Size: FS
Master Electrical Component List
Radio/Audio System Description and Operation
Control Module References
Base Radio w/o UQA
Figure 2:

Base Radio w/o UQA


Object Number: 1927701  Size: FS
Master Electrical Component List
Radio/Audio System Description and Operation
Control Module References
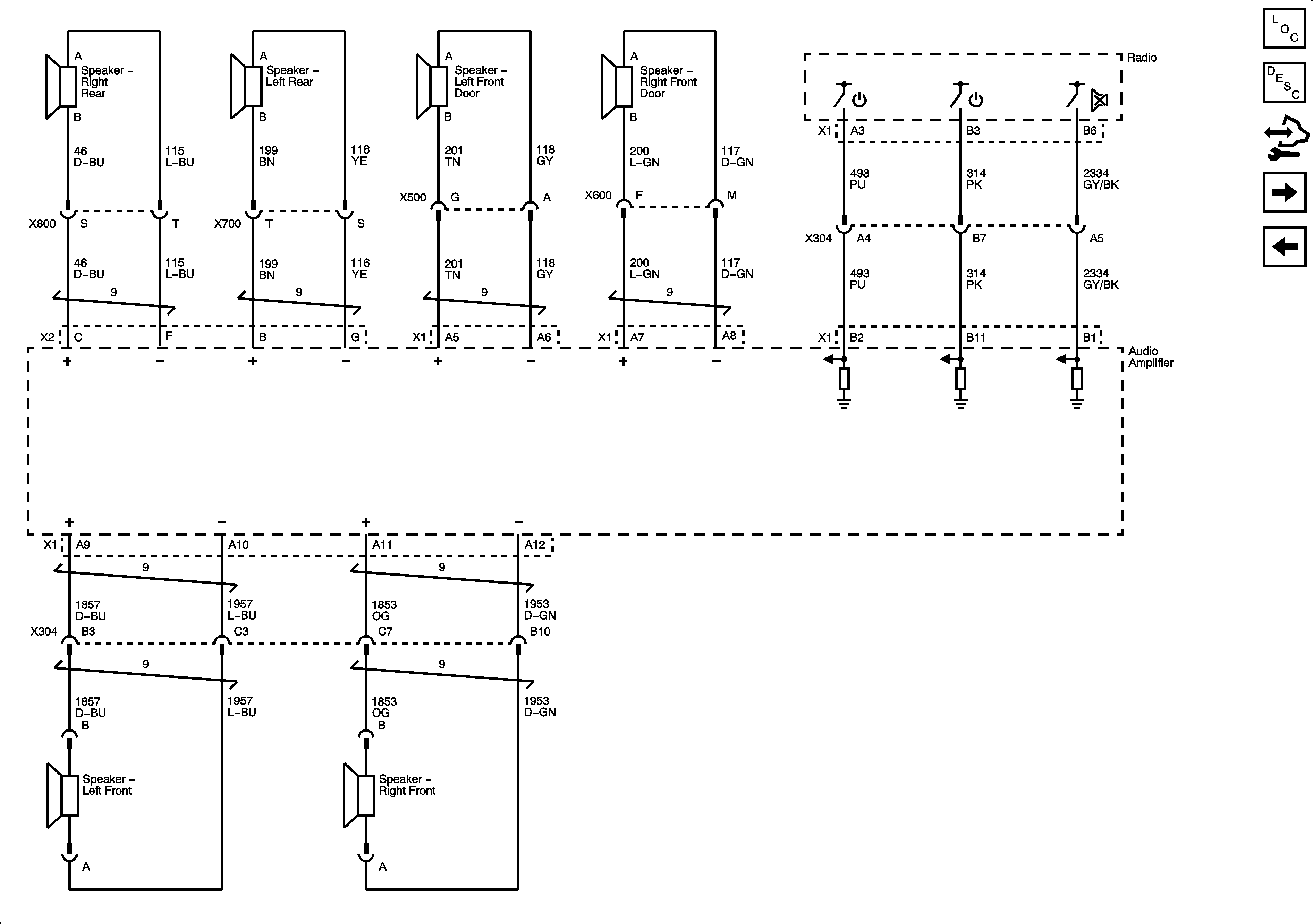
Audio Amplifier Power, Ground, and Premium Radio Low Level Audio Outputs - w/UQA
Power, Ground, Serial Data, and Digital Radio Receiver
Figure 3:

Audio Amplifier Power, Ground, and Premium Radio Low Level Audio Outputs - w/UQA


Object Number: 1927790  Size: FS
Master Electrical Component List
Radio/Audio System Description and Operation
Control Module References
Premium Radio Amplifier Outputs - w/UQA
Base Radio w/o UQA
Figure 4:

Premium Radio Amplifier Outputs - w/UQA


Object Number: 1927809  Size: FS
Master Electrical Component List
Radio/Audio System Description and Operation
Control Module References
Steering Wheel Controls
Audio Amplifier Power, Ground, and Premium Radio Low Level Audio Outputs - w/UQA
Figure 5:

Steering Wheel Controls


Object Number: 1927824  Size: FS
Master Electrical Component List
Radio/Audio System Description and Operation
Control Module References
Premium Radio Amplifier Outputs - w/UQA