GM Service Manual Online
For 1990-2009 cars only
Makes
🢒
Saab
🢒
2008
🢒
9-7x
🢒
Power and Signal Distribution
🢒
Data Communications
🢒 Data Communication Schematics
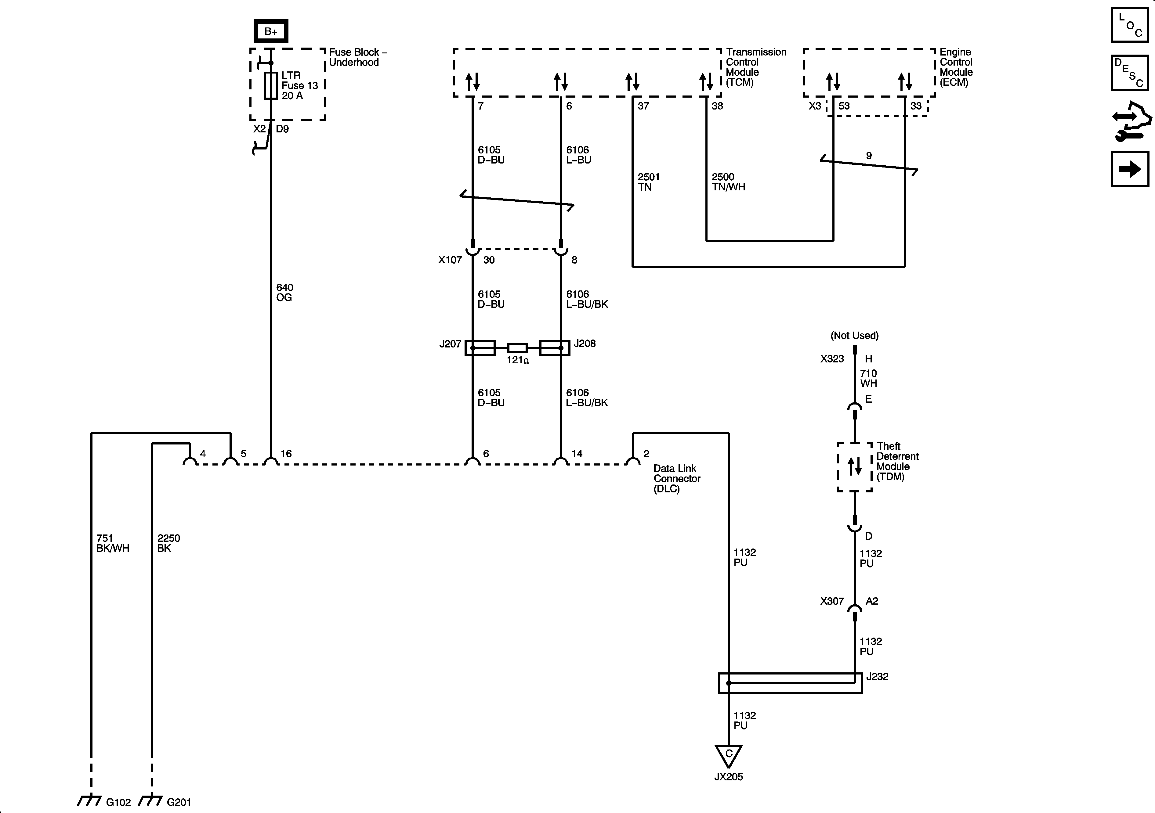
Figure
1:
Power, Ground, and Data Link Connector
Master Electrical Component List
Data Link Communications Description and Operation
Control Module References
JX205
Figure
2:
JX205
Master Electrical Component List
Data Link Communications Description and Operation
Control Module References
JX306
Power, Ground, and Data Link Connector
Figure
3:
JX306
Master Electrical Component List
Data Link Communications Description and Operation
Control Module References
JX205