GM Service Manual Online
For 1990-2009 cars only
Makes
🢒
Saab
🢒
2009
🢒
9-7x
🢒
Diagnostic Navigation
🢒
Vehicle Diagnostic Information
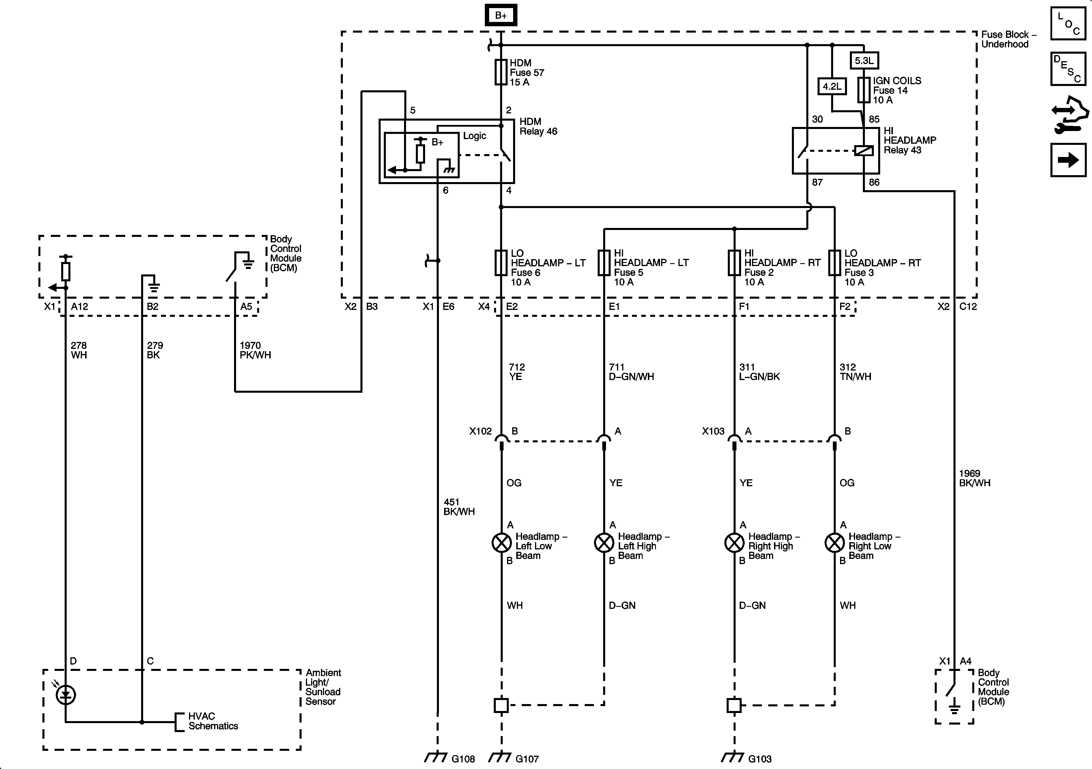
🢒 Headlights/Daytime Running Lights (DRL) Schematics
Figure
1:
Headlamps (without TT6)
Figure
2:
Headlamps (with TT6)
Figure
3:
Headlamp Switch