GM Service Manual Online
For 1990-2009 cars only
Makes
🢒
Saab
🢒
2009
🢒
9-7x
🢒
Diagnostic Navigation
🢒
Vehicle Diagnostic Information
🢒 Interior Lights Schematics
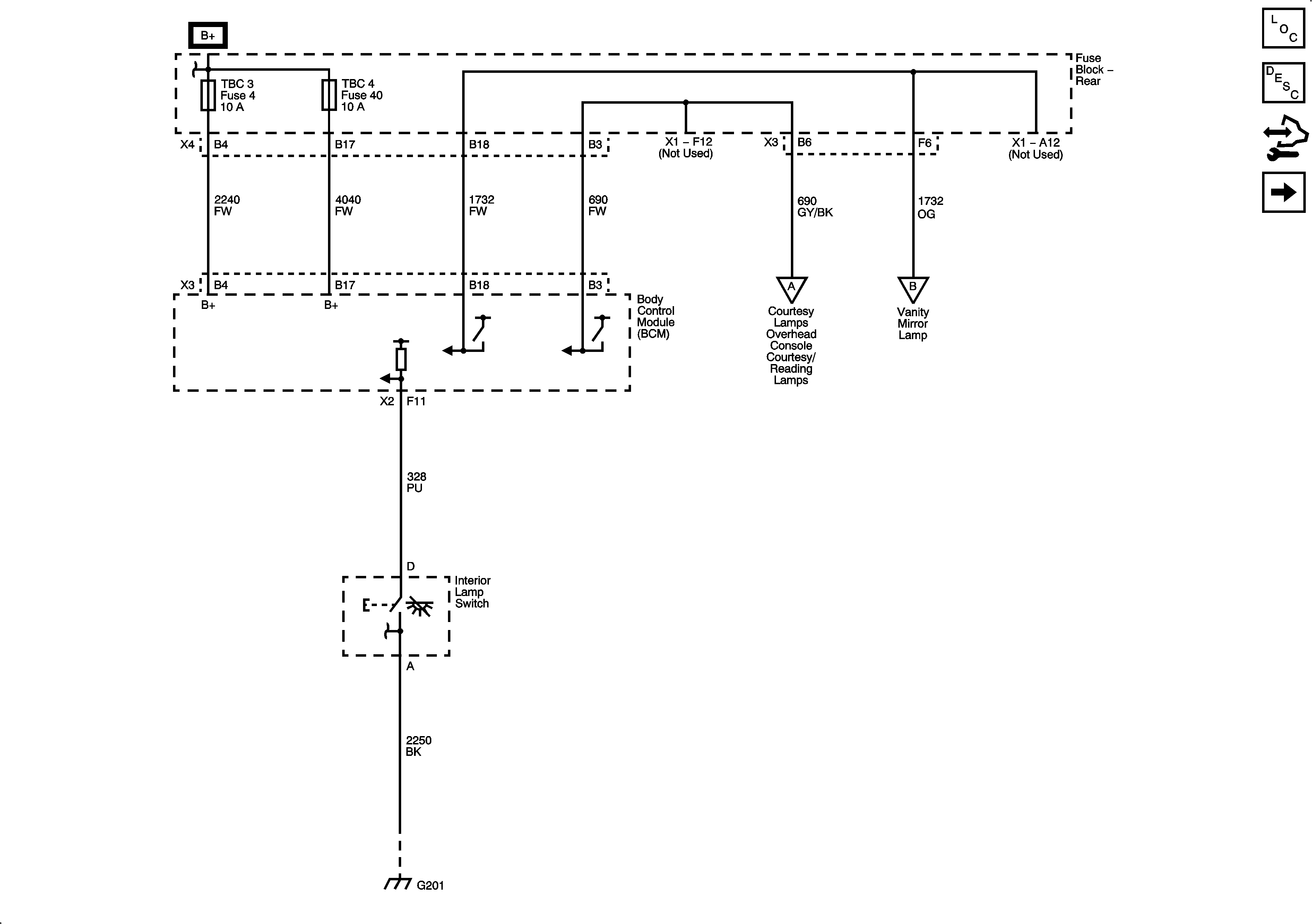
Figure
1:
Interior Lamps Controls
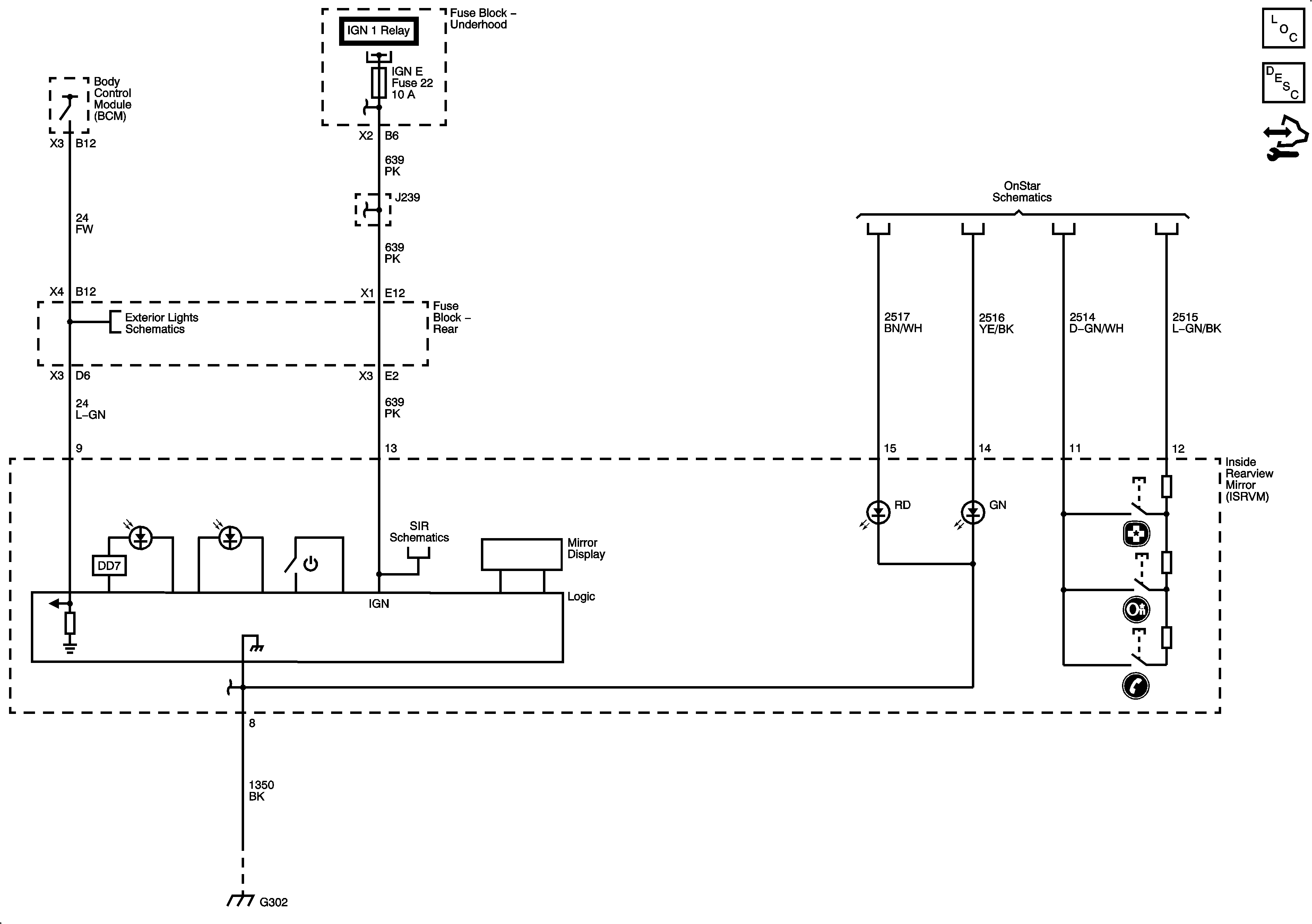
Figure
2:
Interior Lamps
Figure
3:
Door Switch and Liftgate Inputs