GM Service Manual Online
For 1990-2009 cars only
Makes
🢒
Saab
🢒
2009
🢒
9-7x
🢒
Diagnostic Navigation
🢒
Vehicle Diagnostic Information
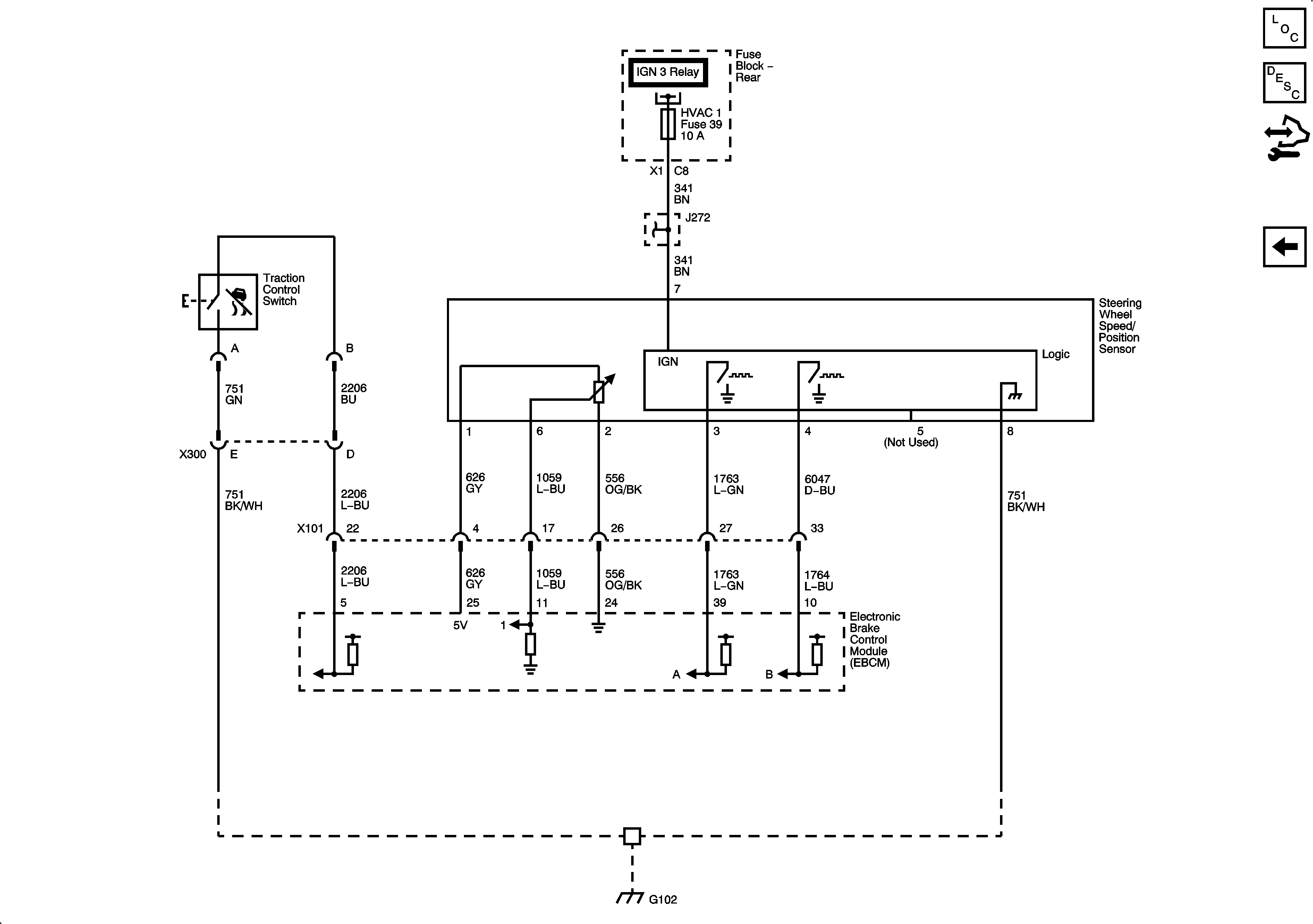
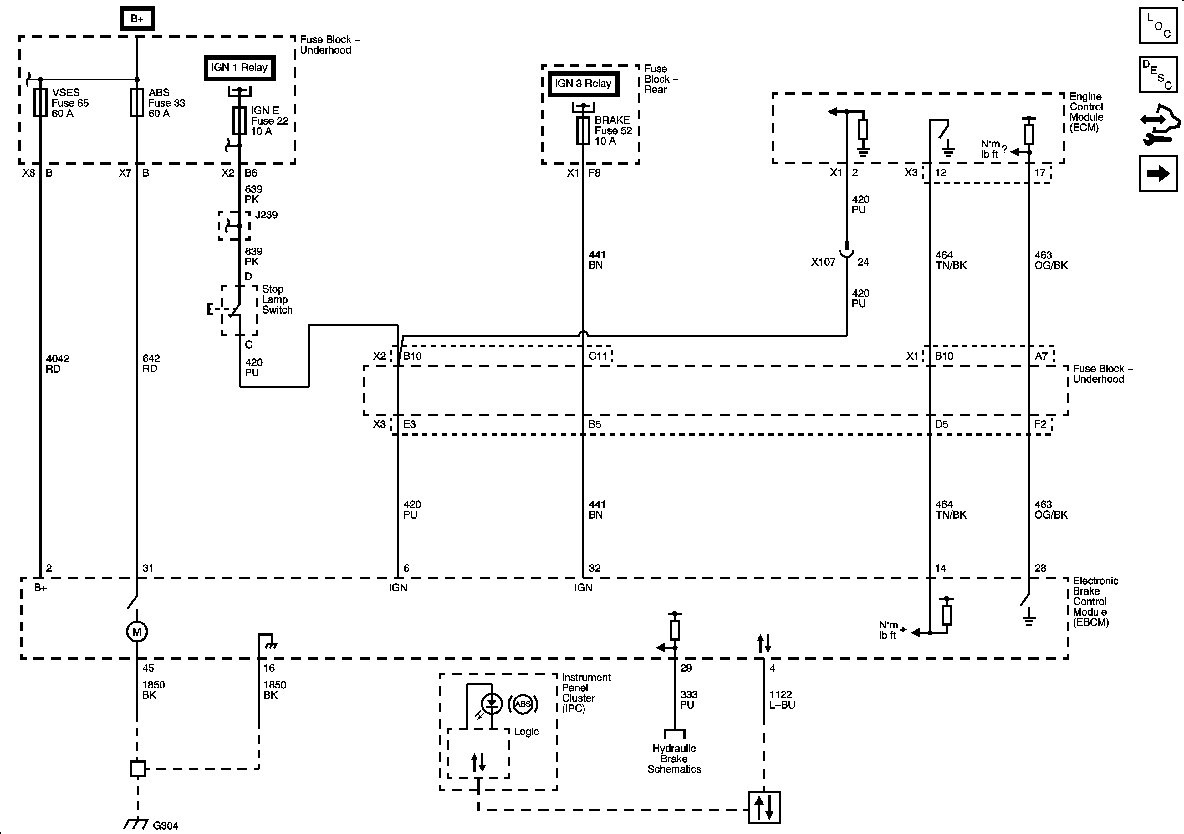
🢒 Antilock Brake System Schematics
Figure
1:
EBCM Power, Ground, Serial Data, Indicator, and Signal Circuits
Figure
2:
Wheel Speed Sensors and Yaw Rate/Lateral Acceleration Sensor
Figure
3:
Steering Wheel Speed/Position Sensor and Traction Control Switch