GM Service Manual Online
For 1990-2009 cars only
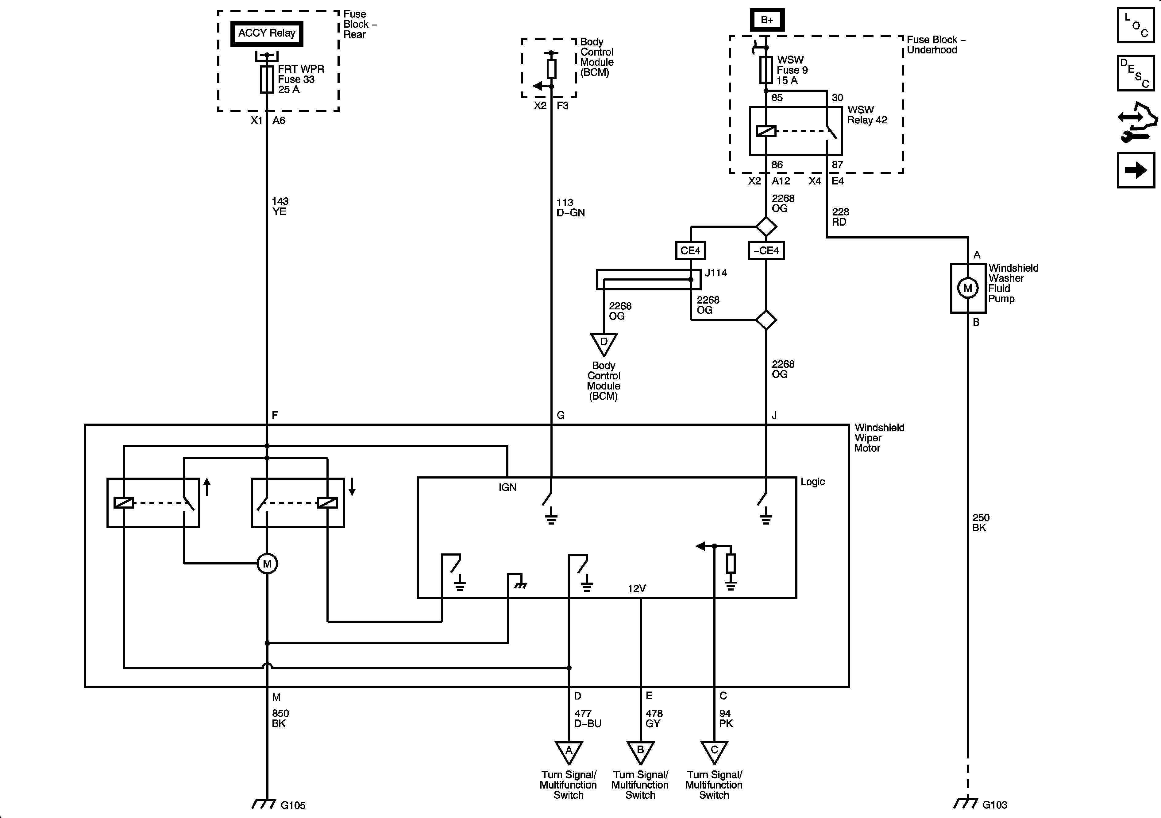
Figure 1:

Windshield Wiper/Washer Motors


Object Number: 2081625  Size: FS
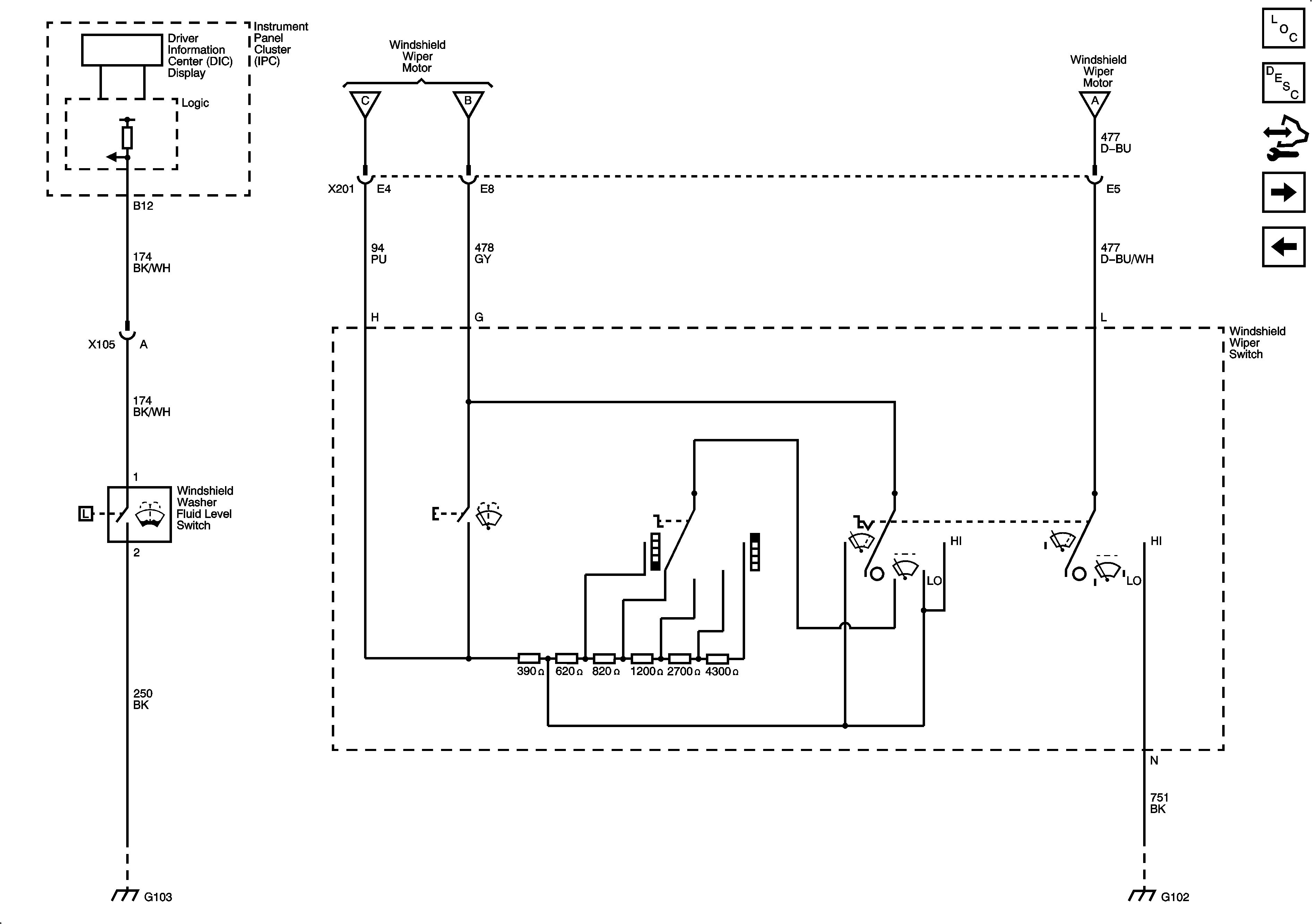
Figure 2:

Wiper/Washer Switch and Washer Fluid Level Switch


Object Number: 2081628  Size: FS
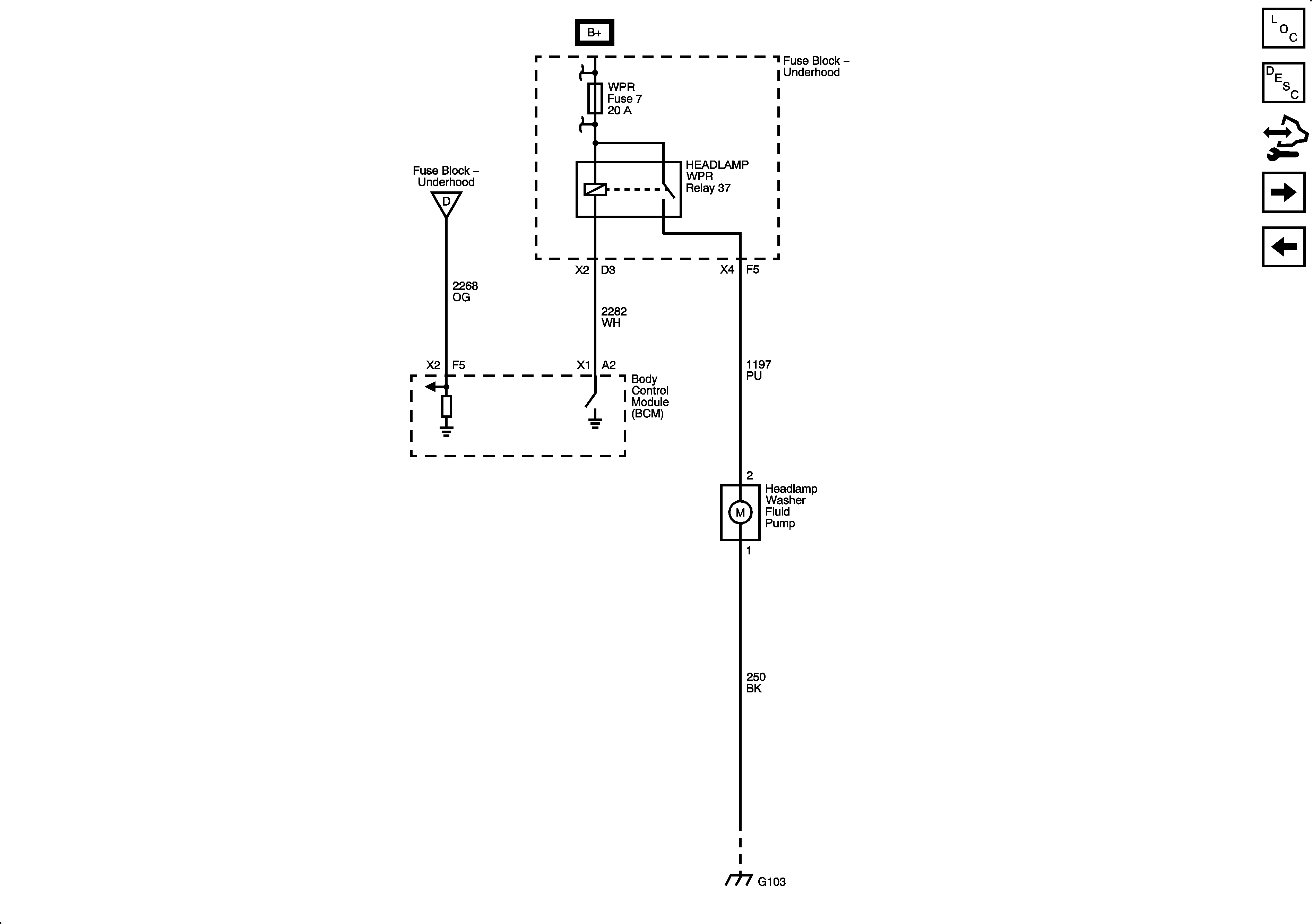
Figure 3:

Headlamp Washer - CE4


Object Number: 2081633  Size: FS
Figure 4:

Rear Wiper/Washer Controls


Object Number: 2081636  Size: FS
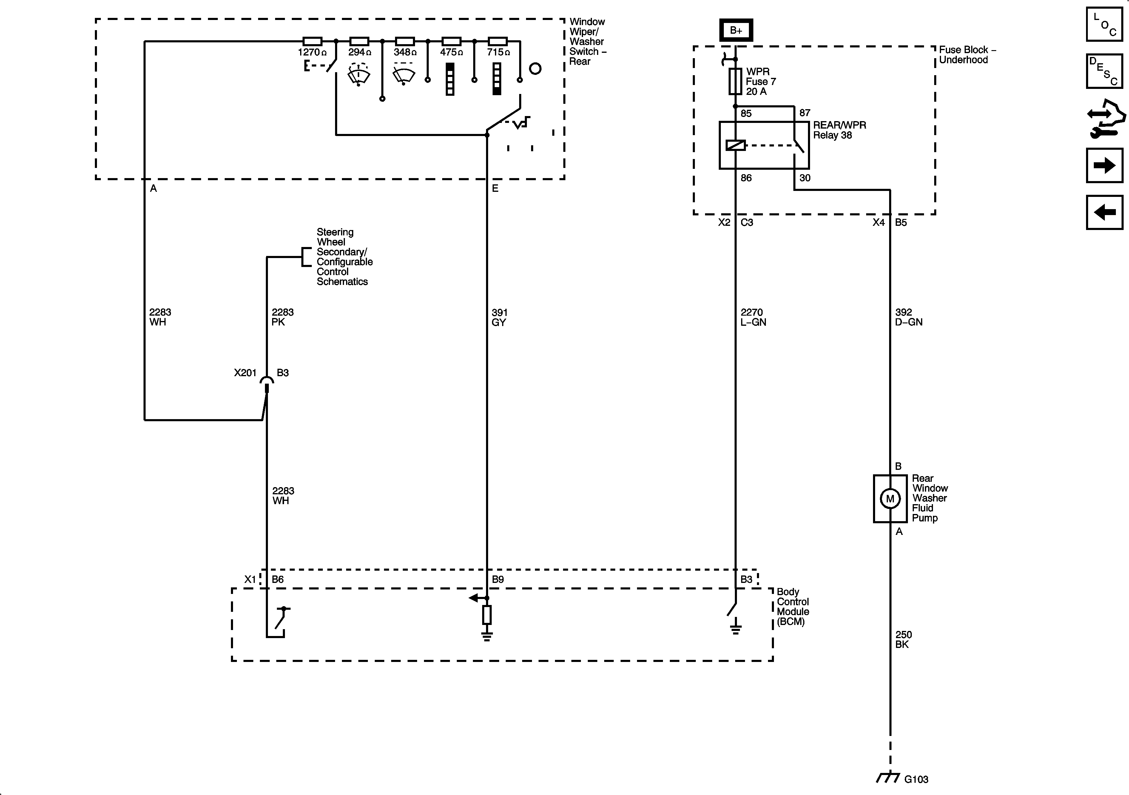
Figure 5:

Rear Window Wiper Motor


Object Number: 2081656  Size: FS