GM Service Manual Online
For 1990-2009 cars only
Makes
🢒
Saab
🢒
2009
🢒
9-7x
🢒
Transmission
🢒
Automatic Transmission - 4L60-E/4L65-E/4L70-E
🢒 Automatic Transmission Controls Schematics
Figure
1:
Shift Control and Stop Lamp Switch
Figure
2:
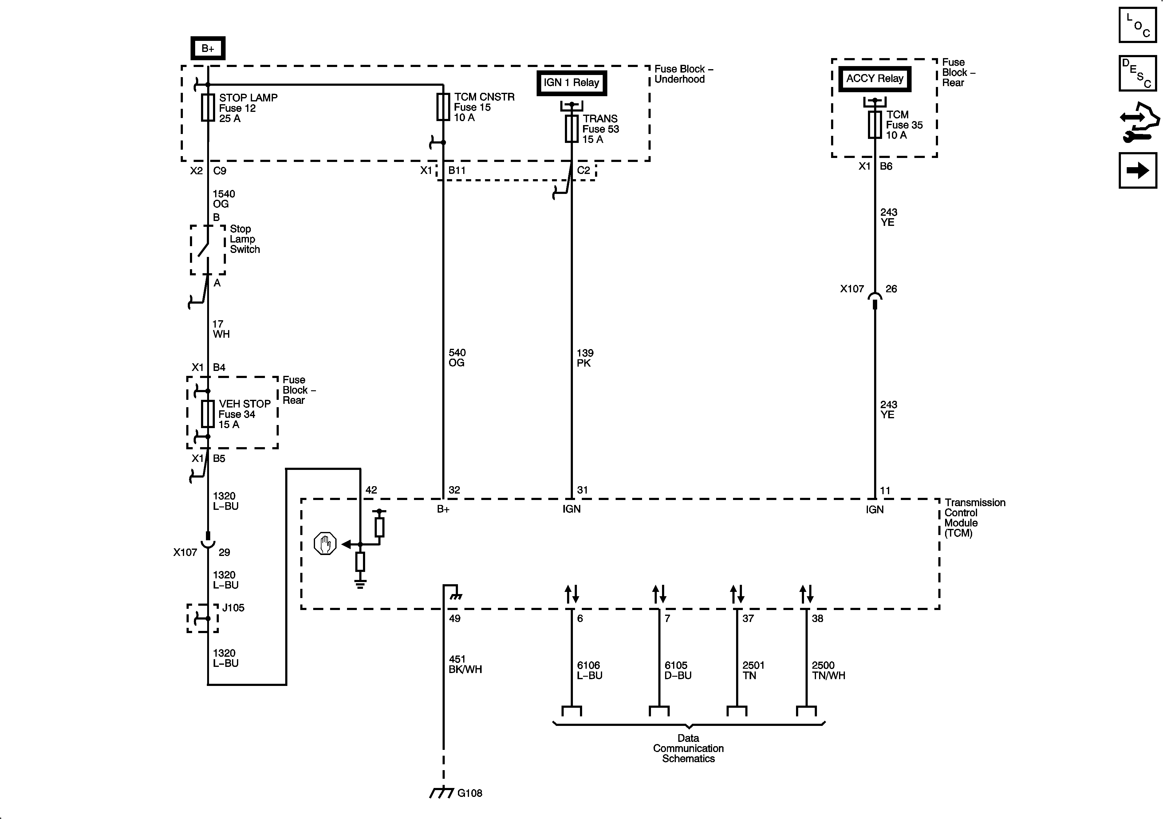
Module Power, Ground, Serial Data, and Stop Lamp Switch
Figure
3:
Transmission Controls
Figure
4:
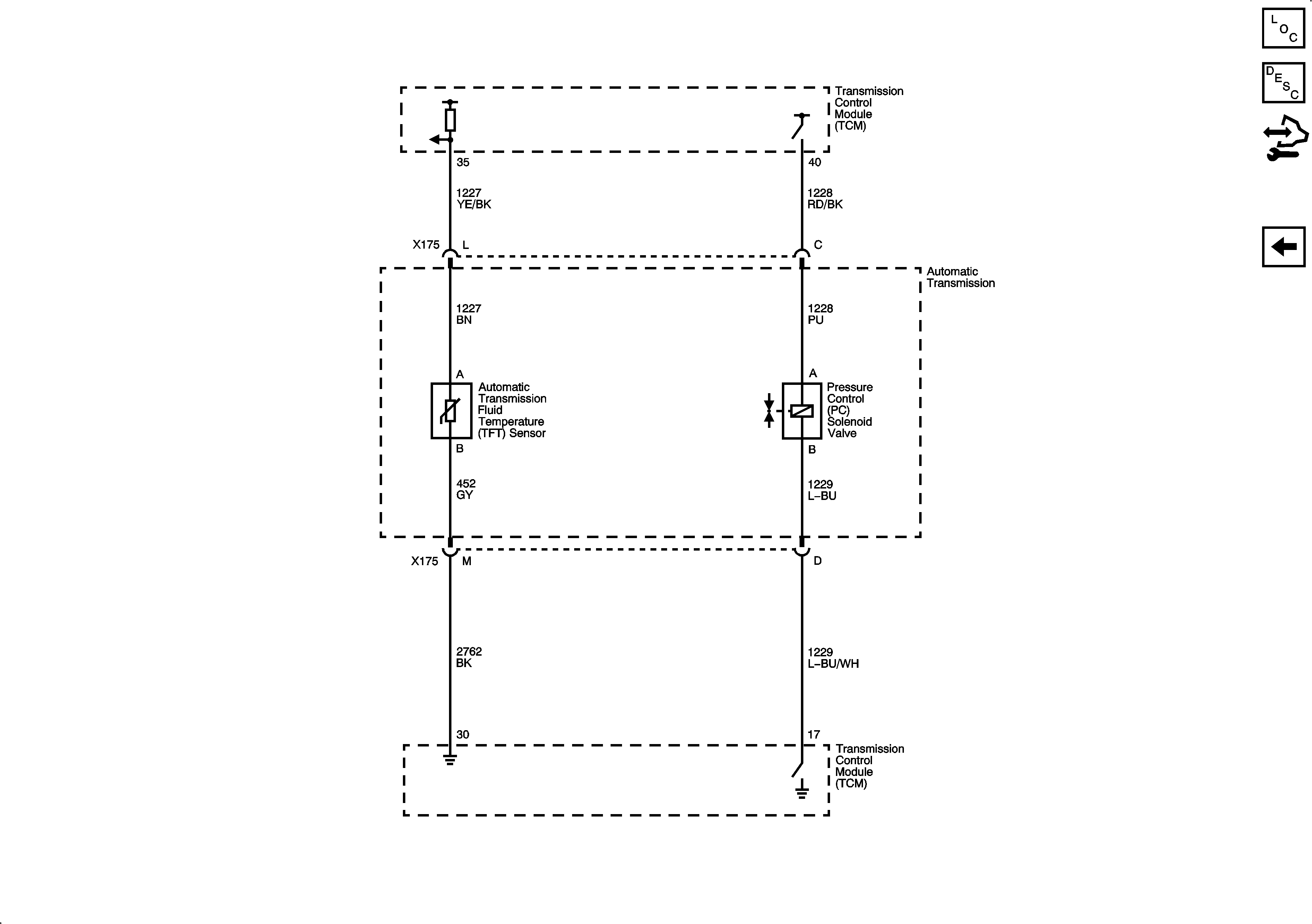
Pressure Controls, Temperature, and VSS