GM Service Manual Online
For 1990-2009 cars only
Figure 1:

ECM Power, Ground, Serial Data, and MIL


Object Number: 1254350  Size: FS
Master Electrical Component List
Engine Control Module Description
Engine Data Sensors-5 Volt Reference
OBD II Symbol Description Notice
Fuse Block - Underhood Fuses: BCM/ECM/CRUISE/ABS, Cruise Switch, IGN1 and Backup/Turn
Fuse Block - Underhood Fuses: Cooling Fan 2, Cooling Fan 1, ABS1, ABS2, Parklamp
Fuse Block - Underhood Fuses: BCM/ECM/CRUISE/ABS, Cruise Switch, IGN1 and Backup/Turn
Fuse Block - Underhood Fuses: BCM/ECM/CRUISE/ABS, Cruise Switch, IGN1 and Backup/Turn
Indocators
DLC Schematics (3.0L)
Figure 2:

Engine Data Sensors - 5-Volt References


Object Number: 1452746  Size: FS
Master Electrical Component List
Engine Control Module Description
Engine Data Sensors-Low References
Module Power, Ground, Serial Data, MIL
OBD II Symbol Description Notice
Figure 3:

Engine Data Sensors - Low References


Object Number: 1458115  Size: FS
Master Electrical Component List
Engine Control Module Description
Engine Data Sensors-Pressure, Temperature, VSS w/ ABS
Engine Data Sensors-5 Volt Reference
OBD II Symbol Description Notice
Figure 4:

Engine Data Sensors - Pressure, Temperature and VSS


Object Number: 1254360  Size: FS
Master Electrical Component List
Engine Control Module Description
Engine Data Sensors-Oxygen Sensors
Engine Data Sensors-Low References
OBD II Symbol Description Notice
Fuse Block Underhood Fuses: AC, Fuel Pump, ENG Control, ENG Control2, ENG Control3
Fuse Block Underhood Fuses: AC, Fuel Pump, ENG Control, ENG Control2, ENG Control3
Fuse Block - Underhood Fuses: Cooling Fan 2, Cooling Fan 1, ABS1, ABS2, Parklamp
Module Power, Ground, Serial Data, and Switches - 3.0L
Wheel Speed Sensors
Module Power, Ground, Serial Data, and Switches - 3.0L
Figure 5:

Engine Data Sensors - HO2 Sensors


Object Number: 1254380  Size: FS
Master Electrical Component List
Engine Control Module Description
Engine Data Sensors-Electronic Throttle Controls
Engine Data Sensors-Pressure, Temperature, VSS w/ ABS
OBD II Symbol Description Notice
Fuse Block Underhood Fuses: AC, Fuel Pump, ENG Control, ENG Control2, ENG Control3
Fuse Block Underhood Fuses: AC, Fuel Pump, ENG Control, ENG Control2, ENG Control3
Figure 6:

Electronic Throttle Controls


Object Number: 1465160  Size: FS
Master Electrical Component List
Engine Control Module Description
Ignition System
Engine Data Sensors-Oxygen Sensors
OBD II Symbol Description Notice
Engine Data Sensors-Low References
Engine Data Sensors-Low References
Figure 7:

Ignition System


Object Number: 1254396  Size: FS
Master Electrical Component List
Engine Control Module Description
Ignition Controls Sensors
Engine Data Sensors-Electronic Throttle Controls
OBD II Symbol Description Notice
Fuse Block-Underhood Fuses: Injector, Cntrls, IGN1, EIS, IGN
Figure 8:

Ignition Control Sensors


Object Number: 1254402  Size: FS
Master Electrical Component List
Engine Control Module Description
Fuel Pump and Fuel Injector Control
Ignition System
OBD II Symbol Description Notice
Figure 9:

Fuel System


Object Number: 1254410  Size: FS
Master Electrical Component List
Engine Control Module Description
EVAP Controls, EGR
Ignition Controls Sensors
OBD II Symbol Description Notice
Fuse Block Underhood Fuses: AC, Fuel Pump, ENG Control, ENG Control2, ENG Control3
Fuse Block - Underhood Bus
G102, G110, G118, G114
Gages
G305, G401, G399, G400
G102, G110, G118, G114
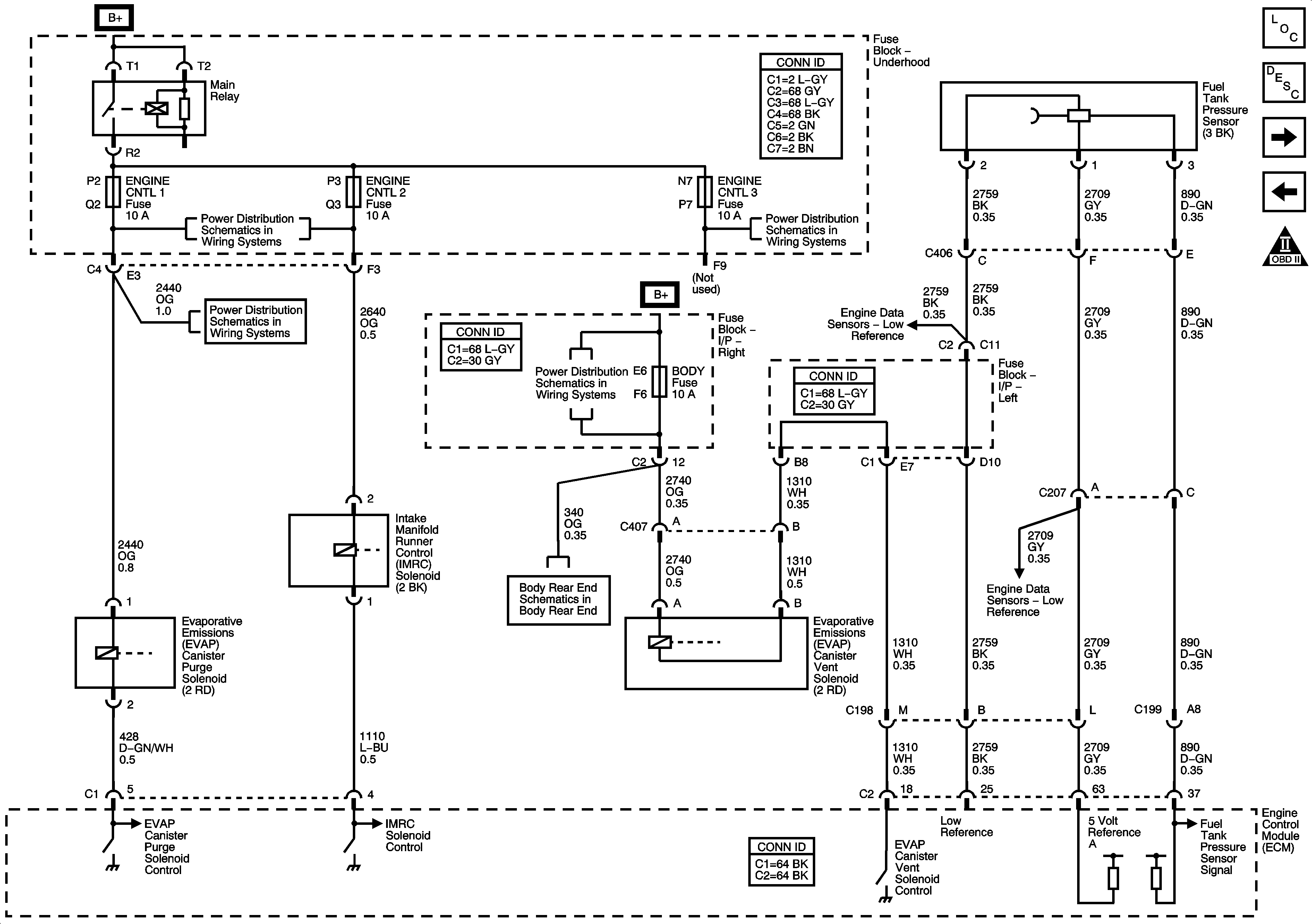
Figure 10:

EGR and EVAP Controls


Object Number: 1254419  Size: FS
Master Electrical Component List
Engine Control Module Description
Controlled/Monitored Subsystem References
Fuel Pump and Fuel Injector Control
OBD II Symbol Description Notice
Fuse Block Underhood Fuses: AC, Fuel Pump, ENG Control, ENG Control2, ENG Control3
Fuse Block Underhood Fuses: AC, Fuel Pump, ENG Control, ENG Control2, ENG Control3
Fuse Block Underhood Fuses: AC, Fuel Pump, ENG Control, ENG Control2, ENG Control3
Fuse Block-Underhood Fuses: IP BATT RT FUse Block- Right I/P Fuses: Prev Amp, Door Locks, Body, Fog Lamps
Body Rear End Schematics
Figure 11:

Controlled/Monitored Subsystem References


Object Number: 1254424  Size: FS
Master Electrical Component List
Engine Control Module Description
EVAP Controls, EGR
OBD II Symbol Description Notice
A/C Compressor Controls - 3.0L
Wheel Speed Sensors
Charging System
Indocators
Engine Cooling Schematics
Cruise Control Schematics - 3.0L